GM Service Manual Online
For 1990-2009 cars only
Figure 1:

Fuse Block - Underhood B+ Bus


Object Number: 1402985  Size: FS
Master Electrical Component List
Control Module References
Ignition Switch
Figure 2:

Ignition Switch


Object Number: 1402986  Size: FS
Master Electrical Component List
Control Module References
Fuse Block - Underhood BATT MAIN 1 Fuse, Fuse Block - I/P PK LAMPS, DISPLAYS, CHMSL/BKUP, INT LIGHT, RFA/MOD, RADIO/AMP, ONSTAR/ALDL, HVAC, and CANISTER Fuses and PK LP Relay
Fuse Block - Underhood B+ Bus
Figure 3:

BATT MAIN 1, CHMSL/BKUP, CLSTR, CNSTR, HVAC, INT/ILLUM, ONSTAR/ALDL, PRK/LAMP, RDO/AMP, RFA/MOD Fuses


Object Number: 1402989  Size: FS
Master Electrical Component List
Control Module References
Fuse Block - Underhood BATT MAIN 2 Fuse, Fuse Block - I/P HTD SEAT, PWR MIRS, TURN/HAZ, DR LK/TRUNK, PRKSW, and SUN ROOF Fuses, PWR SEAT and PWR WDO Circuit Breakers, and RAP Relay
Ignition Switch
SIR Caution for Zoning
Figure 4:

BATT MAIN 2, DR/LCK TRUNK, HAZRD, HTD/SEAT, PRK/SWITCH, PWR/MIR, S/ROOF Fuses and PWR/SEAT, PWR/WNDW Circuit Breakers


Object Number: 1402995  Size: FS
Master Electrical Component List
Control Module References
Fuse Block - Underhood BATT MAIN 3, BATT MAIN 4, ABS MTR, ABS SOL, PCM/ETC, TCM, WASHER/RVC, AUX PWR, and AIR PUMP Fuses, Fuse Block- I/P REAR WINDOW DEFOGGER Relay and HTD MIRROR Fuse
Fuse Block - Underhood BATT MAIN 1 Fuse, Fuse Block - I/P PK LAMPS, DISPLAYS, CHMSL/BKUP, INT LIGHT, RFA/MOD, RADIO/AMP, ONSTAR/ALDL, HVAC, and CANISTER Fuses and PK LP Relay
Fuse Block - Underhood B+ Bus
Figure 5:

BATT MAIN 3, AIR PUMP, AUX PWR, BATT MAIN 4, ABS MTR, ABS SOL, PCM/ETC, TCM, WASHER/RVC Fuses


Object Number: 1402997  Size: FS
Master Electrical Component List
Control Module References
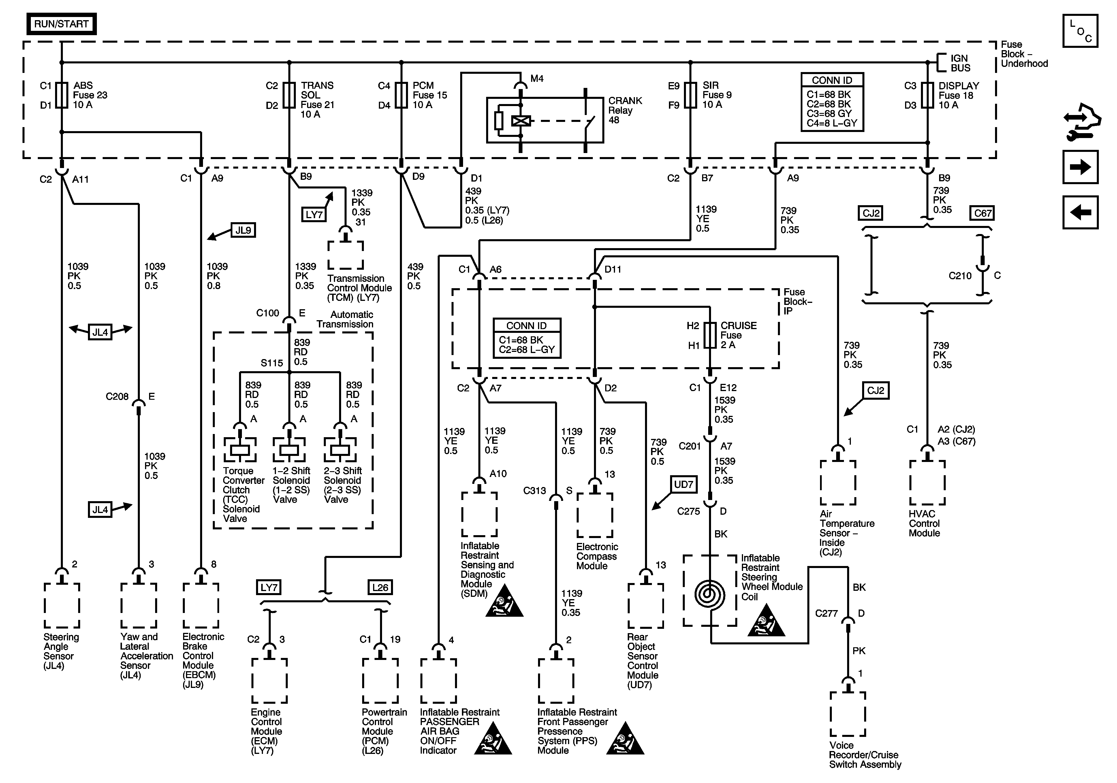
Fuse Block - Underhood ABS, TRANS SOL, PCM, SIR, and DISPLAY Fuses, CRANK Relay, and Fuse Block - I/P CRUISE SW Fuse
Fuse Block - Underhood BATT MAIN 2 Fuse, Fuse Block - I/P HTD SEAT, PWR MIRS, TURN/HAZ, DR LK/TRUNK, PRKSW, and SUN ROOF Fuses, PWR SEAT and PWR WDO Circuit Breakers, and RAP Relay
Fuse Block - Underhood B+ Bus
Defogger Schematics
Figure 6:

ABS, DISPLAY, PCM, SIR, SOL, TRANS Fuses, CRUISE (FUSE BLOCK - I/P)


Object Number: 1403002  Size: FS
Master Electrical Component List
Control Module References
Fuse Block - Underhood ETC, ELEK IGN (L26), FUEL INJ (L26), 02 SSR (L26), and EMISSION Fuses
Fuse Block - Underhood BATT MAIN 3, BATT MAIN 4, ABS MTR, ABS SOL, PCM/ETC, TCM, WASHER/RVC, AUX PWR, and AIR PUMP Fuses, Fuse Block- I/P REAR WINDOW DEFOGGER Relay and HTD MIRROR Fuse
Fuse Block - Underhood B+ Bus
SIR Caution for Zoning
SIR Caution for Zoning
SIR Caution for Zoning
SIR Caution for Zoning
Figure 7:

Fuse Block - Underhood ETC, ELEK IGN (L26), FUEL INJ (L26), 02 SSR (L26), and EMISSION Fuses


Object Number: 1403013  Size: FS
Master Electrical Component List
Control Module References
Fuse Block - Underhood ELEK IGN, FUEL INJ, and 02 SSR Fuses (LY7)
Fuse Block - Underhood ABS, TRANS SOL, PCM, SIR, and DISPLAY Fuses, CRANK Relay, and Fuse Block - I/P CRUISE SW Fuse
Fuse Block - Underhood B+ Bus
Fuse Block - Underhood ELEK IGN, FUEL INJ, and 02 SSR Fuses (LY7)
Fuse Block - Underhood ELEK IGN, FUEL INJ, and 02 SSR Fuses (LY7)
Figure 8:

Fuse Block - Underhood ELEK IGN, FUEL INJ, and 02 SSR Fuses (LY7)


Object Number: 1403019  Size: FS
Master Electrical Component List
Control Module References
Fuse Block - Underhood LF LOW BEAM, RF LOW BEAM, LF HI BEAM, and RF HI BEAM Fuses, and Fuse Block - I/P SPRING COIL 2 Fuse
Fuse Block - Underhood ETC, ELEK IGN (L26), FUEL INJ (L26), 02 SSR (L26), and EMISSION Fuses
Fuse Block - Underhood B+ Bus
Fuse Block - Underhood ETC, ELEK IGN (L26), FUEL INJ (L26), 02 SSR (L26), and EMISSION Fuses
Fuse Block - Underhood ETC, ELEK IGN (L26), FUEL INJ (L26), 02 SSR (L26), and EMISSION Fuses
Figure 9:

Fuse Block - Underhood LF LOW BEAM, RF LOW BEAM, LF HI BEAM, RF HI BEAM Fuses, Fuse Block - I/P SPRING COIL 2 Fuse


Object Number: 1403030  Size: FS
Master Electrical Component List
Control Module References
Fuse Block - Underhood ELEK IGN, FUEL INJ, and 02 SSR Fuses (LY7)
Fuse Block - Underhood B+ Bus
Fuse Block - Underhood B+ Bus
I/P, Console, and Driver Door Lighting
Steering Wheel and Front Passenger Door Lighting
SIR Caution for Zoning