GM Service Manual Online
For 1990-2009 cars only
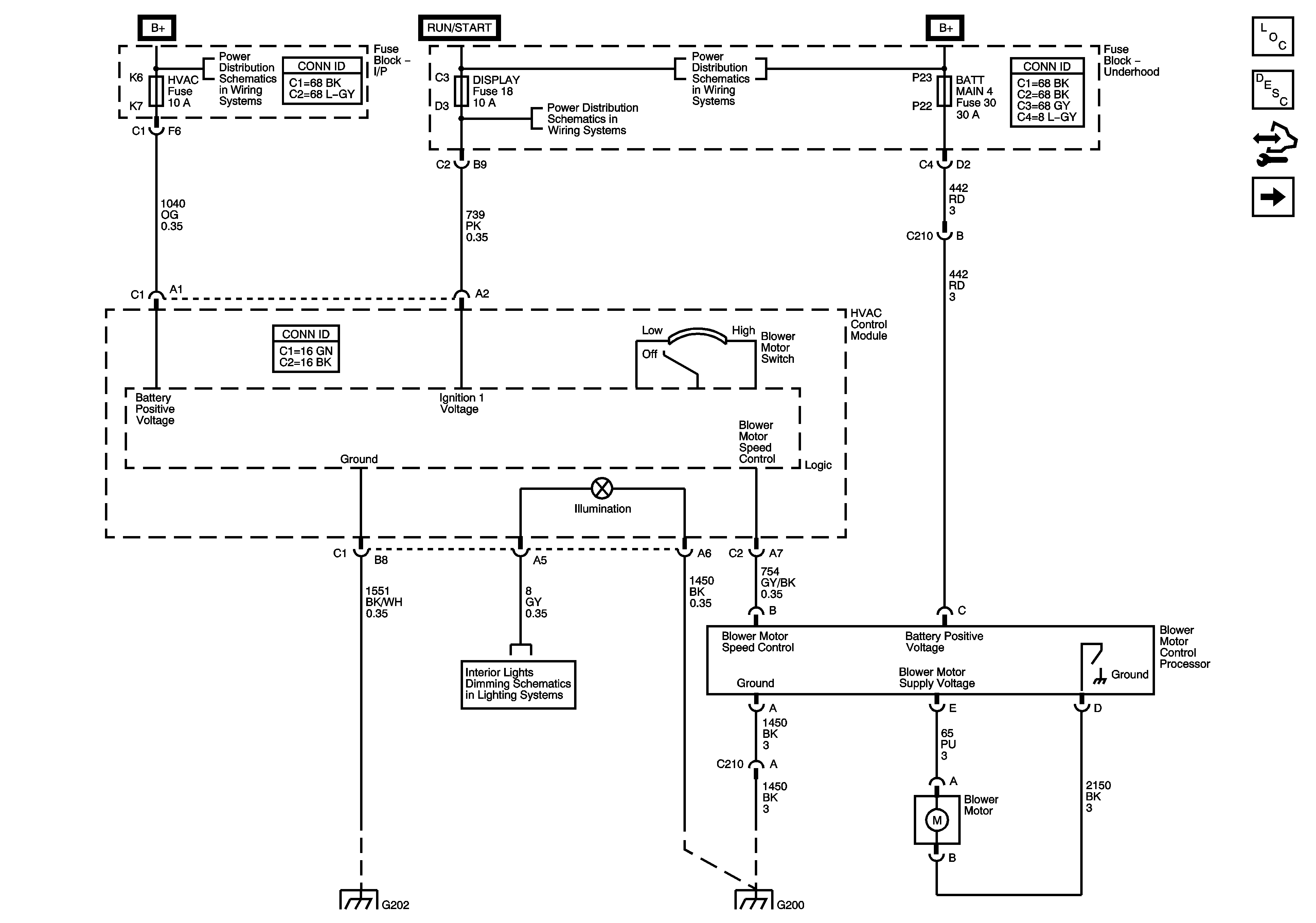
Figure 1:

Power, Ground, and Blower Controls


Object Number: 1438958  Size: FS
Master Electrical Component List
Air Delivery Description and Operation
Control Module References
Compressor Controls and Serial Data (L26)
Fuse Block - Underhood BATT MAIN 1 Fuse, Fuse Block - I/P PK LAMPS, DISPLAYS, CHMSL/BKUP, INT LIGHT, RFA/MOD, RADIO/AMP, ONSTAR/ALDL, HVAC, and CANISTER Fuses and PK LP Relay
Fuse Block - Underhood ABS, TRANS SOL, PCM, SIR, and DISPLAY Fuses, CRANK Relay, and Fuse Block - I/P CRUISE SW Fuse
Fuse Block - Underhood B+ Bus
I/P, Console, and Driver Door Lighting
G202
G200
Figure 2:

Compressor Controls and Serial Data (L26)


Object Number: 1438963  Size: FS
Master Electrical Component List
Air Delivery Description and Operation
Control Module References
Compressor Controls and Serial Data (LY7)
Power, Ground, and Blower Controls
Fuse Block - Underhood B+ Bus
L26
G115 (L26)
Figure 3:

Compressor Controls and Serial Data (LY7)


Object Number: 1438967  Size: FS
Master Electrical Component List
Air Delivery Description and Operation
Control Module References
Air Temperature and Sunload Sensors
Compressor Controls and Serial Data (L26)
Fuse Block - Underhood B+ Bus
LY7
5 Volt and Low Reference, Page 1 of 2
5 Volt and Low Reference, Page 1 of 2
G115 (LY7)
Figure 4:

Air Temperature and Sunload Sensors


Object Number: 1438971  Size: FS
Master Electrical Component List
Air Temperature Description and Operation
Control Module References
Air Delivery/Temperature Controls
Compressor Controls and Serial Data (LY7)
Headlights/Daytime Running Lights (DRL) Schematics
Fuse Block - Underhood ABS, TRANS SOL, PCM, SIR, and DISPLAY Fuses, CRANK Relay, and Fuse Block - I/P CRUISE SW Fuse
G202
Figure 5:

Air Delivery/Temperature Controls


Object Number: 1438982  Size: FS
Master Electrical Component List
Air Temperature Description and Operation
Control Module References
Air Temperature and Sunload Sensors