GM Service Manual Online
For 1990-2009 cars only
Makes
🢒
Buick
🢒
2005
🢒
Allure
🢒
Body
🢒
Wiring Systems
🢒 Interior Lights Dimming Schematics
Figure
1:
I/P, Console, and Driver Door Lighting
Master Electrical Component List
Interior Lighting Systems Description and Operation
Control Module References
Steering Wheel and Front Passenger Door Lighting
Door/Lock Indicator, Fog Lights, Headlights/DRL, Interior Lights, OnStar and Rear Parking Assist References
Charging
Steering Wheel and Front Passenger Door Lighting
Fuse Block - Underhood BATT MAIN 1 Fuse, Fuse Block - I/P PK LAMPS, DISPLAYS, CHMSL/BKUP, INT LIGHT, RFA/MOD, RADIO/AMP, ONSTAR/ALDL, HVAC, and CANISTER Fuses and PK LP Relay
Driver Information System Schematics
Power Window Schematics
Outside Mirror Schematics
Switches
G202
G200
G301
G301
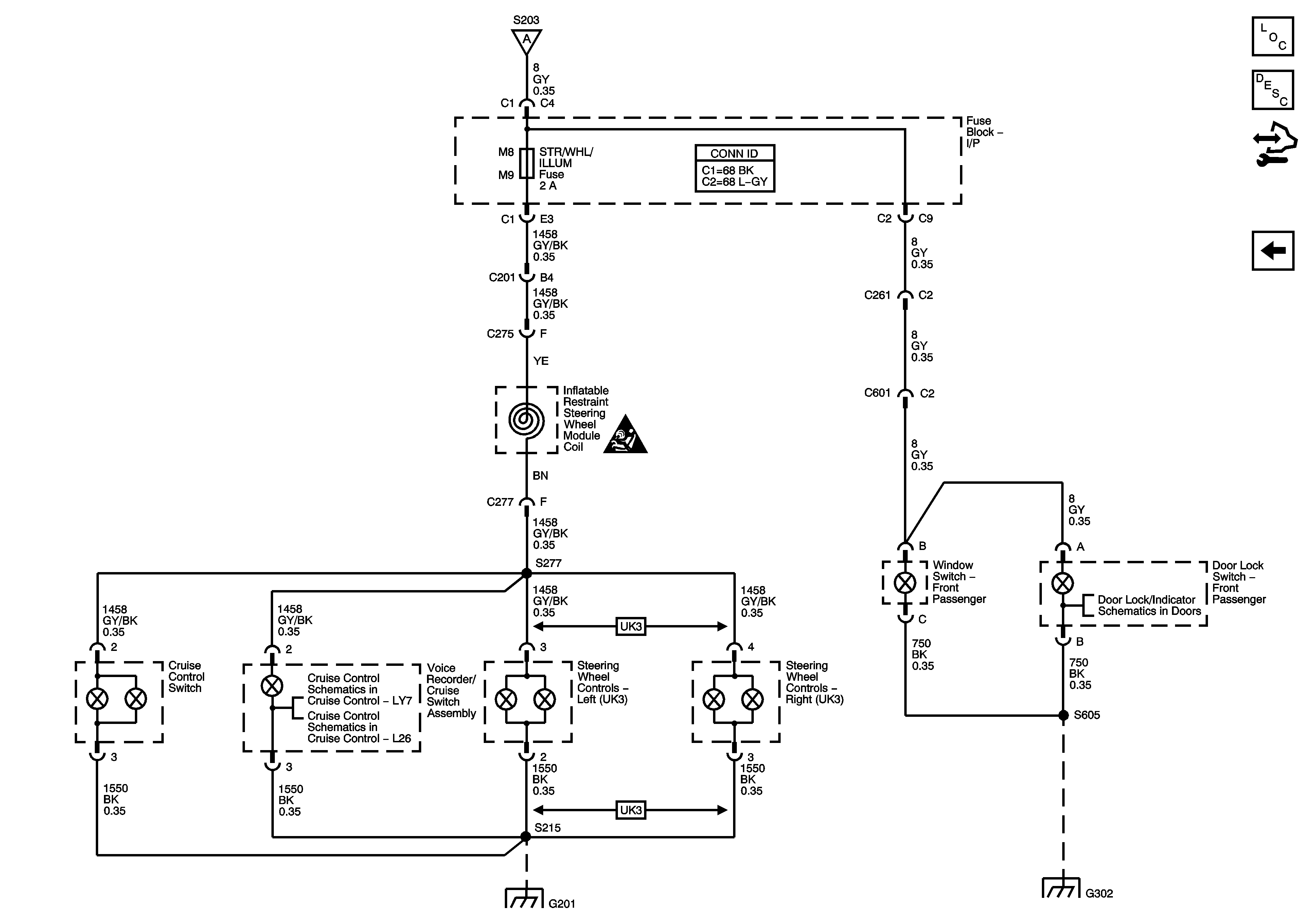
Figure
2:
Steering Wheel and Front Passenger Door Lighting
Master Electrical Component List
Interior Lighting Systems Description and Operation
Control Module References
I/P, Console, and Driver Door Lighting
I/P, Console, and Driver Door Lighting
SIR Caution for Zoning
Switches
LY7
L26
G201
G302