GM Service Manual Online
For 1990-2009 cars only
Makes
🢒
Buick
🢒
2005
🢒
Allure
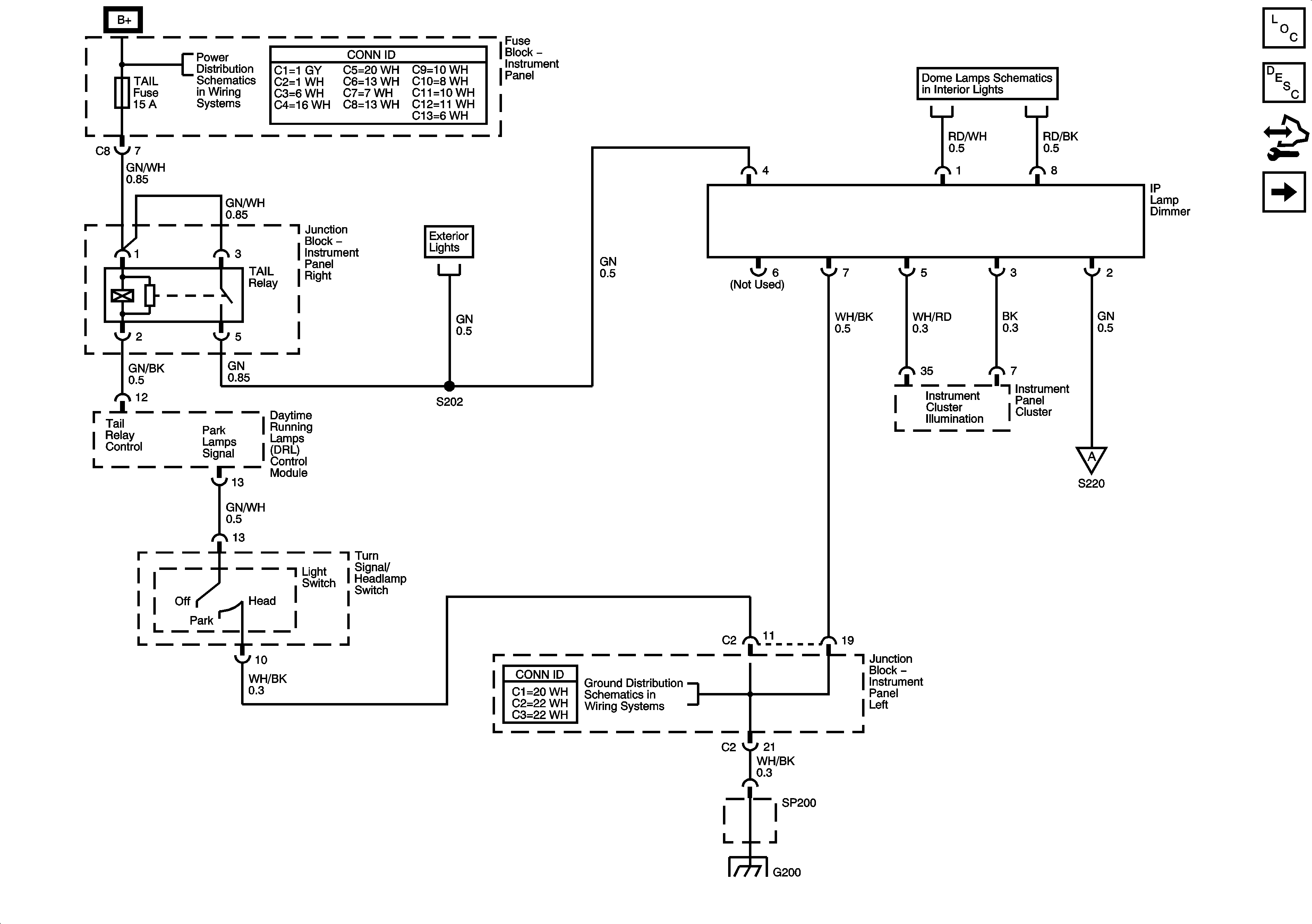
🢒 IP Lamp Dimmer
IP Lamp Dimmer
I/P Lamp Dimmer
Master Electrical Component List
Interior Lighting Systems Description and Operation
Control Module References
Illumination Lamps
Power, AM 1, Door, Tail, P/Point, ECU-B, Stop, OBD, INV, Fuses
Park Lamps
Junction Block - Instrument Panel Left
SP201 and G201