GM Service Manual Online
For 1990-2009 cars only
Makes
🢒
Buick
🢒
2009
🢒
Allure
🢒
Engine
🢒
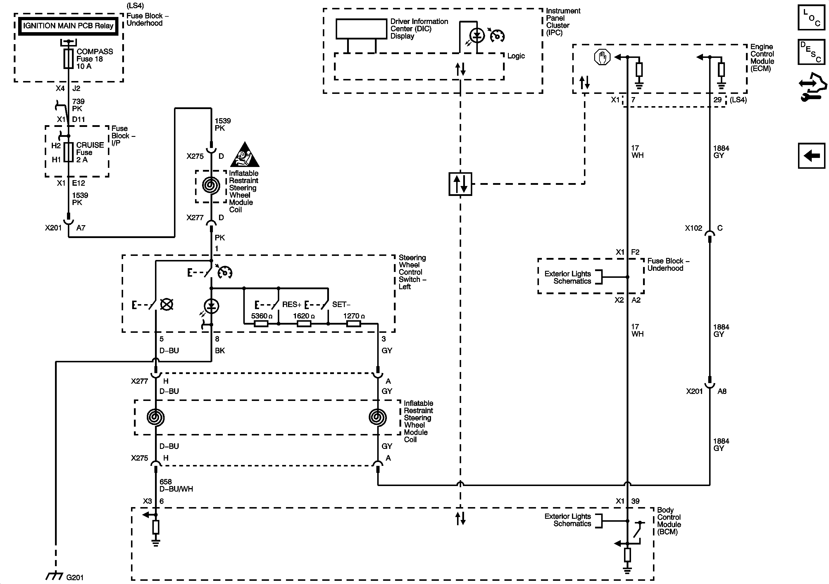
Cruise Control
🢒 Cruise Control Schematics
Figure
1:
L26
Figure
2:
LS4