GM Service Manual Online
For 1990-2009 cars only
Figure 1:

Fuse Block Underhood Bussing (L26)


Object Number: 2082226  Size: FS
Figure 2:

Fuse Block Underhood Bussing (LS4)


Object Number: 2082237  Size: FS
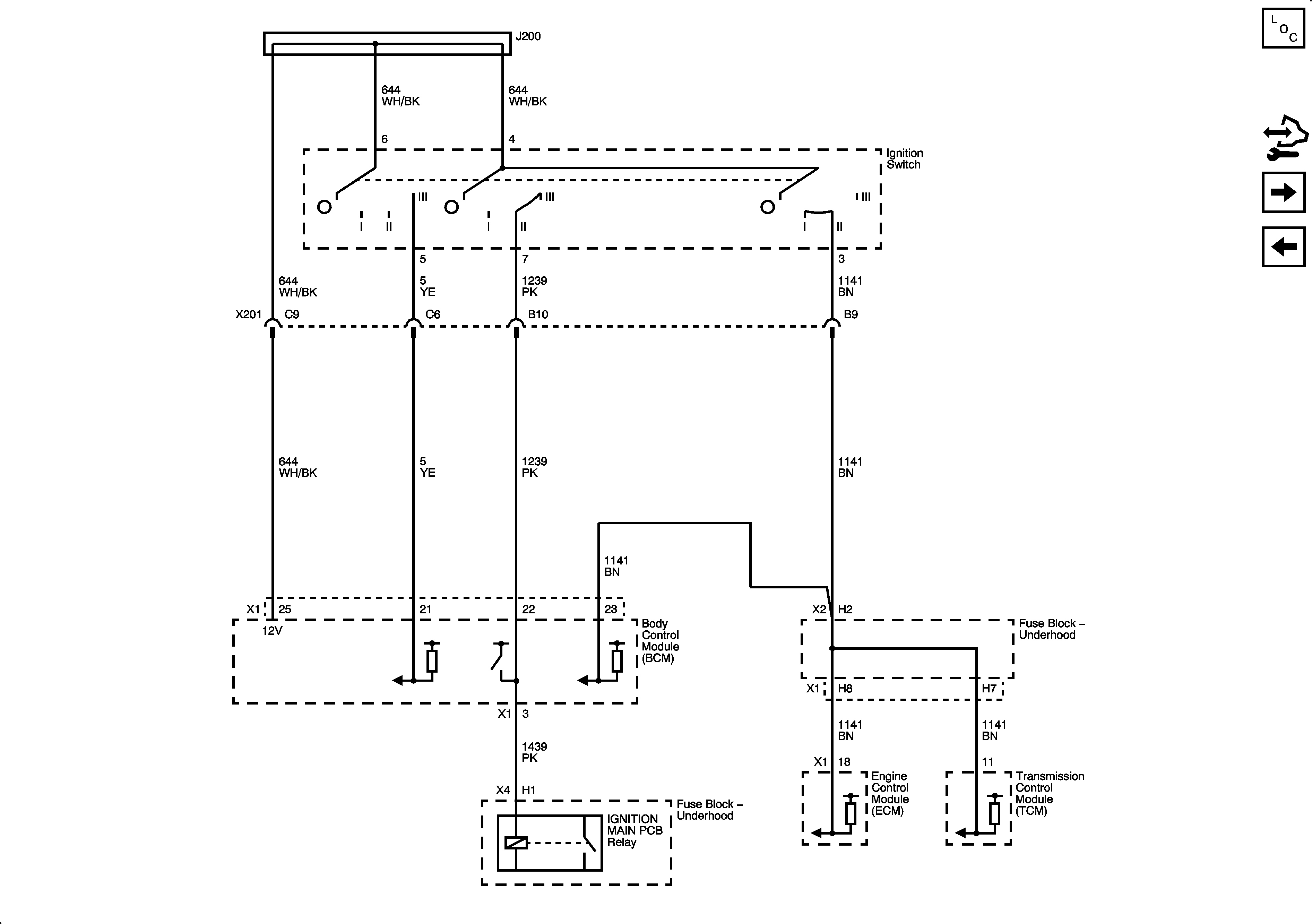
Figure 3:

Ignition Switch (L26)


Object Number: 2082240  Size: FS
Figure 4:

Ignition Switch (LS4)


Object Number: 2082243  Size: FS
Figure 5:

BATT MAIN 1 (L26), BATT 1 (LS4), CHMSL/BKUP, CLSTR, CNSTR, HVAC, INT/ILLUM, ONSTAR/ALDL, PRK/LAMP, RDO/AMP, and RFA/MOD Fuses


Object Number: 2082244  Size: FS
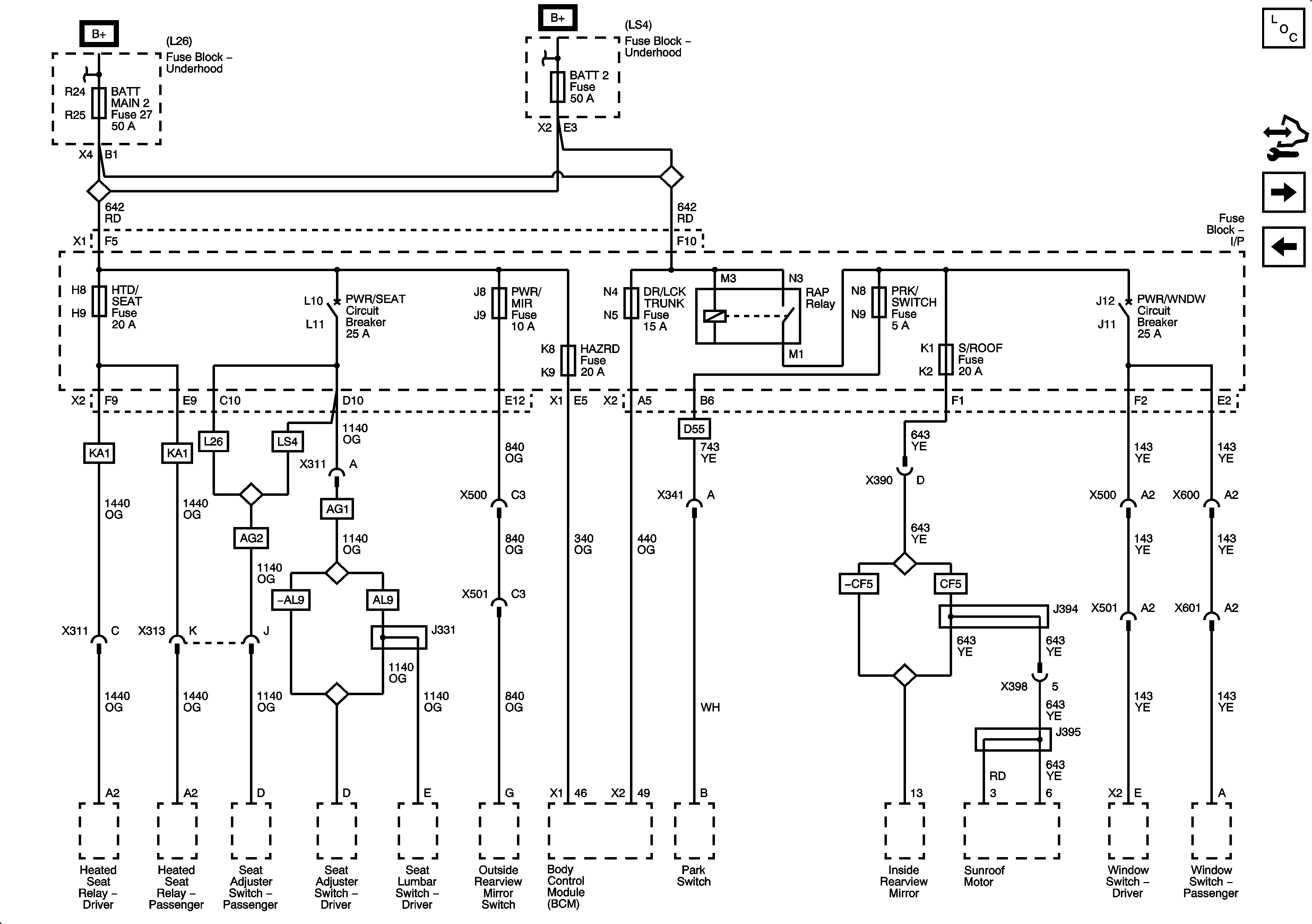
Figure 6:

BATT MAIN 2 (L26), BATT 2 (LS4), DR/LCK TRUNK, HAZRD, HTD/SEAT, PRK/SWITCH, PWR/MIR, S/ROOF Fuses


Object Number: 2082245  Size: FS
Figure 7:

AIR PUMP, AUX PWR, ABS MTR, ABS SOL, BATT MAIN 3, BATT MAIN 4, PCM/ETC, WASHER/RVC Fuses (L26)


Object Number: 2082246  Size: FS
Figure 8:

ABS MTR, ABS SOL, BATT 3, BATT 4, ECM/TCM, WSW/RVC, and AUX PWR Fuses (LS4)


Object Number: 2082247  Size: FS
Figure 9:

HORN, FOG LAMPS, and FUEL/PUMP Fuses (LS4)


Object Number: 2082248  Size: FS
Figure 10:

ABS, CRUISE, DISPLAY, PCM , SIR, and TRANS SOL Fuses (L26)


Object Number: 2082249  Size: FS
Figure 11:

ABS, AIR BAG/DISPLAY, COMPASS, ECM IGN, HVAC, and TRANS Fuses (LS4)


Object Number: 2082250  Size: FS
Figure 12:

ELEK IGN, EMISSION, ETC, FUEL INJ, 02 SSR, and Fuses (L26)


Object Number: 2082251  Size: FS
Figure 13:

ETC/ECM, INJ 1, and INJ 2 Fuses (LS4)


Object Number: 2082253  Size: FS
Figure 14:

A/C CMPRSR, EMISSIONS 1, and EMISSIONS 2 Fuses (LS4)


Object Number: 2082254  Size: FS
Figure 15:

LF HI BEAM, LF LOW BEAM, RF HI BEAM, RF LOW BEAM Fuses (L26), LT HI BEAM, LT LO BEAM, RT HI BEAM, RT LO BEAM Fuses (LS4), STR/WHL/ILLUM Fuse


Object Number: 2082255  Size: FS