GM Service Manual Online
For 1990-2009 cars only
Makes
🢒
Buick
🢒
2009
🢒
Allure
🢒
Transmission
🢒
Automatic Transmission - 4T65-E
🢒 Automatic Transmission Controls Schematics
Figure
1:
TCM Power, Ground, and Serial Data (LS4)
Figure
2:
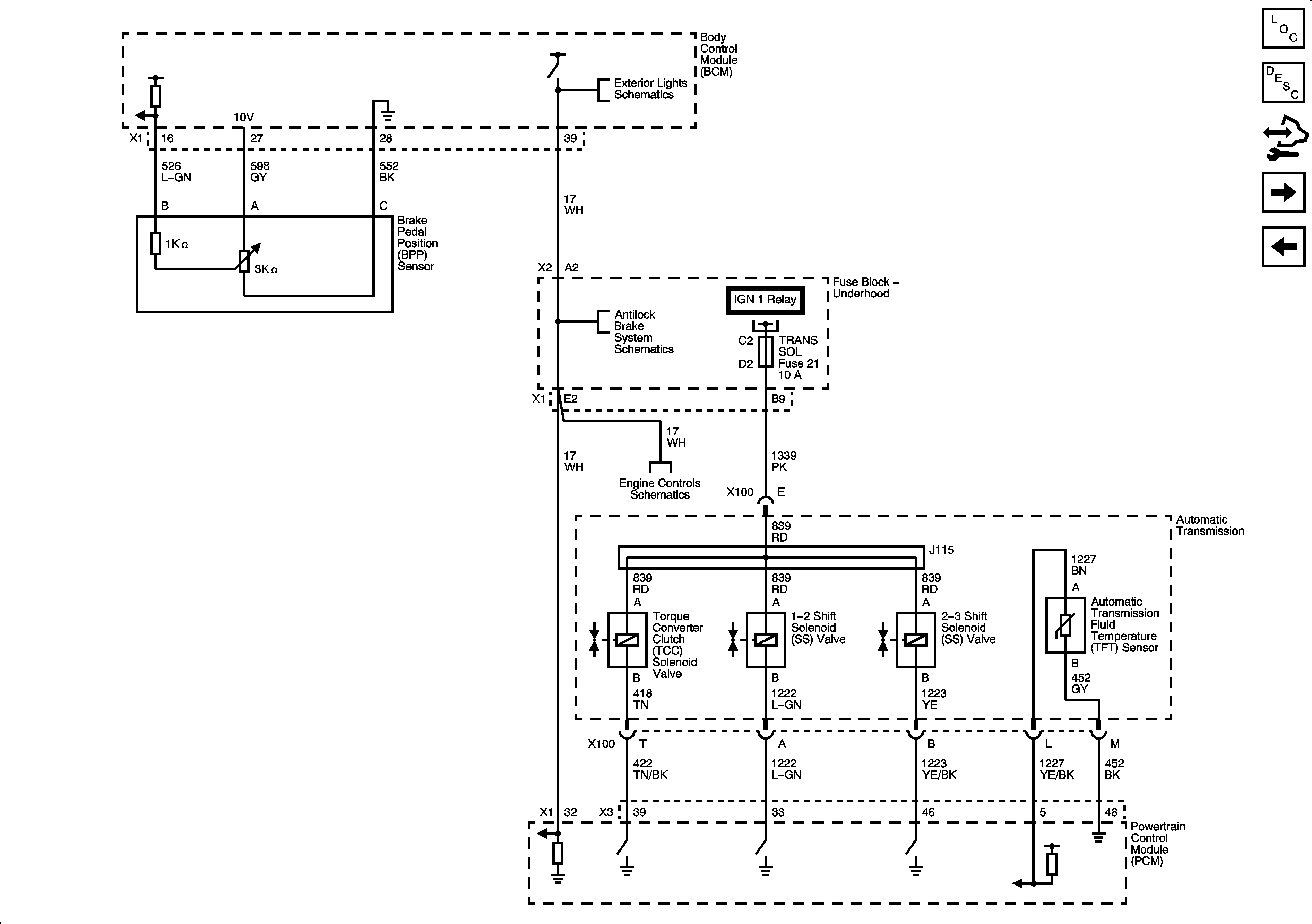
Shift and TCC Solenoid Valves, TFT Sensor, and Stop Lamp Switch (LS4)
Figure
3:
PC Solenoid Valve, Fluid Pressure Manual Valve Position Switch, ISS and VSS Sensors (LS4)
Figure
4:
Automatic Transmission Internal Mode Switch (IMS) (LS4)
Figure
5:
Shift and TCC Solenoid Valves, TFT Sensor, and Stop Lamp Switch (L26)
Figure
6:
PC Solenoid Valve, Fluid Pressure Manual Valve Position Switch, ISS and VSS Sensors (L26)
Figure
7:
Automatic Transmission Internal Mode Switch (IMS) (L26)