GM Service Manual Online
For 1990-2009 cars only
Makes
🢒
Buick
🢒
1999
🢒
Century
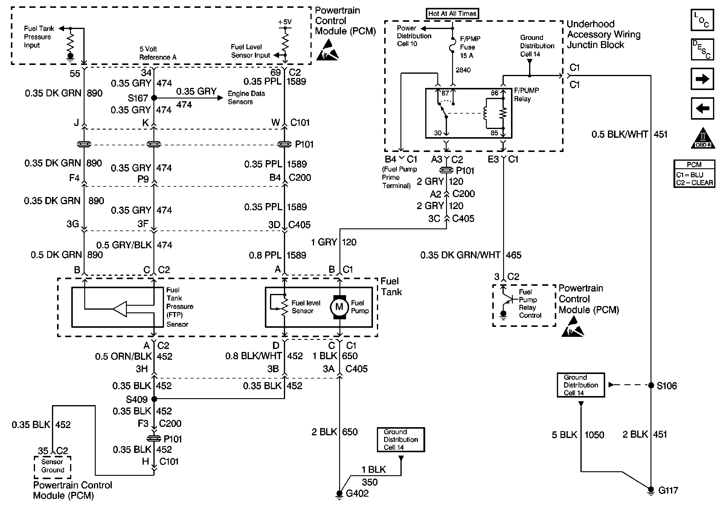
🢒 Cell 20: Fuel Control
Cell 20: Fuel Control
Cell 20: Fuel Control
Cell 20: Fuel Injectors
OBDII Symbol Description Notice
Cell 20: Ignition System and Knock Sensor
Cell 20: Engine Data Sensors-A/C Refrig Press, ECT, IAT, MAP and TP
Cell 10: Underhood Accessory Wiring Junction Block
Cell 14: G100, G111, G113, and G117
Cell 14: G402 (2 of 2)
Handling Electrostatic Discharge Sensitive Parts Notice
Handling Electrostatic Discharge Sensitive Parts Notice
Cell 14: G100, G111, G113, and G117