GM Service Manual Online
For 1990-2009 cars only
Makes
🢒
Buick
🢒
2000
🢒
Century
🢒
Body and Accessories
🢒
Instrument Panel, Gauges, and Console
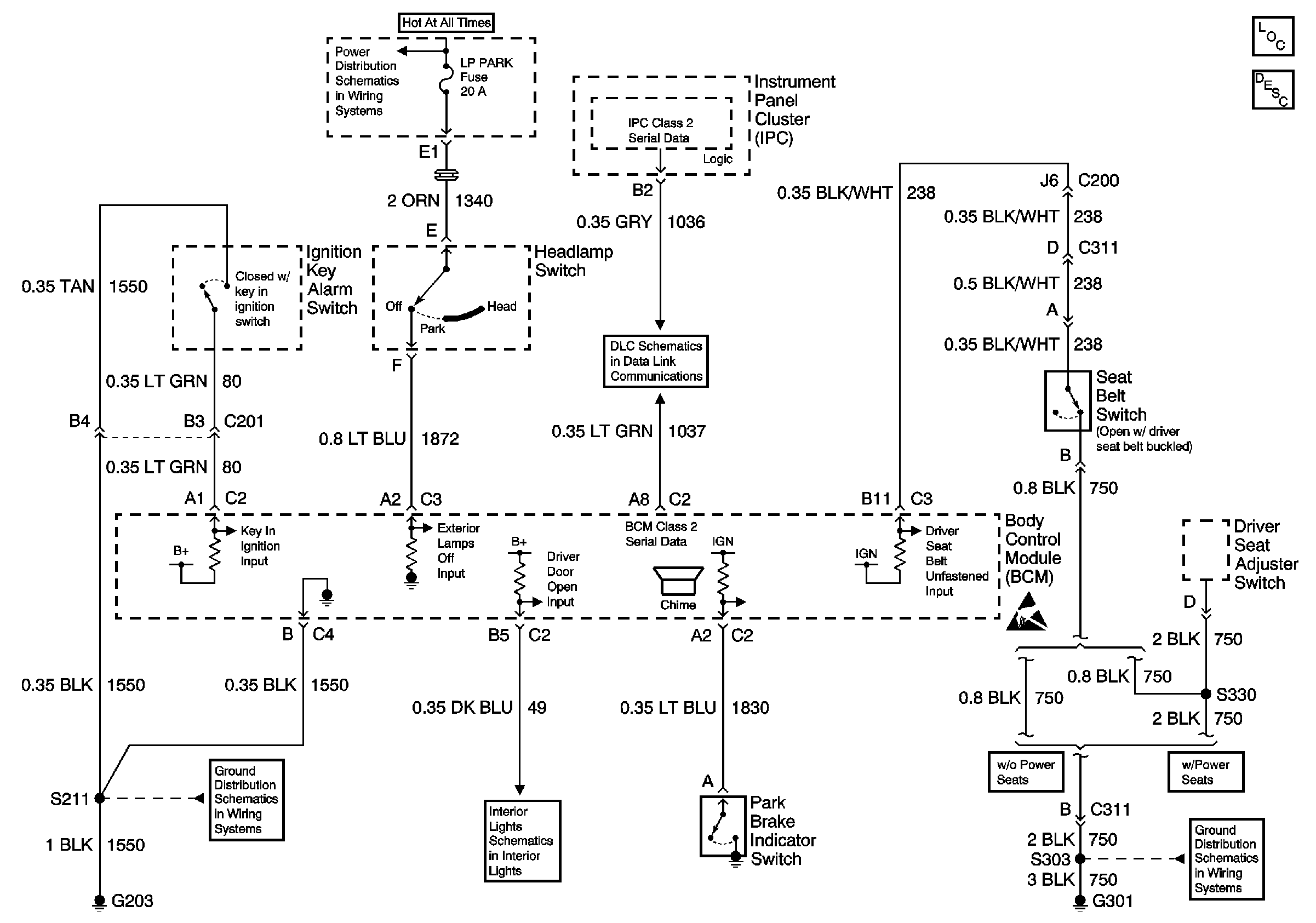
🢒 Audible Warnings Schematics
Instrument Panel, Gages, and Console Component Views
Audible Warnings Circuit Description
Battery, UAWJB, Fuse Block, Headlamp Switch, Parklamp and Headlamp Relay
Serial Data Class 2
G203
BCM and PCM
Handling ESD Sensitive Parts Notice
G301