GM Service Manual Online
For 1990-2009 cars only
Makes
🢒
Buick
🢒
2000
🢒
Century
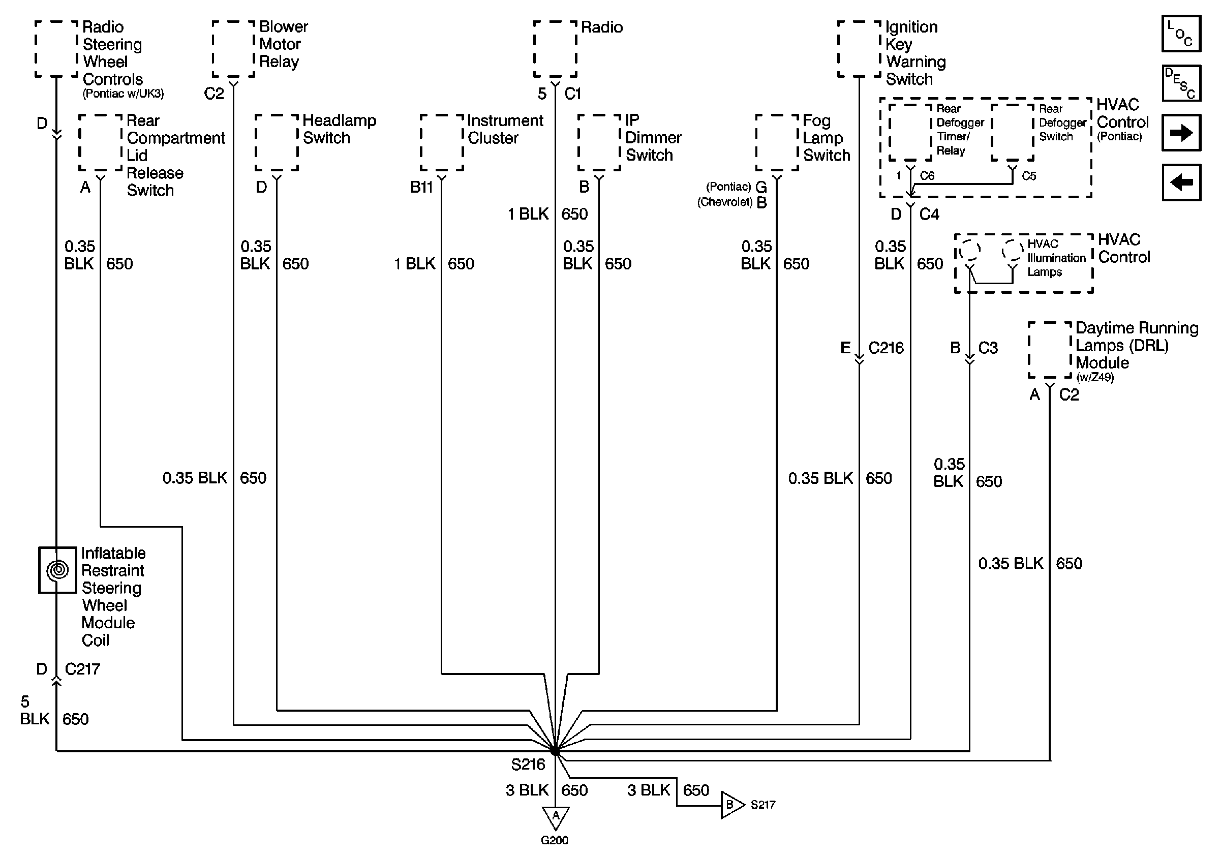
🢒 G200 DRL, HVAC, Rear Defog
G200 DRL, HVAC, Rear Defog
G200 DRL, HVAC, Rear Defog
Power and Grounding Components
G200 BCM, DLC, UTD, Radio
G200 Door Locks, Mirrors, Windows