GM Service Manual Online
For 1990-2009 cars only
Figure 1:

Fuse Block - Underhood B+ Bus


Object Number: 1373641  Size: FS
Master Electrical Component List
Fuse Block - Underhood BAT 1 Fuse, Fuse Block - I/P RADIO, HVAC, RFA, CLSTR ALDL, BCM PWR, ACCY PWR BUS, RADIO PREM SOUND, and LTR Fuses
Figure 2:

Fuse Block - Underhood BAT 1 Fuse, Fuse Block - I/P RADIO, HVAC, RFA, CLSTR ALDL, BCM PWR, ACCY PWR BUS, RADIO PREM. SOUND, and LTR Fuses


Object Number: 1373644  Size: FS
Master Electrical Component List
Fuse Block - Underhood BAT 2 Fuse, Fuse Block - I/P HI/BLWR, HAZRD, STOP LAMPS, DR/LCK, and PWR/MIR Fuses
Fuse Block-Underhood B+ Bus
Fuse Block-Underhood B+ Bus
Figure 3:

Fuse Block - Underhood BAT 2 Fuse, Fuse Block - I/P HI/BLWR, HAZRD, STOP LAMPS, DR/LCK, and PWR/MIR Fuses


Object Number: 1343592  Size: FS
Master Electrical Component List
Fuse Block - Underhood BAT 3 Fuse, Fuse Block - I/P ONSTAR Fuse, R/DEFOG and PWR/SEAT Circuit Breakers
Fuse Block - Underhood BAT 1 Fuse, Fuse Block - I/P RADIO, HVAC, RFA, CLSTR ALDL, BCM PWR, ACCY PWR BUS, RADIO PREM SOUND, and LTR Fuses
Fuse Block-Underhood B+ Bus
Figure 4:

Fuse Block - Underhood BAT 3 Fuse, Fuse Block - I/P ONSTAR Fuse, R/DEFOG and PWR/SEAT Circuit Breakers


Object Number: 1373649  Size: FS
Master Electrical Component List
Fuse Block - Underhood IGN 1 Fuse
Fuse Block - Underhood BAT 2 Fuse, Fuse Block - I/P HI/BLWR, HAZRD, STOP LAMPS, DR/LCK, and PWR/MIR Fuses
Fuse Block-Underhood B+ Bus
Figure 5:

Fuse Block - Underhood IGN 1 Fuse


Object Number: 1373653  Size: FS
Master Electrical Component List
Fuse Block - Underhood IGN 2 Fuse
Fuse Block - Underhood BAT 3 Fuse, Fuse Block - I/P ONSTAR Fuse, R/DEFOG and PWR/SEAT Circuit Breakers
Fuse Block-Underhood B+ Bus
Figure 6:

Fuse Block - Underhood IGN 2 Fuse


Object Number: 1219576  Size: FS
Master Electrical Component List
Fuse Block - Underhood F/INJR Fuse
Fuse Block - Underhood IGN 1 Fuse
Fuse Block-Underhood B+ Bus
Figure 7:

Fuse Block - Underhood F/INJR Fuse


Object Number: 1373657  Size: FS
Master Electrical Component List
Fuse Block - Underhood TRANS, ELEK IGN, and OXY SEN Fuses
Fuse Block - Underhood IGN 2 Fuse
Fuse Block-Underhood B+ Bus
Figure 8:

Fuse Block - Underhood TRANS, ELEK IGN, and OXY SEN Fuses


Object Number: 1373663  Size: FS
Master Electrical Component List
Fuse Block - Underhood ENG EMIS Fuse
Fuse Block - Underhood F/INJR Fuse
Fuse Block-Underhood B+ Bus
Figure 9:

Fuse Block - Underhood ENG EMIS Fuse


Object Number: 1373886  Size: FS
Master Electrical Component List
Fuse Block - Underhood HDLP L and R, GEN, ABS, R/CMPT, and ECM Fuses
Fuse Block - Underhood TRANS, ELEK IGN, and OXY SEN Fuses
Fuse Block-Underhood B+ Bus
Figure 10:

Fuse Block - U/H ABS, ECM, GEN, HDLP L and R, and R/CMPT REL Fuses


Object Number: 1470072  Size: FS
Master Electrical Component List
Fuse Block - I/P TRN/SIG, AIRBAG, CLSTR, and PCM, BCM, U/H Fuses, Fuse Block-Underhood CRANK and IGN MAIN Relays
Fuse Block - Underhood ENG EMIS Fuse
Fuse Block-Underhood B+ Bus
Figure 11:

Fuse Block - I/P TRN/SIG, AIRBAG, CLSTR, and PCM, BCM, U/H Fuses, Fuse Block - Underhood CRANK and IGN MAIN Relays


Object Number: 1353732  Size: FS
Master Electrical Component List
Fuse Block - I/P CRNK SIG, BCM, CLSTR, IGN0: CLSTR, PCM, BCM, ABS, and BTSI Fuses
Fuse Block - Underhood HDLP L and R, GEN, ABS, R/CMPT, and ECM Fuses
Figure 12:

Fuse Block - I/P CRNK SIG, BCM, CLSTR, IGN 0: CLSTR, PCM, BCM, ABS and BTSI Fuses


Object Number: 1373925  Size: FS
Master Electrical Component List
Fuse Block - Underhood LP PARK Fuse, Fuse Block - I/P PRK/LGHT Fuse and PWR WNDW PWR S/ROOF Circuit Breaker
Fuse Block - I/P TRN/SIG, AIRBAG, CLSTR, and PCM, BCM, U/H Fuses, Fuse Block-Underhood CRANK and IGN MAIN Relays
Figure 13:

Fuse Block - Underhood LP PARK Fuse, Fuse Block - I/P PRK/LGHT Fuse and PWR WNDW PWR S/ROOF Circuit Breaker


Object Number: 1373931  Size: FS
Master Electrical Component List
Fuse Block - I/P R/LAMPS and INT/ILLUM Fuses
Fuse Block - I/P CRNK SIG, BCM, CLSTR, IGN0: CLSTR, PCM, BCM, ABS, and BTSI Fuses
Fuse Block-Underhood B+ Bus
Fuse Block - I/P R/LAMPS and INT/ILLUM Fuses
Figure 14:

Fuse Block - I/P R/LAMPS and INT/ILLUM Fuses


Object Number: 1219615  Size: FS
Master Electrical Component List
Fuse Block - I/P WPR, BCM ACCY, and STR/WHL/CNTRL Fuses
Fuse Block - Underhood LP PARK Fuse, Fuse Block - I/P PRK/LGHT Fuse and PWR WNDW PWR S/ROOF Circuit Breaker
Fuse Block - Underhood LP PARK Fuse, Fuse Block - I/P PRK/LGHT Fuse and PWR WNDW PWR S/ROOF Circuit Breaker
I/P Dimmer Switch, HVAC, and IPC
Fuse Block - I/P WPR, BCM ACCY, and STR/WHL/CNTRL Fuses
Figure 15:

Fuse Block - I/P WPR, BCM ACCY, and STR/WHL/CNTRL Fuses


Object Number: 1219620  Size: FS
Master Electrical Component List
Fuse Block - I/P LOW BLWER, CRUISE, and HVAC Fuses
Fuse Block - I/P R/LAMPS and INT/ILLUM Fuses
Fuse Block - I/P R/LAMPS and INT/ILLUM Fuses
SIR Caution for Zoning
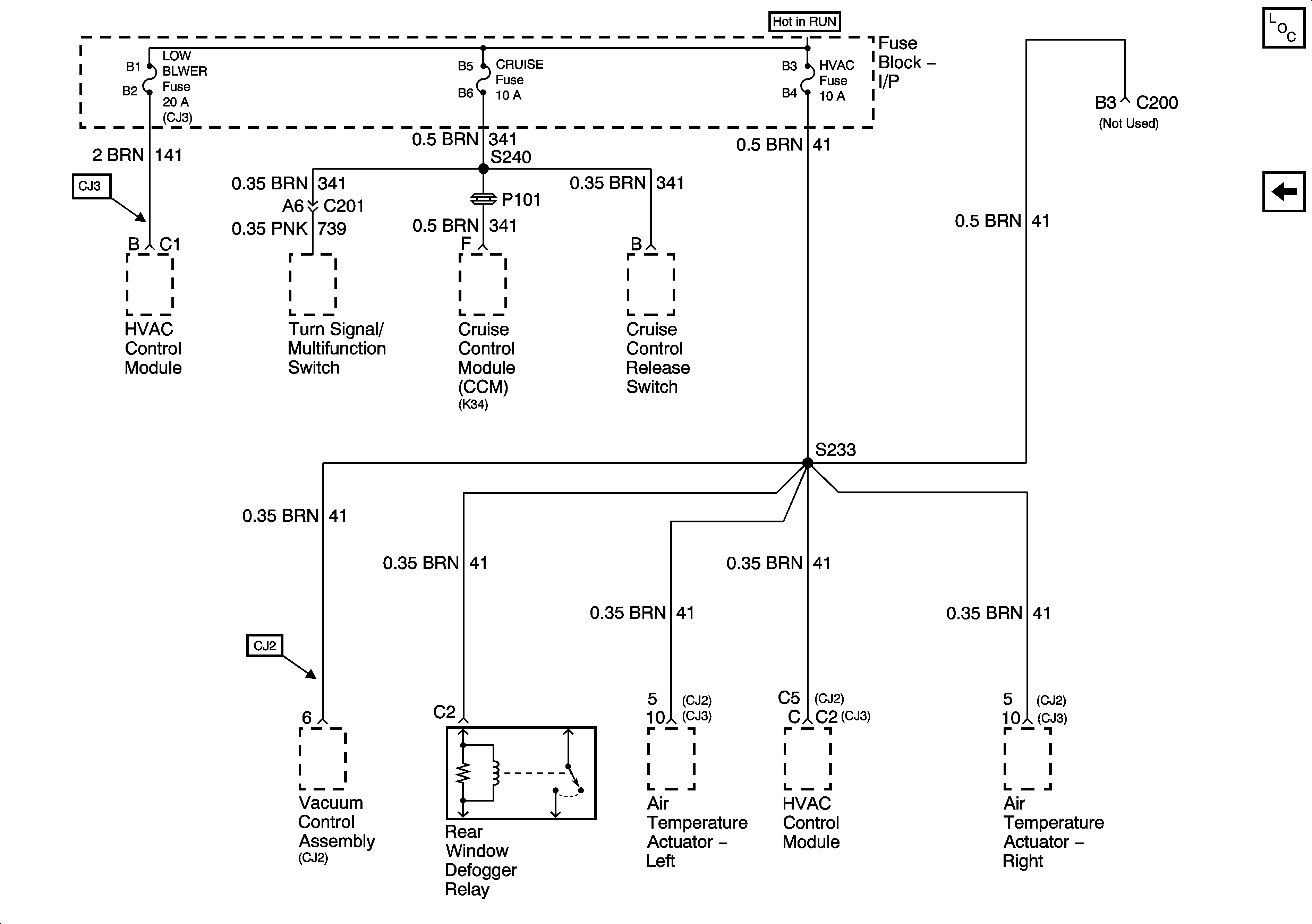
Figure 16:

Fuse Block - I/P LOW BLWER, CRUISE, and HVAC Fuses


Object Number: 1373953  Size: FS
Master Electrical Component List
Fuse Block - I/P WPR, BCM ACCY, and STR/WHL/CNTRL Fuses