GM Service Manual Online
For 1990-2009 cars only
Makes
🢒
Buick
🢒
1999
🢒
Century (China) (CNG)
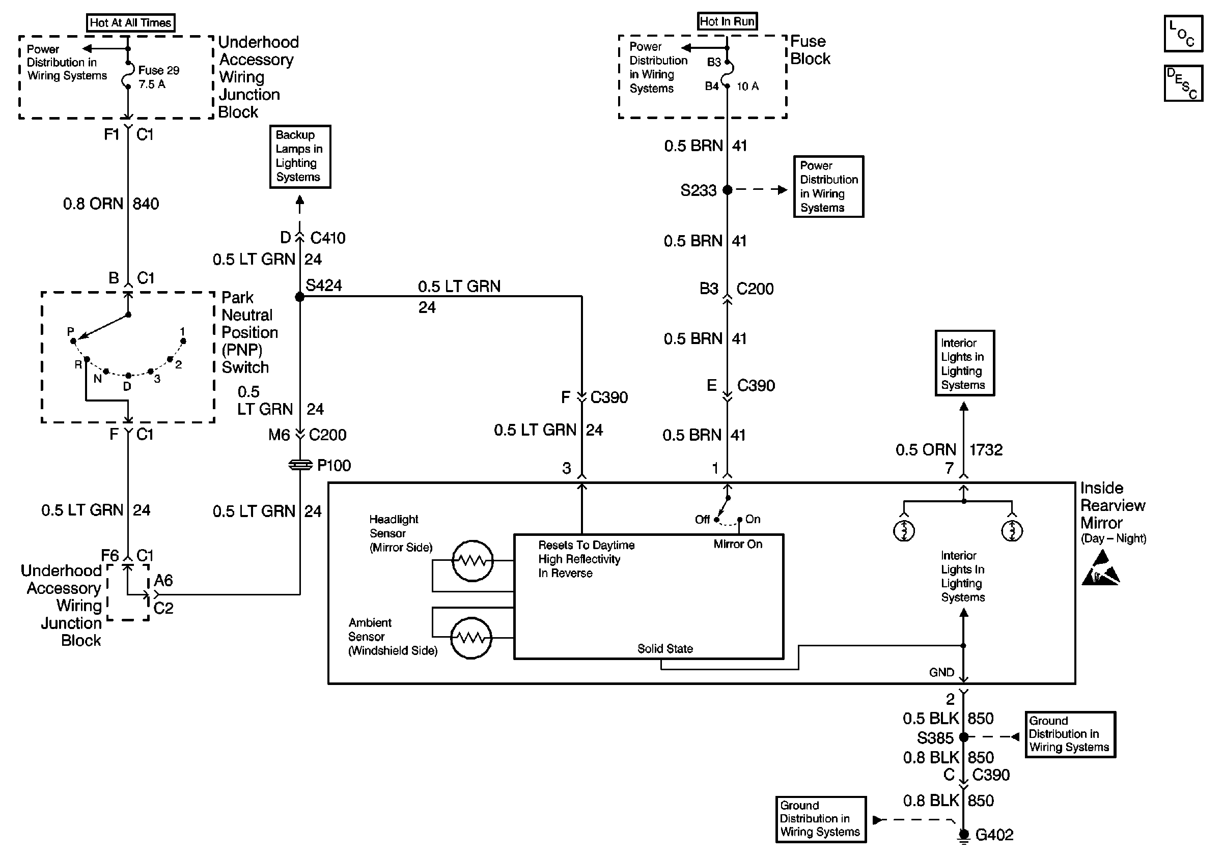
🢒 99 Buick China Auto-Day/Night Mirror L46
99 Buick China Auto-Day/Night Mirror L46