GM Service Manual Online
For 1990-2009 cars only
Figure 1:

Module Power, Ground, Serial Data, and MIL


Object Number: 1423722  Size: FS
Master Electrical Component List
Engine Control Module Description
Control Module References
5 Volt and Low Reference, Page 1 of 2
OBD II Symbol Description Notice
Ignition Switch
G115 (LY7)
Fuse Block - Underhood B+ Bus
Fuse Block - Underhood ABS, TRANS SOL, PCM, SIR, and DISPLAY Fuses, CRANK Relay, and Fuse Block - I/P CRUISE SW Fuse
Ignition Switch
Fuse Block - Underhood ABS, TRANS SOL, PCM, SIR, and DISPLAY Fuses, CRANK Relay, and Fuse Block - I/P CRUISE SW Fuse
LY7
TCM Power, Ground, and Serial Data (LY7)
G115 (LY7)
G101, G102, G103, G111, G112, and G113
Figure 2:

5-Volt and Low Reference - 1 of 2


Object Number: 1423750  Size: FS
Master Electrical Component List
Engine Control Module Description
Control Module References
5 Volt and Low Reference, Page 2 of 2
Module Power, Ground, Serial Data, and MIL
OBD II Symbol Description Notice
Figure 3:

5-Volt and Low Reference - 2 of 2


Object Number: 1423752  Size: FS
Master Electrical Component List
Engine Control Module Description
Control Module References
Pressure and Temperature Sensors
5 Volt and Low Reference, Page 1 of 2
OBD II Symbol Description Notice
Figure 4:

Pressure and Temperature Sensors


Object Number: 1423754  Size: FS
Master Electrical Component List
Air Intake System Description
Control Module References
MAF, VSS and Stop Lamp Switch
5 Volt and Low Reference, Page 2 of 2
OBD II Symbol Description Notice
5 Volt and Low Reference, Page 2 of 2
Indicators (UH8)
5 Volt and Low Reference, Page 2 of 2
Figure 5:

MAF, VSS and Stop Lamp Switch


Object Number: 1423756  Size: FS
Master Electrical Component List
Air Intake System Description
Control Module References
Oxygen Sensors
Pressure and Temperature Sensors
OBD II Symbol Description Notice
Fuse Block - Underhood B+ Bus
Fuse Block - Underhood ETC, ELEK IGN (L26), FUEL INJ (L26), 02 SSR (L26), and EMISSION Fuses
Turn Signal, Hazard, and Stop Lamps Outputs
Fuse Block - Underhood ETC, ELEK IGN (L26), FUEL INJ (L26), 02 SSR (L26), and EMISSION Fuses
Shift and TCC Solenoid Valves, TFT Sensor, and Stop Lamp Switch (LY7)
Indicators, Stop Lamp, Traction Controls, and Serial Data
5 Volt and Low Reference, Page 1 of 2
Rear Parking Assist Schematics
Figure 6:

Oxygen Sensors


Object Number: 1423790  Size: FS
Master Electrical Component List
Engine Control Module Description
Control Module References
Electronic Throttle Controls
MAF, VSS and Stop Lamp Switch
OBD II Symbol Description Notice
Fuse Block - Underhood B+ Bus
Fuse Block - Underhood ETC, ELEK IGN (L26), FUEL INJ (L26), 02 SSR (L26), and EMISSION Fuses
Fuse Block - Underhood ETC, ELEK IGN (L26), FUEL INJ (L26), 02 SSR (L26), and EMISSION Fuses
Fuse Block - Underhood ELEK IGN, FUEL INJ, and 02 SSR Fuses (LY7)
Engine Controls Schematic Icons
Engine Controls Schematic Icons
Figure 7:

Electronic Throttle Controls


Object Number: 1423797  Size: FS
Master Electrical Component List
Throttle Actuator Control (TAC) System Description
Control Module References
Ignition Controls - Bank 1 (Odd) Ignition Coils
Oxygen Sensors
OBD II Symbol Description Notice
Engine Controls Schematic Icons
Figure 8:

Ignition Controls - Bank 1 (Odd) Ignition Coils


Object Number: 1423800  Size: FS
Master Electrical Component List
Electronic Ignition (EI) System Description
Control Module References
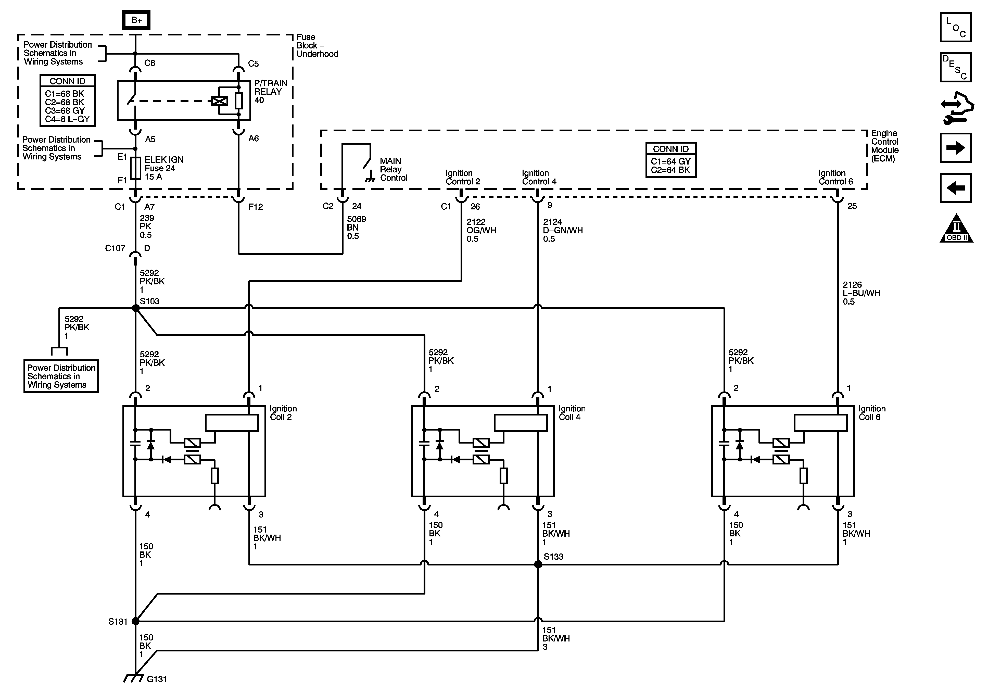
Ignition Controls - Bank 2 (Even) Ignition Coils
Electronic Throttle Controls
OBD II Symbol Description Notice
Fuse Block - Underhood B+ Bus
Fuse Block - Underhood ELEK IGN, FUEL INJ, and 02 SSR Fuses (LY7)
Fuse Block - Underhood ELEK IGN, FUEL INJ, and 02 SSR Fuses (LY7)
G130, G131 - LY7
Figure 9:

Ignition Controls - Bank 2 (Even) Ignition Coils


Object Number: 1424239  Size: FS
Master Electrical Component List
Electronic Ignition (EI) System Description
Control Module References
Knock and CKP Sensors and Engine Speed
Ignition Controls - Bank 1 (Odd) Ignition Coils
OBD II Symbol Description Notice
Fuse Block - Underhood B+ Bus
Fuse Block - Underhood ELEK IGN, FUEL INJ, and 02 SSR Fuses (LY7)
Fuse Block - Underhood ELEK IGN, FUEL INJ, and 02 SSR Fuses (LY7)
G130, G131 - LY7
Figure 10:

Ignition Controls - Knock and CKP Sensors and Engine Speed


Object Number: 1424263  Size: FS
Master Electrical Component List
Knock Sensor (KS) System Description
Control Module References
Ignition Controls - CMP Sensors and Solenoids
Ignition Controls - Bank 2 (Even) Ignition Coils
OBD II Symbol Description Notice
Indicators, Stop Lamp, Traction Controls, and Serial Data
Engine Controls Schematic Icons
Engine Controls Schematic Icons
Figure 11:

Ignition Controls - CMP Sensors and Solenoids


Object Number: 1424283  Size: FS
Master Electrical Component List
Camshaft Actuator System Description
Control Module References
Fuel Controls - Fuel Pump and Injectors
Knock and CKP Sensors and Engine Speed
OBD II Symbol Description Notice
Fuse Block - Underhood B+ Bus
Fuse Block - Underhood ELEK IGN, FUEL INJ, and 02 SSR Fuses (LY7)
Fuse Block - Underhood ELEK IGN, FUEL INJ, and 02 SSR Fuses (LY7)
5 Volt and Low Reference, Page 2 of 2
Figure 12:

Fuel Controls - Fuel Pump and Injectors


Object Number: 1424285  Size: FS
Master Electrical Component List
Fuel System Description
Control Module References
EVAP Controls
Ignition Controls - CMP Sensors and Solenoids
OBD II Symbol Description Notice
Fuse Block - Underhood ELEK IGN, FUEL INJ, and 02 SSR Fuses (LY7)
G115 (LY7)
Fuse Block - Underhood ELEK IGN, FUEL INJ, and 02 SSR Fuses (LY7)
Power, Ground, Serial Data, and Gages (LY7)
G115 (LY7)
G302
Figure 13:

EVAP Controls


Object Number: 1424315  Size: FS
Master Electrical Component List
Evaporative Emission Control System Description
Control Module References
Module References
Fuel Controls - Fuel Pump and Injectors
OBD II Symbol Description Notice
Fuse Block - Underhood BATT MAIN 1 Fuse, Fuse Block - I/P PK LAMPS, DISPLAYS, CHMSL/BKUP, INT LIGHT, RFA/MOD, RADIO/AMP, ONSTAR/ALDL, HVAC, and CANISTER Fuses and PK LP Relay
Fuse Block - Underhood B+ Bus
Power, Ground, Serial Data, and Gages (LY7)
Fuse Block - Underhood ELEK IGN, FUEL INJ, and 02 SSR Fuses (LY7)
5 Volt and Low Reference, Page 1 of 2
5 Volt and Low Reference, Page 1 of 2
Figure 14:

Module References


Object Number: 1424317  Size: FS
Master Electrical Component List
Engine Control Module Description
Control Module References
Fuel Controls - Fuel Pump and Injectors
OBD II Symbol Description Notice
Compressor Controls and Serial Data (L26)
Engine Cooling Schematics
Indicators, Stop Lamp, Traction Controls, and Serial Data
Starting - LY7
Charging
Indicators (UH8)
L26
Internal Mode Switch (LY7)