| Figure 1: |
Fuse Block - Underhood B+ Bus
|
| Figure 2: |
Ignition Switch
|
| Figure 3: |
BATT MAIN 1, CHMSL/BKUP, CLSTR, CNSTR, HVAC, INT/ILLUM, ONSTAR/ALDL, PRK/LAMP, RDO/AMP, RFA/MOD Fuses
|
| Figure 4: |
BATT MAIN 2, DR/LCK TRUNK, HAZRD, HTD/SEAT, PRK/SWITCH, PWR/MIR, S/ROOF Fuses and PWR/SEAT, PWR/WNDW Circuit Breakers
|
| Figure 5: |
BATT MAIN 3, AIR PUMP, AUX PWR, BATT MAIN 4, ABS MTR, ABS SOL, PCM/ETC, TCM, WASHER/RVC Fuses
|
| Figure 6: |
ABS, DISPLAY, PCM, SIR, SOL, TRANS Fuses, CRUISE (FUSE BLOCK - I/P)
|
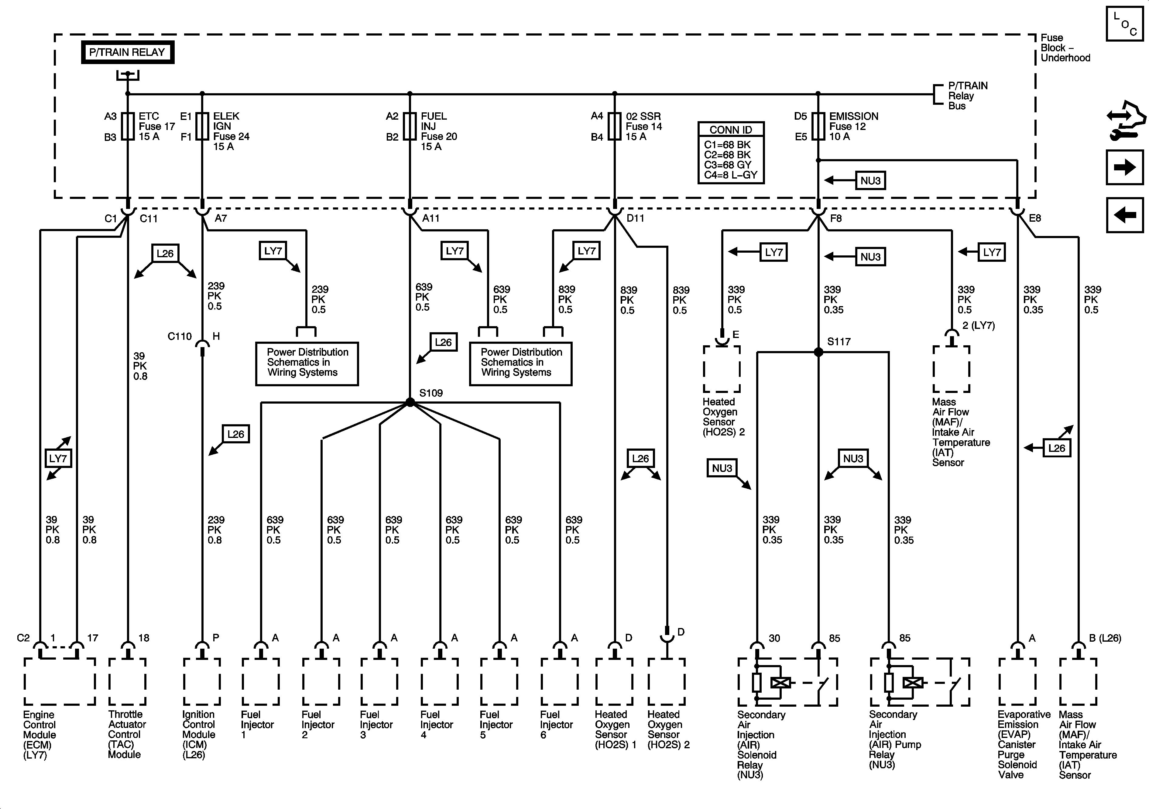
| Figure 7: |
Fuse Block - Underhood ETC, ELEK IGN (L26), FUEL INJ (L26), 02 SSR (L26), and EMISSION Fuses
|
| Figure 8: |
Fuse Block - Underhood ELEK IGN, FUEL INJ, and 02 SSR Fuses (LY7)
|
| Figure 9: |
Fuse Block - Underhood LF LOW BEAM, RF LOW BEAM, LF HI BEAM, RF HI BEAM Fuses, Fuse Block - I/P SPRING COIL 2 Fuse
|