GM Service Manual Online
For 1990-2009 cars only
Makes
🢒
Buick
🢒
2006
🢒
LaCrosse
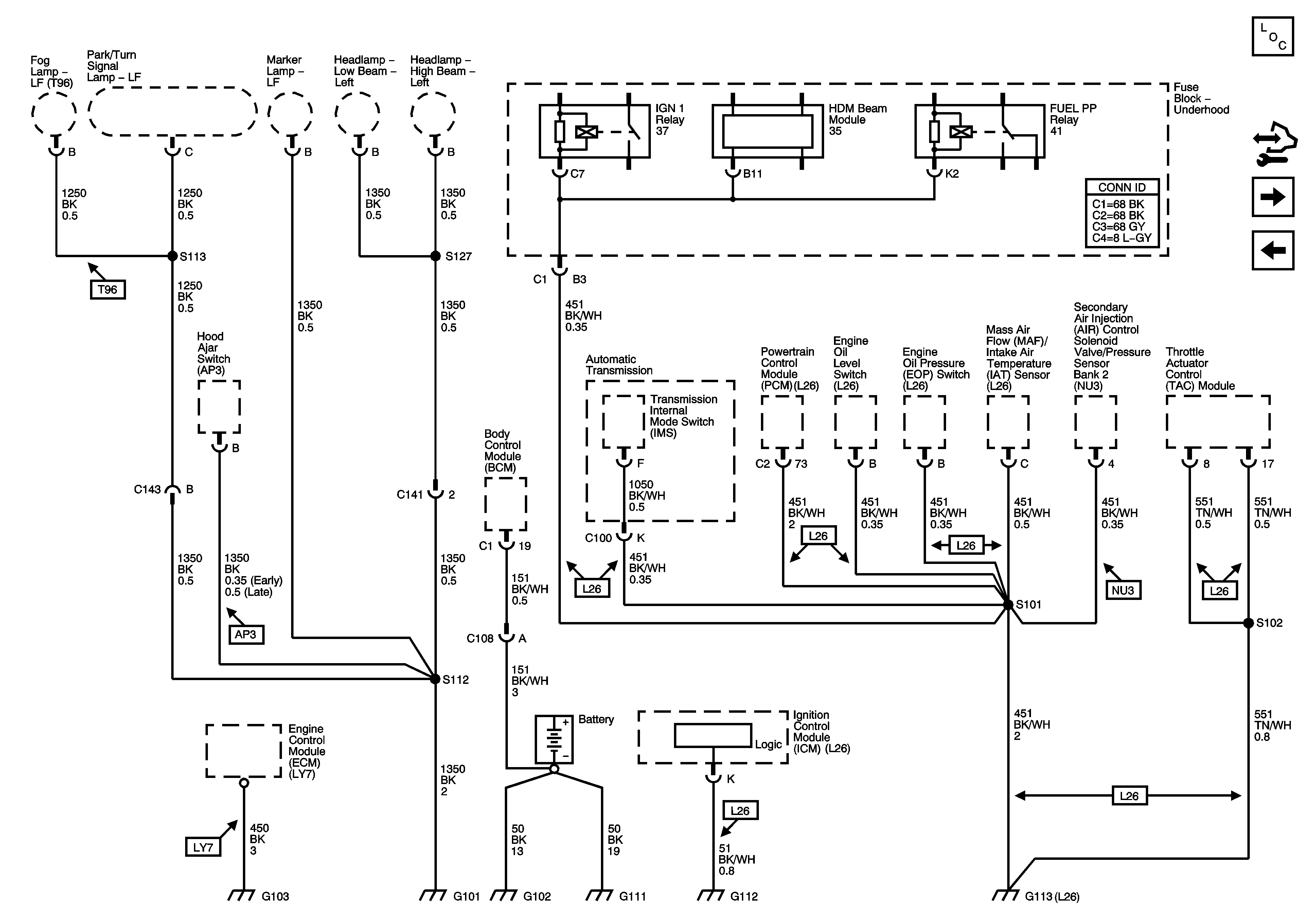
🢒 G101, G102, G103, G111, G112, and G113
G101, G102, G103, G111, G112, and G113
G101, G102, G103, G111, G112, and G113
Master Electrical Component List
Control Module References
G115 (L26)
G100