GM Service Manual Online
For 1990-2009 cars only
Makes
🢒
Buick
🢒
2006
🢒
LaCrosse
🢒 Vehicle Theft Deterrent (VTD) System
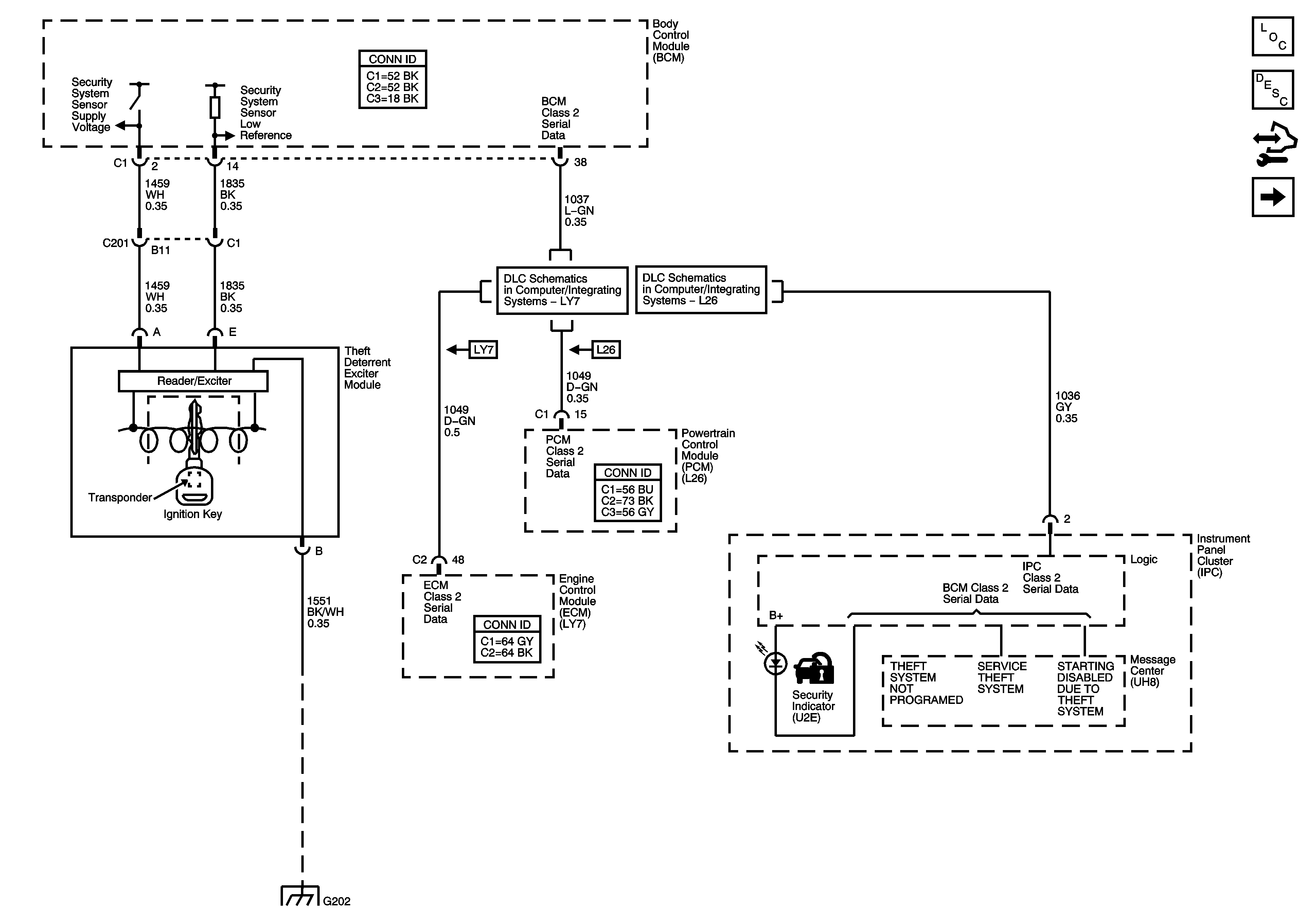
Vehicle Theft Deterrent (VTD) System
Vehicle Theft Deterrent (VTD) System
Master Electrical Component List
Content Theft Deterrent (CTD) Description and Operation
Control Module References
Content Theft Deterrent (CTD) System
Data Link Connector (DLC) Schematics LY7
Data Link Connector (DLC) Schematics L26
G202