GM Service Manual Online
For 1990-2009 cars only

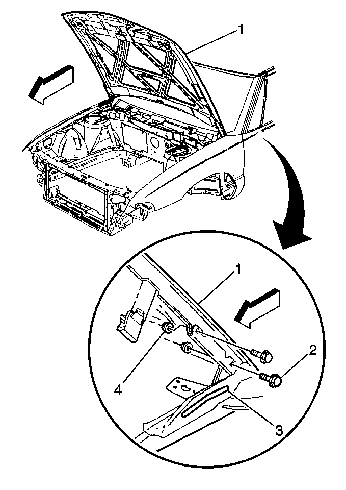
Removal Procedure


    Object Number: 306608  Size: MH

    Important: Install protective coverings over the fenders in order to prevent damage to the paint and the moldings when removing or installing the hood (1).

  1. Raise the hood (1).
  2. Disconnect the underhood lamp wire (if applicable).
  3. Mark the position of the hinge (3) on the hood (1) in order to aid in the alignment when the hood is reinstalled.
  4. Complete the following steps:
  5. 4.1. Support the hood (1).
    4.2. Loosen the ball socket retainers.
    4.3. Pry off the assist rods.
  6. Remove the following components that retain the hood (1) to the hinges:
  7. • The bolts (2)
    • The nuts (4)
  8. Remove the hood (1).

Installation Procedure


    Object Number: 306608  Size: MH
  1. Position the hood (1) in the location marked during the removal.
  2. Notice: Use the correct fastener in the correct location. Replacement fasteners must be the correct part number for that application. Fasteners requiring replacement or fasteners requiring the use of thread locking compound or sealant are identified in the service procedure. Do not use paints, lubricants, or corrosion inhibitors on fasteners or fastener joint surfaces unless specified. These coatings affect fastener torque and joint clamping force and may damage the fastener. Use the correct tightening sequence and specifications when installing fasteners in order to avoid damage to parts and systems.

  3. Install the following components in order to retain the hood (1) to the hinges:
  4. • The bolts (2)
    • The nuts (4)

    Tighten
    Tighten the bolts and the nuts to 29 N·m (21 lb ft).

  5. Install the open-assist rods.
  6. Reconnect the underhood lamp (if applicable).