GM Service Manual Online
For 1990-2009 cars only
Figure 1:

Cell 30: Starter Controls


Object Number: 374552  Size: FS
Engine Electrical Components
Starting System Circuit Description
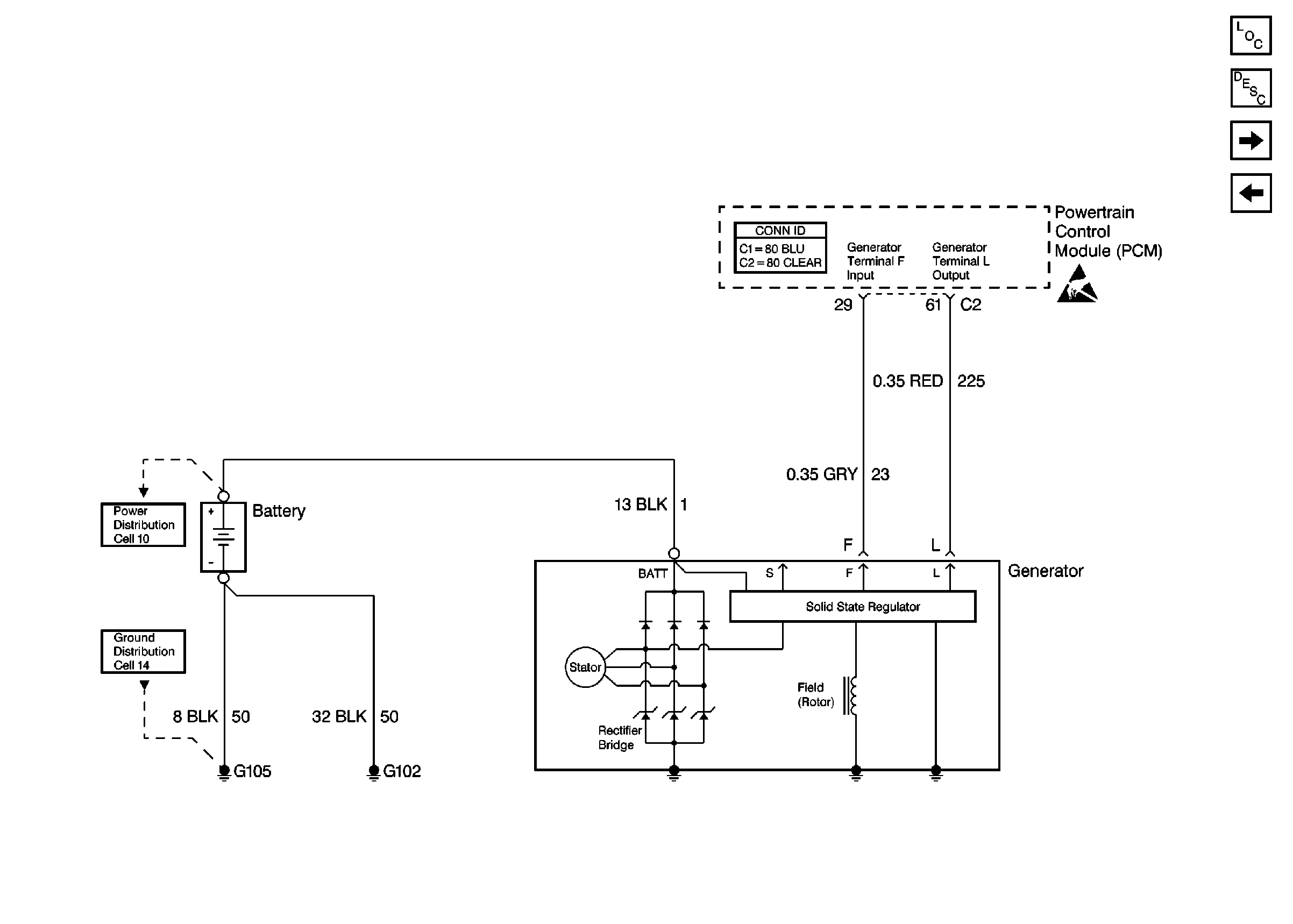
Cell 30: Generator Controls
Handling ESD Sensitive Parts Notice
Engine Electrical Schematic References
Engine Electrical Schematic References
Engine Electrical Schematic References
Engine Electrical Schematic References
Engine Electrical Schematic References
Engine Electrical Schematic References
Figure 2:

Cell 30: Generator Controls


Object Number: 374553  Size: FS
Engine Electrical Components
Charging System Circuit Description
Cell 30: Starter Controls
Cell 30: VOLT Indicator Controls
Handling ESD Sensitive Parts Notice
Engine Electrical Schematic References
Engine Electrical Schematic References
Powertrain Control Module Connector End Views
Figure 3:

Cell 30: VOLT Indicator Controls


Object Number: 374554  Size: FS
Engine Electrical Components
Charging System Circuit Description
Cell 30: Generator Controls
Handling ESD Sensitive Parts Notice
Handling ESD Sensitive Parts Notice
Handling ESD Sensitive Parts Notice
Handling ESD Sensitive Parts Notice
Handling ESD Sensitive Parts Notice
Engine Electrical Schematic References
Engine Electrical Schematic References
Engine Electrical Schematic References
Engine Electrical Schematic References
Engine Electrical Schematic References
Engine Electrical Schematic References
Engine Electrical Schematic References
Engine Electrical Schematic References
Engine Electrical Schematic References
Engine Electrical Schematic References
Engine Electrical Schematic References
Powertrain Control Module Connector End Views