GM Service Manual Online
For 1990-2009 cars only

Exterior Lights Schematics Buick

Figure 1:

Cell 110: Headlamp Switch, RFA, and Park Lamp Control


Object Number: 343674  Size: FS
Lighting Systems Components
Exterior Lights Circuit Description
Cell 110: Turn/Hazard Switch and Stoplamp/BTSI Switch
Handling ESD Sensitive Parts Notice
Handling ESD Sensitive Parts Notice
Power Distribution Schematics
Power Distribution Schematics
Power Distribution Schematics
Ground Distribution Schematics
Ground Distribution Schematics
Power Distribution Schematics
Ground Distribution Schematics
Lighting Systems Connector End Views
Ground Distribution Schematics
Figure 2:

Cell 110: Turn/Hazard Switch and Stoplamp/BTSI Switch


Object Number: 375193  Size: FS
Lighting Systems Components
Exterior Lights Circuit Description
Cell 110: Front Park/Turn and Side Marker Lamps, Turn Indicators
Cell 110: Headlamp Switch, RFA, and Park Lamp Control
Ground Distribution Schematics
Antilock Brake System Schematics
Cruise Control Schematics
Tilt Wheel/Column Connector End Views
Power Distribution Schematics
Power Distribution Schematics
Audible Warnings Schematics
Power Distribution Schematics
Cell 110: Front Park/Turn and Side Marker Lamps, Turn Indicators
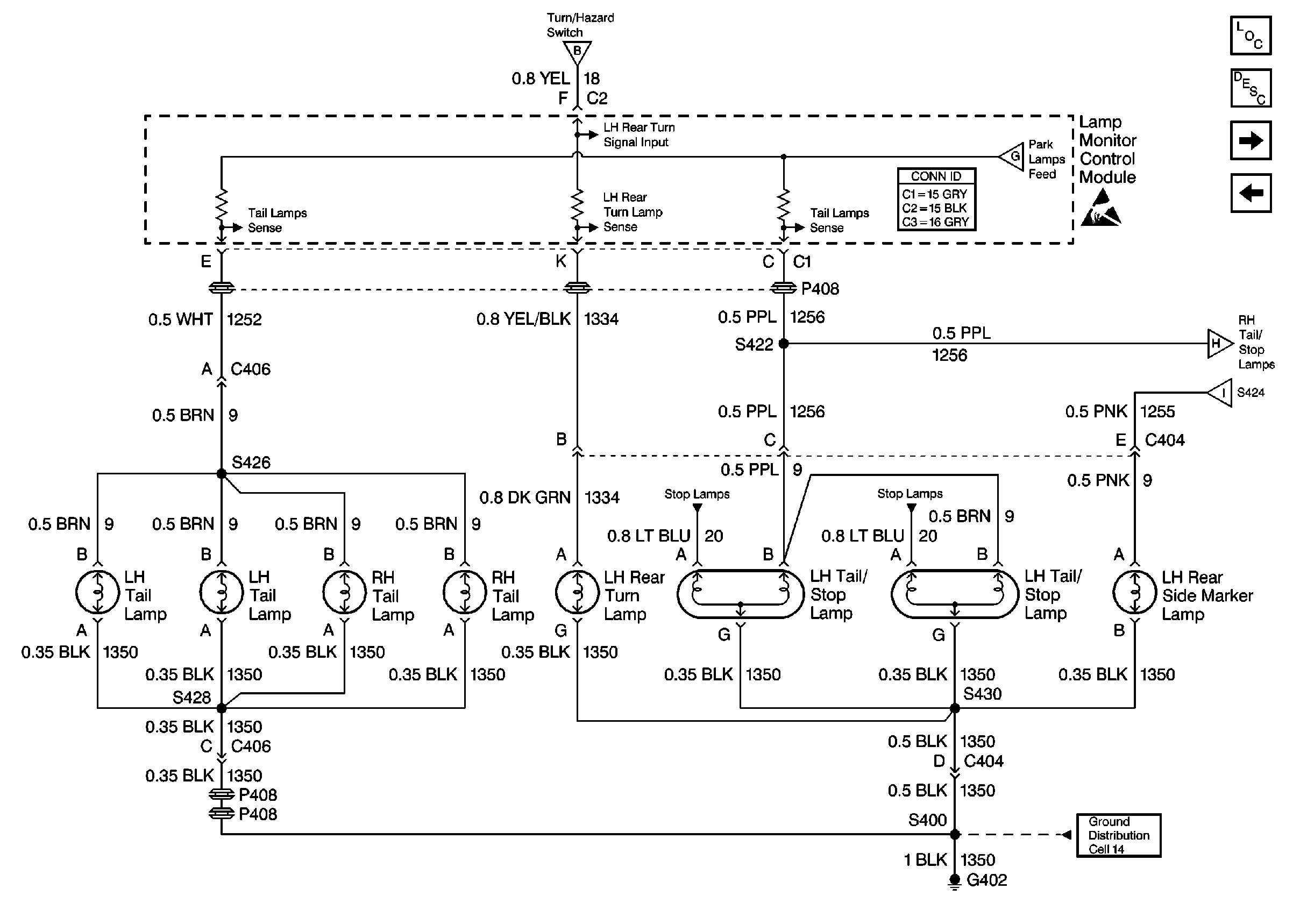
Cell 110: Tail/Stop/Turn, Tail, and Rear Side Marker Lamps
Cell 110: Tail/Stop/Turn, Tail, and Rear Side Marker Lamps
Cell 110: Front Park/Turn and Side Marker Lamps, Turn Indicators
Figure 3:

Cell 110: Front Park/Turn and Side Marker Lamps, Turn Indicators


Object Number: 343716  Size: FS
Lighting Systems Components
Exterior Lights Circuit Description
Cell 110: Tail/Stop/Turn, Tail, and Rear Side Marker Lamps
Cell 110: Turn/Hazard Switch and Stoplamp/BTSI Switch
Handling ESD Sensitive Parts Notice
Cell 110: Turn/Hazard Switch and Stoplamp/BTSI Switch
Power Distribution Schematics
Ground Distribution Schematics
Ground Distribution Schematics
Cell 110: Turn/Hazard Switch and Stoplamp/BTSI Switch
Handling ESD Sensitive Parts Notice
Cell 110: Tail/Stop/Turn, Tail, and Rear Side Marker Lamps
Figure 4:

Cell 110: Tail/Stop/Turn, Tail, and Rear Side Marker Lamps


Object Number: 343739  Size: FS
Lighting Systems Components
Exterior Lights Circuit Description
Cell 110: Cornering Lamps w/ T87
Cell 110: Front Park/Turn and Side Marker Lamps, Turn Indicators
Cell 110: Turn/Hazard Switch and Stoplamp/BTSI Switch
Cell 110: Turn/Hazard Switch and Stoplamp/BTSI Switch
Power Distribution Schematics
Ground Distribution Schematics
Cell 110: Front Park/Turn and Side Marker Lamps, Turn Indicators
Figure 5:

Cell 110: Cornering Lamps w/ T87


Object Number: 343712  Size: FS
Lighting Systems Components
Exterior Lights Circuit Description
Cell 110: Tail/Stop/Turn, Tail, and Rear Side Marker Lamps
Ground Distribution Schematics
Ground Distribution Schematics
Ground Distribution Schematics
Power Distribution Schematics
Cell 112: Perimeter Lighting Relay, RFA Module
Handling ESD Sensitive Parts Notice

Exterior Lights Schematics Oldsmobile

Figure 1:

Cell 110: Headlamp Switch, RFA,and Park Lamp Control


Object Number: 343669  Size: FS
Lighting Systems Components
Exterior Lights Circuit Description
Cell 110: Turn/Hazard Switch and Stoplamp/BTSI Switch
Handling ESD Sensitive Parts Notice
Power Distribution Schematics
Handling ESD Sensitive Parts Notice
Cell 110: Tail/Stop/Turn, License, and Rear Side Marker Lamps
Lighting Systems Connector End Views
Power Distribution Schematics
Power Distribution Schematics
Cell 103: Fog Lamp Switch, LCM
Ground Distribution Schematics
Power Distribution Schematics
Cell 110: Front Park/Turn and Side Marker Lamps, Turn Indicators
Figure 2:

Cell 110: Turn/Hazard Switch and Stoplamp/BTSI Switch


Object Number: 343677  Size: FS
Lighting Systems Components
Exterior Lights Circuit Description
Cell 110: Front Park/Turn and Side Marker Lamps, Turn Indicators
Cell 110: Headlamp Switch, RFA, and Park Lamp Control
Ground Distribution Schematics
Antilock Brake System Schematics
Cruise Control Schematics
Tilt Wheel/Column Connector End Views
Cell 110: Front Park/Turn and Side Marker Lamps, Turn Indicators
Power Distribution Schematics
Cell 110: Tail/Stop/Turn, License, and Rear Side Marker Lamps
Cell 110: Tail/Stop/Turn, License, and Rear Side Marker Lamps
Power Distribution Schematics
Power Distribution Schematics
Cell 110: Front Park/Turn and Side Marker Lamps, Turn Indicators
Figure 3:

Cell 110: Front Park/Turn and Side Marker Lamps, Turn Indicators


Object Number: 343720  Size: FS
Lighting Systems Components
Exterior Lights Circuit Description
Cell 110: Tail/Stop/Turn, License, and Rear Side Marker Lamps
Cell 110: Turn/Hazard Switch and Stoplamp/BTSI Switch
Handling ESD Sensitive Parts Notice
Cell 110: Turn/Hazard Switch and Stoplamp/BTSI Switch
Ground Distribution Schematics
Ground Distribution Schematics
Handling ESD Sensitive Parts Notice
Cell 110: Turn/Hazard Switch and Stoplamp/BTSI Switch
Instrument Cluster and HUD Connector End Views
Cell 110: Headlamp Switch, RFA, and Park Lamp Control
Figure 4:

Cell 110: Tail/Stop/Turn, License, and Rear Side Marker Lamps


Object Number: 343729  Size: FS
Lighting Systems Components
Exterior Lights Circuit Description
Cell 110: Front Park/Turn and Side Marker Lamps, Turn Indicators
Cell 110: Cornering Lamps w/ T87
Cell 110: Turn/Hazard Switch and Stoplamp/BTSI Switch
Ground Distribution Schematics
Cell 110: Headlamp Switch, RFA, and Park Lamp Control
Cell 110: Turn/Hazard Switch and Stoplamp/BTSI Switch
Ground Distribution Schematics
Figure 5:

Cell 110: Cornering Lamps w/ T87


Object Number: 343714  Size: FS
Lighting Systems Components
Exterior Lights Circuit Description
Cell 110: Tail/Stop/Turn, License, and Rear Side Marker Lamps
Power Distribution Schematics
Power Distribution Schematics
Ground Distribution Schematics
Ground Distribution Schematics
Ground Distribution Schematics

Exterior Lights Schematics Pontiac w/ UB3

Figure 1:

Cell 110: Headlamp Switch, RFA and Park Lamp Control


Object Number: 343672  Size: FS
Lighting Systems Components
Exterior Lights Circuit Description
Cell 110: Turn/Hazard Switch
Handling ESD Sensitive Parts Notice
Power Distribution Schematics
Handling ESD Sensitive Parts Notice
Lighting Systems Connector End Views
Fog Lights Schematics Pontiac
Power Distribution Schematics
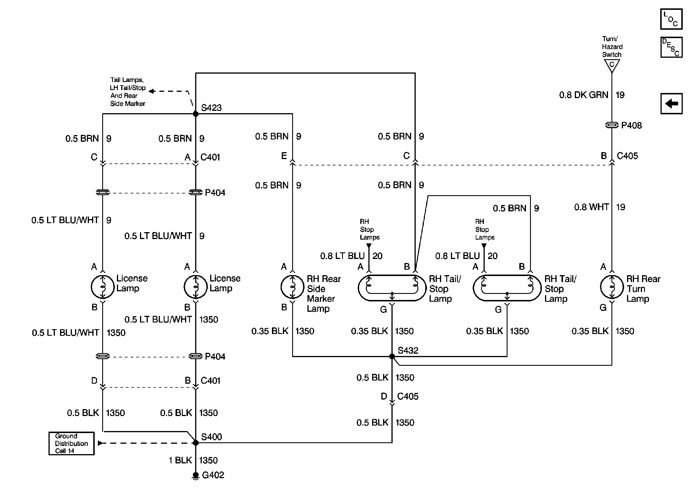
Cell 110: Tail, Rear Turn and Rear Side Marker Lamps
Power Distribution Schematics
Power Distribution Schematics
Cell 110: Front Park/Turn and Side Marker Lamps, Turn Indicators
Figure 2:

Cell 110: Turn/Hazard Switch


Object Number: 343679  Size: FS
Lighting Systems Components
Exterior Lights Circuit Description
Cell 110: Stoplamp/BTSI Switch
Cell 110: Headlamp Switch, RFA and Park Lamp Control
Cell 110: Front Park/Turn and Side Marker Lamps, Turn Indicators
Power Distribution Schematics
Cell 110: Tail and License Lamps
Power Distribution Schematics
Cell 110: Tail, Rear Turn and Rear Side Marker Lamps
Cell 110: Front Park/Turn and Side Marker Lamps, Turn Indicators
Power Distribution Schematics
Audible Warnings Schematics
Power Distribution Schematics
Figure 3:

Cell 110: Stoplamp/BTSI Switch


Object Number: 343709  Size: FS
Lighting Systems Components
Exterior Lights Circuit Description
Cell 110: Front Park/Turn and Side Marker Lamps, Turn Indicators
Cell 110: Turn/Hazard Switch
Power Distribution Schematics
Antilock Brake System Schematics
Cruise Control Schematics
Power Distribution Schematics
Ground Distribution Schematics
Tilt Wheel/Column Connector End Views
Figure 4:

Cell 110: Front Park/Turn and Side Marker Lamps,Turn Indicators


Object Number: 343723  Size: FS
Lighting Systems Components
Exterior Lights Circuit Description
Cell 110: Tail, Rear Turn and Rear Side Marker Lamps
Cell 110: Stoplamp/BTSI Switch
Handling ESD Sensitive Parts Notice
Cell 110: Turn/Hazard Switch
Handling ESD Sensitive Parts Notice
Ground Distribution Schematics
Ground Distribution Schematics
Cell 110: Turn/Hazard Switch
Handling ESD Sensitive Parts Notice
Handling ESD Sensitive Parts Notice
Cell 110: Headlamp Switch, RFA and Park Lamp Control
Figure 5:

Cell 110: Tail, Rear Turn and Rear Side Marker Lamps


Object Number: 343731  Size: FS
Lighting Systems Components
Exterior Lights Circuit Description
Cell 110: Tail and License Lamps
Cell 110: Front Park/Turn and Side Marker Lamps, Turn Indicators
Cell 110: Headlamp Switch, RFA and Park Lamp Control
Ground Distribution Schematics
Cell 110: Turn/Hazard Switch
Cell 110: Tail and License Lamps
Figure 6:

Cell 110: Tail and License Lamps


Object Number: 343733  Size: FS
Lighting Systems Components
Exterior Lights Circuit Description
Cell 110: Tail, Rear Turn and Rear Side Marker Lamps
Cell 110: Turn/Hazard Switch
Ground Distribution Schematics
Cell 110: Tail, Rear Turn and Rear Side Marker Lamps

Exterior Lights Schematics Pontiac w/ U50 or U2F

Figure 1:

Cell 110: Headlamp Switch, RFA and Park Lamp Control


Object Number: 343726  Size: FS
Lighting Systems Components
Exterior Lights Circuit Description
Cell 110: Turn/Hazard Switch
Handling ESD Sensitive Parts Notice
Power Distribution Schematics
Handling ESD Sensitive Parts Notice
Lighting Systems Connector End Views
Cell 103: Fog Lamp Switch, LCM
Cell 110: Tail and License Lamps
Power Distribution Schematics
Cell 110: Front Park/Turn and Rear Side Marker Lamps, Turn Indicators
Power Distribution Schematics
Power Distribution Schematics
Figure 2:

Cell 110: Turn/Hazard Switch


Object Number: 343679  Size: FS
Lighting Systems Components
Exterior Lights Circuit Description
Cell 110: Stoplamp/BTSI Switch
Cell 110: Headlamp Switch, RFA and Park Lamp Control
Cell 110: Front Park/Turn and Rear Side Marker Lamps, Turn Indicators
Power Distribution Schematics
Cell 110: Tail and License Lamps
Power Distribution Schematics
Cell 110: Tail, Rear Turn and Rear Side Marker Lamps
Power Distribution Schematics
Cell 110: Front Park/Turn and Rear Side Marker Lamps, Turn Indicators
Audible Warnings Schematics
Power Distribution Schematics
Figure 3:

Cell 110: Stoplamp/BTSI Switch


Object Number: 343666  Size: FS
Lighting Systems Components
Exterior Lights Circuit Description
Cell 110: Front Park/Turn and Rear Side Marker Lamps, Turn Indicators
Cell 110: Turn/Hazard Switch
Handling ESD Sensitive Parts Notice
Power Distribution Schematics
Power Distribution Schematics
Tilt Wheel/Column Connector End Views
Lighting Systems Connector End Views
Cruise Control Schematics
Ground Distribution Schematics
Antilock Brake System Schematics
Figure 4:

Cell 110: Front Park/Turn and Rear Side Marker Lamps, Turn Indicators


Object Number: 343719  Size: FS
Lighting Systems Components
Exterior Lights Circuit Description
Cell 110: Tail, Rear Turn and Rear Side Marker Lamps
Cell 110: Stoplamp/BTSI Switch
Handling ESD Sensitive Parts Notice
Cell 110: Turn/Hazard Switch
Cell 110: Headlamp Switch, RFA and Park Lamp Control
Lighting Systems Connector End Views
Ground Distribution Schematics
Ground Distribution Schematics
Cell 110: Turn/Hazard Switch
Instrument Cluster and HUD Connector End Views
Handling ESD Sensitive Parts Notice
Figure 5:

Cell 110: Tail, Rear Turn and Rear Side Marker Lamps


Object Number: 343735  Size: FS
Lighting Systems Components
Exterior Lights Circuit Description
Cell 110: Tail and License Lamps
Cell 110: Front Park/Turn and Rear Side Marker Lamps, Turn Indicators
Cell 110: Tail and License Lamps
Cell 110: Tail and License Lamps
Ground Distribution Schematics
Handling ESD Sensitive Parts Notice
Cell 110: Tail and License Lamps
Lighting Systems Connector End Views
Cell 110: Turn/Hazard Switch
Figure 6:

Cell 110: Tail and License Lamps


Object Number: 343738  Size: FS
Lighting Systems Components
Exterior Lights Circuit Description
Cell 110: Tail, Rear Turn and Rear Side Marker Lamps
Cell 110: Tail, Rear Turn and Rear Side Marker Lamps
Handling ESD Sensitive Parts Notice
Cell 110: Turn/Hazard Switch
Cell 110: Headlamp Switch, RFA and Park Lamp Control
Cell 110: Tail, Rear Turn and Rear Side Marker Lamps
Cell 110: Tail, Rear Turn and Rear Side Marker Lamps
Ground Distribution Schematics