GM Service Manual Online
For 1990-2009 cars only

Interior Lights Schematics Buick

Figure 1:

Cell 114: Interior Lamp Switch and Door Open Inputs


Object Number: 343777  Size: FS
Lighting Systems Components
Interior Lights Circuit Description
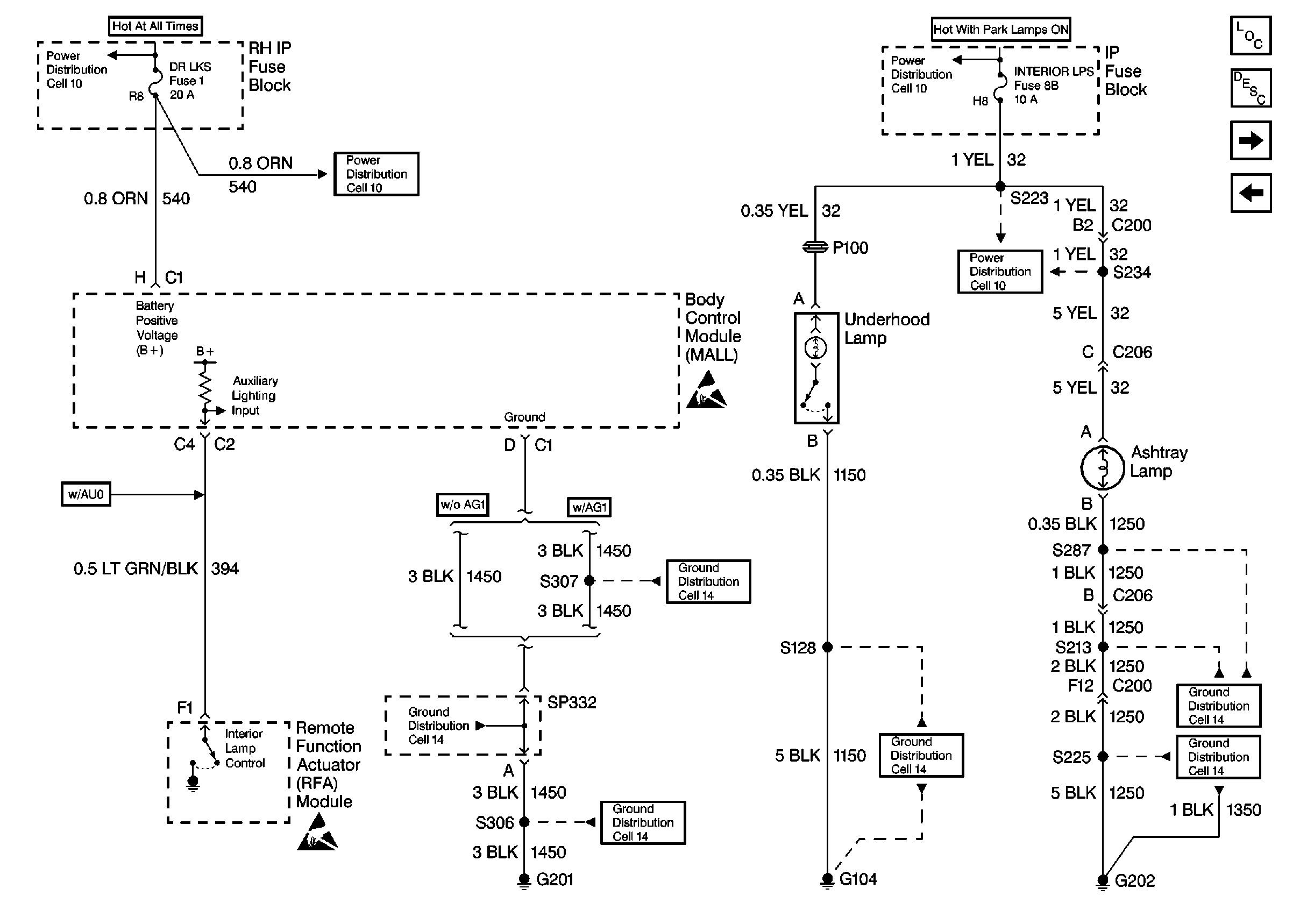
Cell 114: Auxiliary Lighting Input, Underhood Lamp and Ashtray Lamp
Keyless Entry Schematics
Ground Distribution Schematics
Ground Distribution Schematics
Ground Distribution Schematics
Ground Distribution Schematics
Ground Distribution Schematics
Power Distribution Schematics
Power Distribution Schematics
Power Distribution Schematics
Power Distribution Schematics
Power Distribution Schematics
Power Distribution Schematics
Handling ESD Sensitive Parts Notice
Body Control System Connector End Views
Figure 2:

Cell 114: Auxiliary Lighting Input, Underhood Lamp and Ashtray Lamp


Object Number: 343788  Size: FS
Lighting Systems Components
Interior Lights Circuit Description
Cell 114: Door and Foot Well Courtesy Lamps
Cell 114: Interior Lamp Switch and Door Open Inputs
Ground Distribution Schematics
Ground Distribution Schematics
Ground Distribution Schematics
Ground Distribution Schematics
Ground Distribution Schematics
Power Distribution Schematics
Power Distribution Schematics
Power Distribution Schematics
Power Distribution Schematics
Handling ESD Sensitive Parts Notice
Handling ESD Sensitive Parts Notice
Figure 3:

Cell 114: Door and Foot Well Courtesy Lamps


Object Number: 343785  Size: FS
Lighting Systems Components
Interior Lights Circuit Description
Cell 114: Dome/Reading Lamps
Cell 114: Auxiliary Lighting Input, Underhood Lamp and Ashtray Lamp
Cell 114: Vanity Mirrors, IP Compartment Lamp and Console CompartMent Lamp
Cell 114: Dome/Reading Lamps
Cell 114: Dome/Reading Lamps
Handling ESD Sensitive Parts Notice
Handling ESD Sensitive Parts Notice
Body Control System Connector End Views
Figure 4:

Cell 114: Dome/Reading Lamps


Object Number: 343782  Size: FS
Lighting Systems Components
Interior Lights Circuit Description
Cell 114: Vanity Mirrors, IP Compartment Lamp and Console CompartMent Lamp
Cell 114: Door and Foot Well Courtesy Lamps
Body Control System Connector End Views
Ground Distribution Schematics
Ground Distribution Schematics
Cell 114: Door and Foot Well Courtesy Lamps
Cell 114: Vanity Mirrors, IP Compartment Lamp and Console CompartMent Lamp
Cell 114: Door and Foot Well Courtesy Lamps
Cell 114: Vanity Mirrors, IP Compartment Lamp and Console CompartMent Lamp
Handling ESD Sensitive Parts Notice
Handling ESD Sensitive Parts Notice
Important Icon
Important Icon
Important Icon
Important Icon
Figure 5:

Cell 114: Vanity Mirrors, IP Compartment Lamp and Console Compartment Lamp


Object Number: 343783  Size: FS
Lighting Systems Components
Body Control System Connector End Views
Interior Lights Circuit Description
Cell 114: Door and Foot Well Courtesy Lamps
Cell 114: Dome/Reading Lamps
Cell 114: Dome/Reading Lamps
Cell 114: Dome/Reading Lamps
Ground Distribution Schematics
Ground Distribution Schematics
Ground Distribution Schematics
Ground Distribution Schematics
Important Icon
Important Icon
Handling ESD Sensitive Parts Notice

Interior Lights Schematics Oldsmobile

Figure 1:

Cell 114: Interior Lamp Switch and Door Open Inputs


Object Number: 386442  Size: FS
Lighting Systems Components
Interior Lights Circuit Description
Cell 114: Auxiliary Lighting Input
Handling ESD Sensitive Parts Notice
Keyless Entry Schematics
Body Control System Connector End Views
Ground Distribution Schematics
Power Distribution Schematics
Ground Distribution Schematics
Ground Distribution Schematics
Power Distribution Schematics
Power Distribution Schematics
Power Distribution Schematics
Ground Distribution Schematics
Ground Distribution Schematics
Figure 2:

Cell 114: Auxiliary Lighting Input


Object Number: 343779  Size: FS
Lighting Systems Components
Interior Lights Circuit Description
Cell 114: Door and Foot Well Courtesy Lamps, and Rear Compartment Lamp
Cell 114: Interior Lamp Switch and Door Open Inputs
Ground Distribution Schematics
Ground Distribution Schematics
Ground Distribution Schematics
Ground Distribution Schematics
Ground Distribution Schematics
Ground Distribution Schematics
Ground Distribution Schematics
Power Distribution Schematics
Power Distribution Schematics
Handling ESD Sensitive Parts Notice
Handling ESD Sensitive Parts Notice
Figure 3:

Cell 114: Door and Foot Well Courtesy Lamps, and Rear Compartment Lamp


Object Number: 386443  Size: FS
Lighting Systems Components
Interior Lights Circuit Description
Cell 114: Dome/Reading Lamps, Vanity Mirrors, IP Compartment Lamp and Console Compartment Lamp
Cell 114: Auxiliary Lighting Input
Cell 114: Dome/Reading Lamps, Vanity Mirrors, IP Compartment Lamp and Console Compartment Lamp
Cell 114: Dome/Reading Lamps, Vanity Mirrors, IP Compartment Lamp and Console Compartment Lamp
Ground Distribution Schematics
Handling ESD Sensitive Parts Notice
Handling ESD Sensitive Parts Notice
Body Control System Connector End Views
Figure 4:

Cell 114: Dome/Reading Lamps, Vanity Mirrors, IP Compartment Lamp and Console Compartment Lamp


Object Number: 343787  Size: FS
Lighting Systems Components
Interior Lights Circuit Description
Cell 114: Door and Foot Well Courtesy Lamps, and Rear Compartment Lamp
Cell 114: Door and Foot Well Courtesy Lamps, and Rear Compartment Lamp
Cell 114: Door and Foot Well Courtesy Lamps, and Rear Compartment Lamp
Ground Distribution Schematics
Ground Distribution Schematics
Ground Distribution Schematics
Body Control System Connector End Views
Handling ESD Sensitive Parts Notice
Important Icon
Important Icon
Important Icon
Important Icon

Interior Lights Schematics Pontiac

Figure 1:

Cell 114: Interior Lamp Switch and Door Open Inputs


Object Number: 386444  Size: FS
Lighting Systems Components
Interior Lights Circuit Description
Cell 114: Auxiliary Lighting Input
Handling ESD Sensitive Parts Notice
Keyless Entry Schematics
Body Control System Connector End Views
Ground Distribution Schematics
Power Distribution Schematics
Ground Distribution Schematics
Ground Distribution Schematics
Power Distribution Schematics
Power Distribution Schematics
Power Distribution Schematics
Ground Distribution Schematics
Ground Distribution Schematics
Figure 2:

Cell 114: Auxiliary Lighting Input


Object Number: 343779  Size: FS
Lighting Systems Components
Interior Lights Circuit Description
Cell 114: Door and Foot Well Courtesy Lamps
Cell 114: Interior Lamp Switch and Door Open Inputs
Handling ESD Sensitive Parts Notice
Ground Distribution Schematics
Ground Distribution Schematics
Ground Distribution Schematics
Ground Distribution Schematics
Ground Distribution Schematics
Ground Distribution Schematics
Power Distribution Schematics
Handling ESD Sensitive Parts Notice
Ground Distribution Schematics
Power Distribution Schematics
Figure 3:

Cell 114: Door and Foot Well Courtesy Lamps


Object Number: 386445  Size: FS
Lighting Systems Components
Interior Lights Circuit Description
Cell 114: Dome/Reading Lamps and Front Door Courtesy Lamps
Cell 114: Auxiliary Lighting Input
Cell 114: Dome/Reading Lamps and Front Door Courtesy Lamps
Cell 114: Dome/Reading Lamps and Front Door Courtesy Lamps
Handling ESD Sensitive Parts Notice
Handling ESD Sensitive Parts Notice
Body Control System Connector End Views
Figure 4:

Cell 114: Dome/Reading Lamps and Front Door Courtesy Lamps


Object Number: 343791  Size: FS
Lighting Systems Components
Interior Lights Circuit Description
Cell 114: Dome/Reading Lamps and Front Door Courtesy Lamps
Cell 114: Door and Foot Well Courtesy Lamps
Cell 114: Door and Foot Well Courtesy Lamps
Cell 114: Dome/Reading Lamps and Front Door Courtesy Lamps
Cell 114: Dome/Reading Lamps and Front Door Courtesy Lamps
Ground Distribution Schematics
Ground Distribution Schematics
Ground Distribution Schematics
Ground Distribution Schematics
Ground Distribution Schematics
Power Distribution Schematics
Power Distribution Schematics
Body Control System Connector End Views
Handling ESD Sensitive Parts Notice
Important Icon
Important Icon
Important Icon
Figure 5:

Cell 114: Dome/Reading Lamps and Front Door Courtesy Lamps


Object Number: 386449  Size: FS
Lighting Systems Components
Interior Lights Circuit Description
Cell 114: Dome/Reading Lamps and Front Door Courtesy Lamps
Cell 114: Dome/Reading Lamps and Front Door Courtesy Lamps
Cell 114: Door and Foot Well Courtesy Lamps
Cell 114: Dome/Reading Lamps and Front Door Courtesy Lamps
Important Icon
Ground Distribution Schematics
Handling ESD Sensitive Parts Notice
Important Icon
Instrument Cluster: Analog Schematics Pontiac with U50/U2F
Ground Distribution Schematics
Ground Distribution Schematics
Ground Distribution Schematics
Body Control System Connector End Views