GM Service Manual Online
For 1990-2009 cars only

Headlights Schematics Buick

Figure 1:

Cell 100: PWR, GND, RFA, Headlamp Switch and Headlamp Dimmer Switch


Object Number: 343606  Size: FS
Lighting Systems Components
Headlights Circuit Description Buick
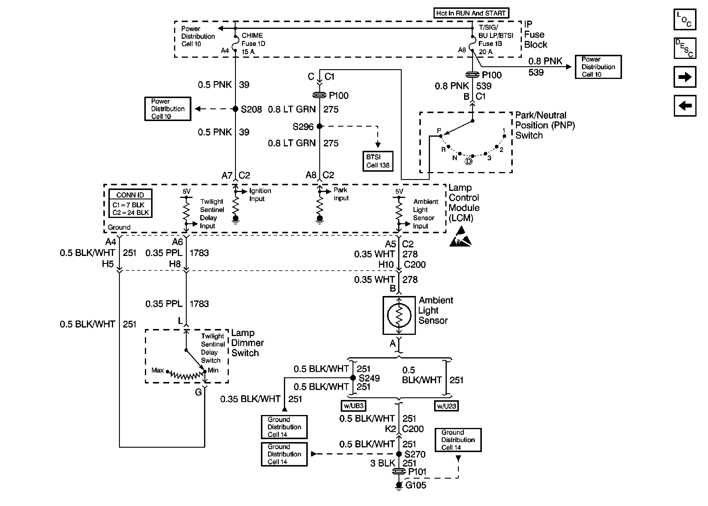
Cell 100: PNP Switch, Twilight Sentinal and Ambient Light Sensor
Lighting Systems Connector End Views
Ground Distribution Schematics
Ground Distribution Schematics
Ground Distribution Schematics
Ground Distribution Schematics
Power Distribution Schematics
Handling ESD Sensitive Parts Notice
Handling ESD Sensitive Parts Notice
Figure 2:

Cell 100: PNP Switch, Twilight Sentinal and Ambient Light Sensor


Object Number: 343611  Size: FS
Lighting Systems Components
Headlights Circuit Description Buick
Cell 100: Headlamps and High Beam Indicator
Cell 100: PWR, GND, RFA, Headlamp Switch and Headlamp Dimmer Switch
Lighting Systems Connector End Views
Ground Distribution Schematics
Ground Distribution Schematics
Ground Distribution Schematics
Power Distribution Schematics
Power Distribution Schematics
Shift Lock Control Schematics
Power Distribution Schematics
Handling ESD Sensitive Parts Notice
Figure 3:

Cell 100: Headlamps and High Beam Indicator


Object Number: 343614  Size: FS
Lighting Systems Components
Headlights Circuit Description Buick
Cell 100: PNP Switch, Twilight Sentinal and Ambient Light Sensor
Ground Distribution Schematics
Ground Distribution Schematics
Ground Distribution Schematics
Ground Distribution Schematics
Ground Distribution Schematics
Lighting Systems Connector End Views
Lighting Systems Connector End Views
Handling ESD Sensitive Parts Notice
Handling ESD Sensitive Parts Notice
Handling ESD Sensitive Parts Notice

Headlights Schematics Oldsmobile

Figure 1:

Cell 100: PWR, Headlamp Switch and Headlamp Control


Object Number: 343645  Size: FS
Lighting Systems Components
Headlights Circuit Description Oldsmobile
Cell 100: Ignition and PNP Switches, RFA, Twilight Sentinal and Ambient Light Sensor
Cell 100: Headlamps and High Beam Indicator
Cell 100: Headlamps and High Beam Indicator
Ground Distribution Schematics
Power Distribution Schematics
Lighting Systems Connector End Views
Handling ESD Sensitive Parts Notice
Figure 2:

Cell 100: Ignition and PNP Switches, RFA, Twilight Sentinal and Ambient Light Sensor


Object Number: 343651  Size: FS
Lighting Systems Components
Headlights Circuit Description Oldsmobile
Cell 100: Headlamps and High Beam Indicator
Cell 100: PWR, Headlamp Switch and Headlamp Control
Ground Distribution Schematics
Shift Lock Control Schematics
Lighting Systems Connector End Views
Ground Distribution Schematics
Ground Distribution Schematics
Ground Distribution Schematics
Ground Distribution Schematics
Power Distribution Schematics
Power Distribution Schematics
Power Distribution Schematics
Power Distribution Schematics
Handling ESD Sensitive Parts Notice
Handling ESD Sensitive Parts Notice
Figure 3:

Cell 100: Headlamps and High Beam Indicator


Object Number: 343652  Size: FS
Lighting Systems Components
Headlights Circuit Description Oldsmobile
Cell 100: Ignition and PNP Switches, RFA, Twilight Sentinal and Ambient Light Sensor
Instrument Cluster and HUD Connector End Views
Lighting Systems Connector End Views
Ground Distribution Schematics
Ground Distribution Schematics
Ground Distribution Schematics
Ground Distribution Schematics
Handling ESD Sensitive Parts Notice
Handling ESD Sensitive Parts Notice
Handling ESD Sensitive Parts Notice
Cell 100: PWR, Headlamp Switch and Headlamp Control
Cell 100: PWR, Headlamp Switch and Headlamp Control

Headlights Schematics Pontiac

Figure 1:

Cell 100: PWR, Headlamp Switch and Headlamp Control


Object Number: 343650  Size: FS
Lighting Systems Components
Headlights Circuit Description Pontiac
Cell 100: Ignition and PNP Switches, RFA, Twilight Sentinal and Ambient Light Sensor
Cell 100: Headlamps w/ U50 or U2F
Cell 100: Headlamps w/ UB3
Handling ESD Sensitive Parts Notice
Lighting Systems Connector End Views
Cell 100: Headlamps w/ UB3
Cell 100: Headlamps w/ U50 or U2F
Power Distribution Schematics
Figure 2:

Cell 100: Ignition and PNP Switches, RFA, Twilight Sentinal and Ambient Light Sensor


Object Number: 375196  Size: FS
Lighting Systems Components
Headlights Circuit Description Pontiac
Cell 100: Headlamps w/ UB3
Cell 100: PWR, Headlamp Switch and Headlamp Control
Handling ESD Sensitive Parts Notice
Handling ESD Sensitive Parts Notice
Ground Distribution Schematics
Ground Distribution Schematics
Ground Distribution Schematics
Ground Distribution Schematics
Power Distribution Schematics
Power Distribution Schematics
Ground Distribution Schematics
Power Distribution Schematics
Power Distribution Schematics
Lighting Systems Connector End Views
Shift Lock Control Schematics
Figure 3:

Cell 100: Headlamps w/ UB3


Object Number: 375198  Size: FS
Lighting Systems Components
Headlights Circuit Description Pontiac
Cell 100: Headlamps w/ U50 or U2F
Cell 100: Ignition and PNP Switches, RFA, Twilight Sentinal and Ambient Light Sensor
Handling ESD Sensitive Parts Notice
Ground Distribution Schematics
Ground Distribution Schematics
Handling ESD Sensitive Parts Notice
Lighting Systems Connector End Views
Cell 100: High Beam Indicator and Head-Up Display (HUD)
Cell 100: PWR, Headlamp Switch and Headlamp Control
Cell 100: PWR, Headlamp Switch and Headlamp Control
Figure 4:

Cell 100: Headlamps w/ U50 or U2F


Object Number: 375197  Size: FS
Lighting Systems Components
Headlights Circuit Description Pontiac
Cell 100: High Beam Indicator and Head-Up Display (HUD)
Cell 100: Headlamps w/ UB3
Handling ESD Sensitive Parts Notice
Handling ESD Sensitive Parts Notice
Ground Distribution Schematics
Ground Distribution Schematics
Handling ESD Sensitive Parts Notice
Lighting Systems Connector End Views
Cell 100: High Beam Indicator and Head-Up Display (HUD)
Cell 100: PWR, Headlamp Switch and Headlamp Control
Cell 100: PWR, Headlamp Switch and Headlamp Control
Lighting Systems Connector End Views
Figure 5:

Cell 100: High Beam Indicator and Head-Up Display (HUD)


Object Number: 375200  Size: FS
Lighting Systems Components
Headlights Circuit Description Pontiac
Cell 100: Headlamps w/ U50 or U2F
Handling ESD Sensitive Parts Notice
Ground Distribution Schematics
Lighting Systems Connector End Views
Handling ESD Sensitive Parts Notice
Ground Distribution Schematics
Cell 100: Headlamps w/ U50 or U2F
Cell 100: Headlamps w/ UB3