GM Service Manual Online
For 1990-2009 cars only

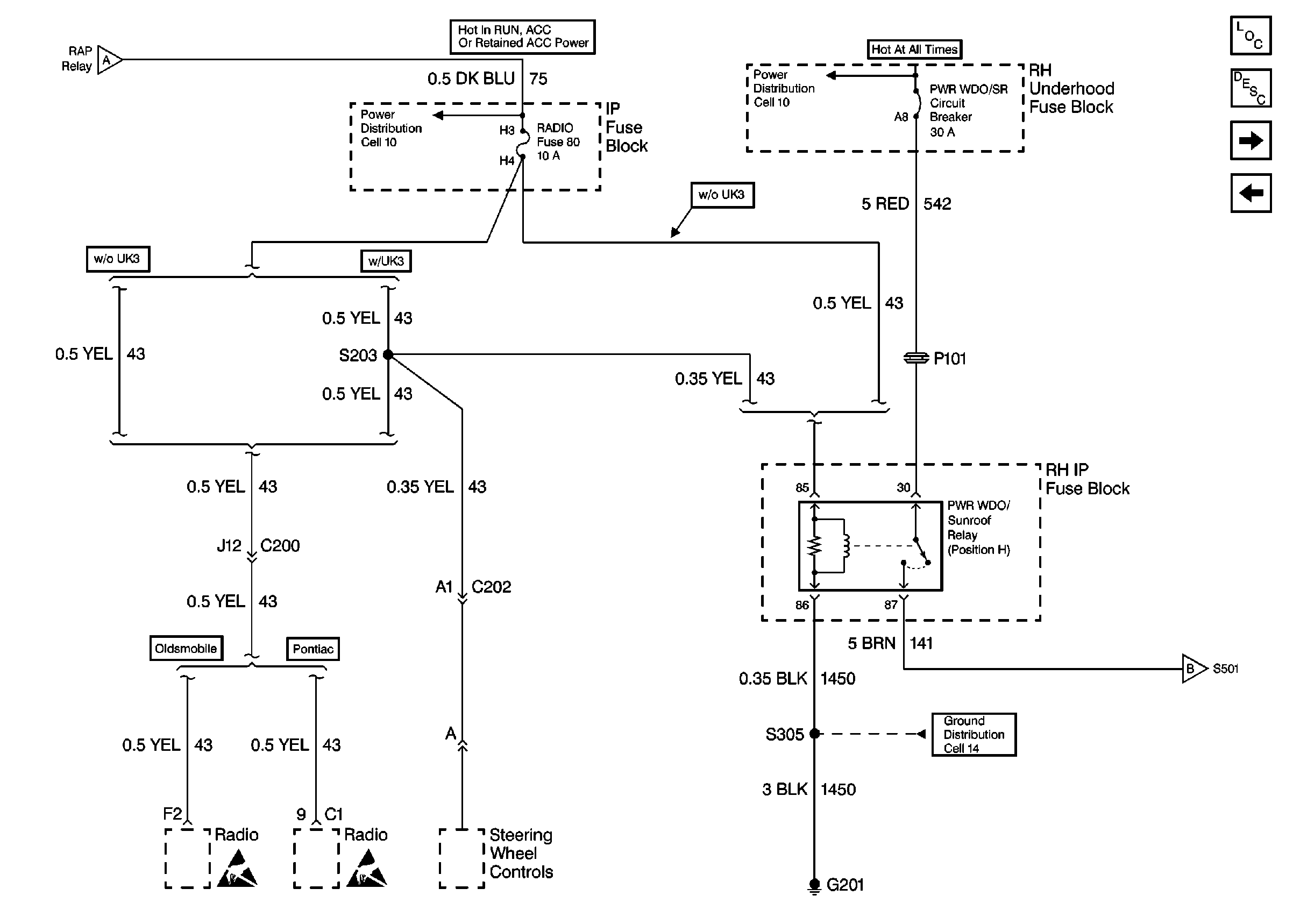
Retained Accessory Power (RAP) Schematics Pontiac/Oldsmobile

Figure 1:

Cell 15: Door Jamb Switches


Object Number: 343600  Size: FS
Retained Accessory Power (RAP) Components
Retained Accessory Power (RAP) Circuit Description
Ignition Switch
Handling ESD Sensitive Parts Notice
Cell 14: G202
Cell 14: G202 Continued
Cell 14: G202 Continued
Audible Warnings Schematics
Cell 10: A/C FEEDBACK, DR LKS, HORN, and RAC/TRUNK REL Fuses
Power Distribution Schematics
Power Distribution Schematics
Figure 2:

Ignition Switch


Object Number: 343602  Size: FS
Retained Accessory Power (RAP) Components
Retained Accessory Power (RAP) Circuit Description
RH Maxi Fuse Block
Cell 15: Door Jamb Switches
Power Distribution Schematics
RH Maxi Fuse Block
Cell 15: Door Jamb Switches
Cell 15: Door Jamb Switches
Figure 3:

RH Maxi Fuse Block


Object Number: 343603  Size: FS
Retained Accessory Power (RAP) Components
Retained Accessory Power (RAP) Circuit Description
Window Switches
Ignition Switch
Window Switches
Ignition Switch
Ground Distribution Schematics
Figure 4:

Window Switches


Object Number: 343605  Size: FS
Retained Accessory Power (RAP) Components
Retained Accessory Power (RAP) Circuit Description
RH Maxi Fuse Block
RH Maxi Fuse Block