GM Service Manual Online
For 1990-2009 cars only

Removal Procedure

    Caution: Unless directed otherwise, the ignition and start switch must be in the OFF or LOCK position, and all electrical loads must be OFF before servicing any electrical component. Disconnect the negative battery cable to prevent an electrical spark should a tool or equipment come in contact with an exposed electrical terminal. Failure to follow these precautions may result in personal injury and/or damage to the vehicle or its components.

  1. Disconnect the negative battery cable. Refer to Battery Negative Cable Disconnection and Connection .
  2. Raise the vehicle. Refer to Lifting and Jacking the Vehicle in General Information.
  3. Remove the torque converter cover. Refer to Torque Converter Cover Replacement in Transaxle.
  4. Remove the transmission cooler line clip from the transmission.

  5. Object Number: 104909  Size: SH
  6. Disconnect the starter motor wiring.

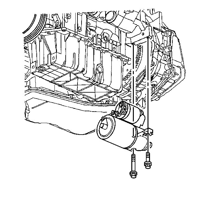
  7. Object Number: 439089  Size: SH
  8. Remove the starter motor mounting bolt closest to the oil pan.
  9. Loosen the remaining starter bolt and remove the starter from the vehicle.

Installation Procedure


    Object Number: 439089  Size: SH

    Notice: Before installing the starter motor to the engine, secure the electrical terminals by tightening the nuts next to the cap on the solenoid battery terminal and on the SD-255 S terminal. If these terminals are not tight in the solenoid cap, the cap may be damaged during installation of the electrical connections and cause the starter to fail later.

  1. Transfer the starter bolt from the old starter if replacement is necessary.
  2. Notice: Use the correct fastener in the correct location. Replacement fasteners must be the correct part number for that application. Fasteners requiring replacement or fasteners requiring the use of thread locking compound or sealant are identified in the service procedure. Do not use paints, lubricants, or corrosion inhibitors on fasteners or fastener joint surfaces unless specified. These coatings affect fastener torque and joint clamping force and may damage the fastener. Use the correct tightening sequence and specifications when installing fasteners in order to avoid damage to parts and systems.

  3. Position and install the starter motor mounting bolts.
  4. Tighten
    Tighten the bolts to 43 N·m (32 lb ft).


    Object Number: 104909  Size: SH
  5. Connect the starter motor BAT terminal wire.
  6. Tighten
    Tighten the BAT terminal nut to 16 N·m (12 lb ft).

  7. Connect the starter motor S terminal wire.
  8. Tighten
    Tighten the S terminal nut to 2.5 N·m (22 lb in).

  9. Install the torque converter cover. Refer to Torque Converter Cover Replacement in Transaxle.
  10. Install the transmission oil cooler clip.
  11. Lower the vehicle.
  12. Connect the negative battery cable. Refer to Battery Negative Cable Disconnection and Connection .