GM Service Manual Online
For 1990-2009 cars only
Figure 1:

G305, G310, G404, and G303


Object Number: 661940  Size: FS
Master Electrical Component List
G100 and G102
Battery Feed to the Underhood Fuse Block
Figure 2:

G100 and G102


Object Number: 661941  Size: FS
Master Electrical Component List
G103
G305, G310, G404, and G303
Figure 3:

G103


Object Number: 661943  Size: FS
Master Electrical Component List
G104 and G105
G100 and G102
Figure 4:

G104 and G105


Object Number: 661946  Size: FS
Master Electrical Component List
G106, G107 and G101
G103
Figure 5:

G106, G107 and G101


Object Number: 661948  Size: FS
Master Electrical Component List
G200 (1 of 2)
G104 and G105
Figure 6:

G200 (1 of 2)


Object Number: 661950  Size: FS
Master Electrical Component List
G200 (2 of 2)
G106, G107 and G101
Figure 7:

G200 (2 of 2)


Object Number: 661951  Size: FS
Master Electrical Component List
G201
G200 (1 of 2)
Figure 8:

G201


Object Number: 661953  Size: FS
Master Electrical Component List
G301 (1 of 2)
G200 (2 of 2)
Figure 9:

G301 (1 of 2)


Object Number: 661954  Size: FS
Master Electrical Component List
G301 (2 of 2)
G201
Figure 10:

G301 (2 of 2)


Object Number: 661956  Size: FS
Master Electrical Component List
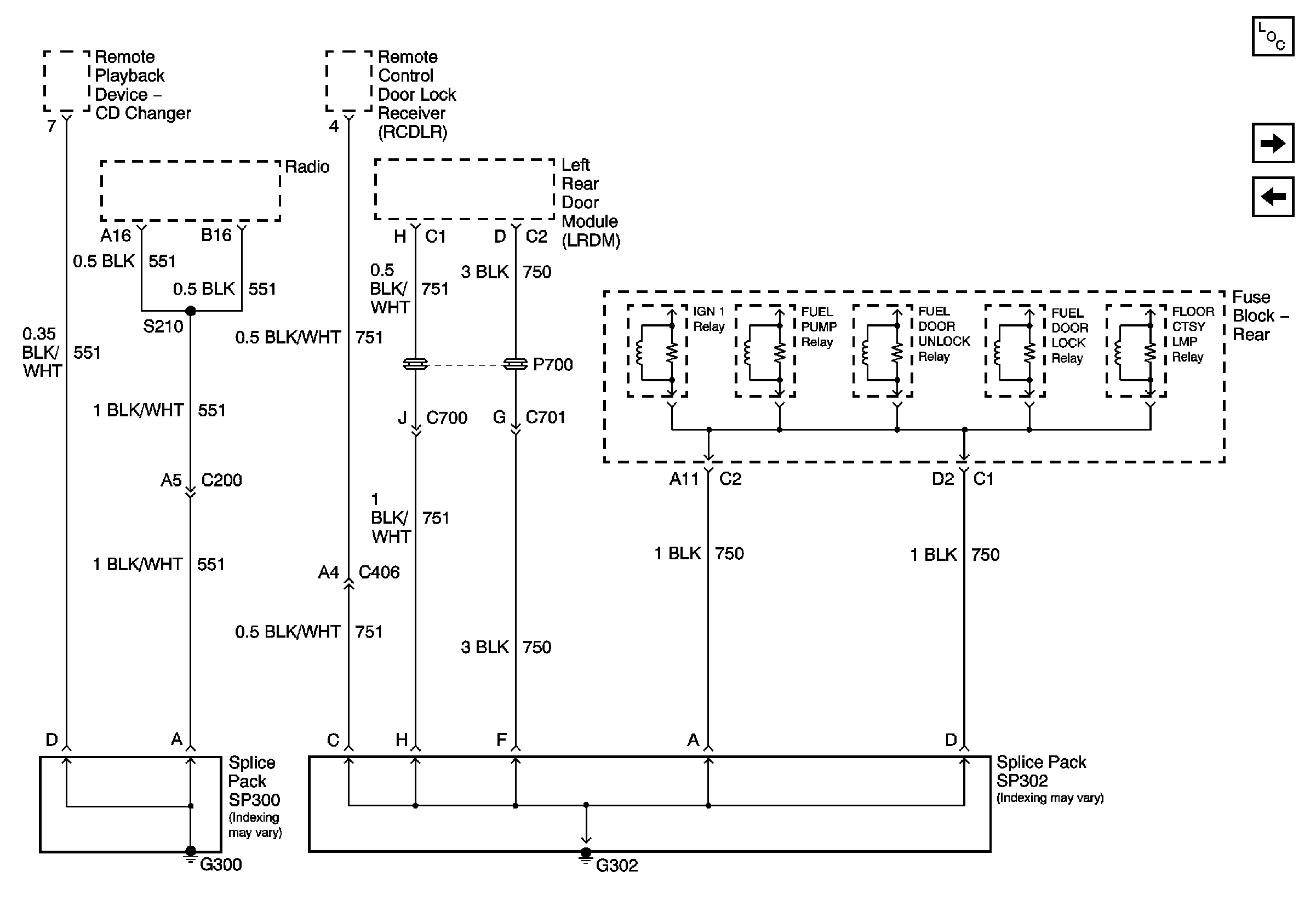
G300 and G302
G301 (1 of 2)
Figure 11:

G300 and G302


Object Number: 661959  Size: FS
Master Electrical Component List
G401 (1 of 2)
G301 (2 of 2)
Figure 12:

G401 (1 of 2)


Object Number: 661960  Size: FS
Master Electrical Component List
G401 (2 of 2)
G300 and G302
Figure 13:

G401 (2 of 2)


Object Number: 661962  Size: FS
Master Electrical Component List
G402
G401 (1 of 2)
Figure 14:

G402


Object Number: 661963  Size: FS
Master Electrical Component List
G401 (2 of 2)