GM Service Manual Online
For 1990-2009 cars only
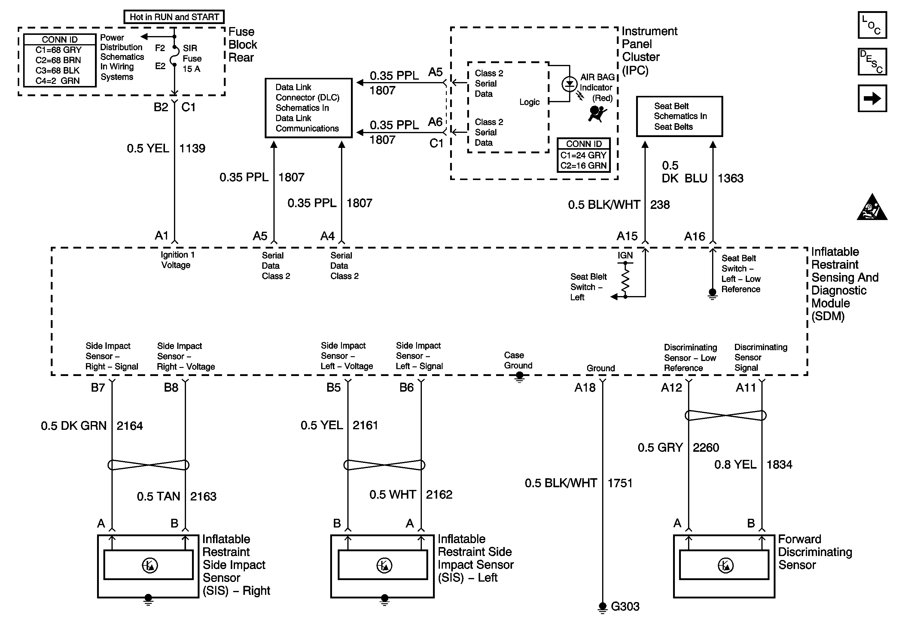
Figure 1:

Power, Ground and Side Impact Sensors


Object Number: 670949  Size: FS
Figure 2:

SDM and Inflator Modules


Object Number: 670953  Size: FS