GM Service Manual Online
For 1990-2009 cars only
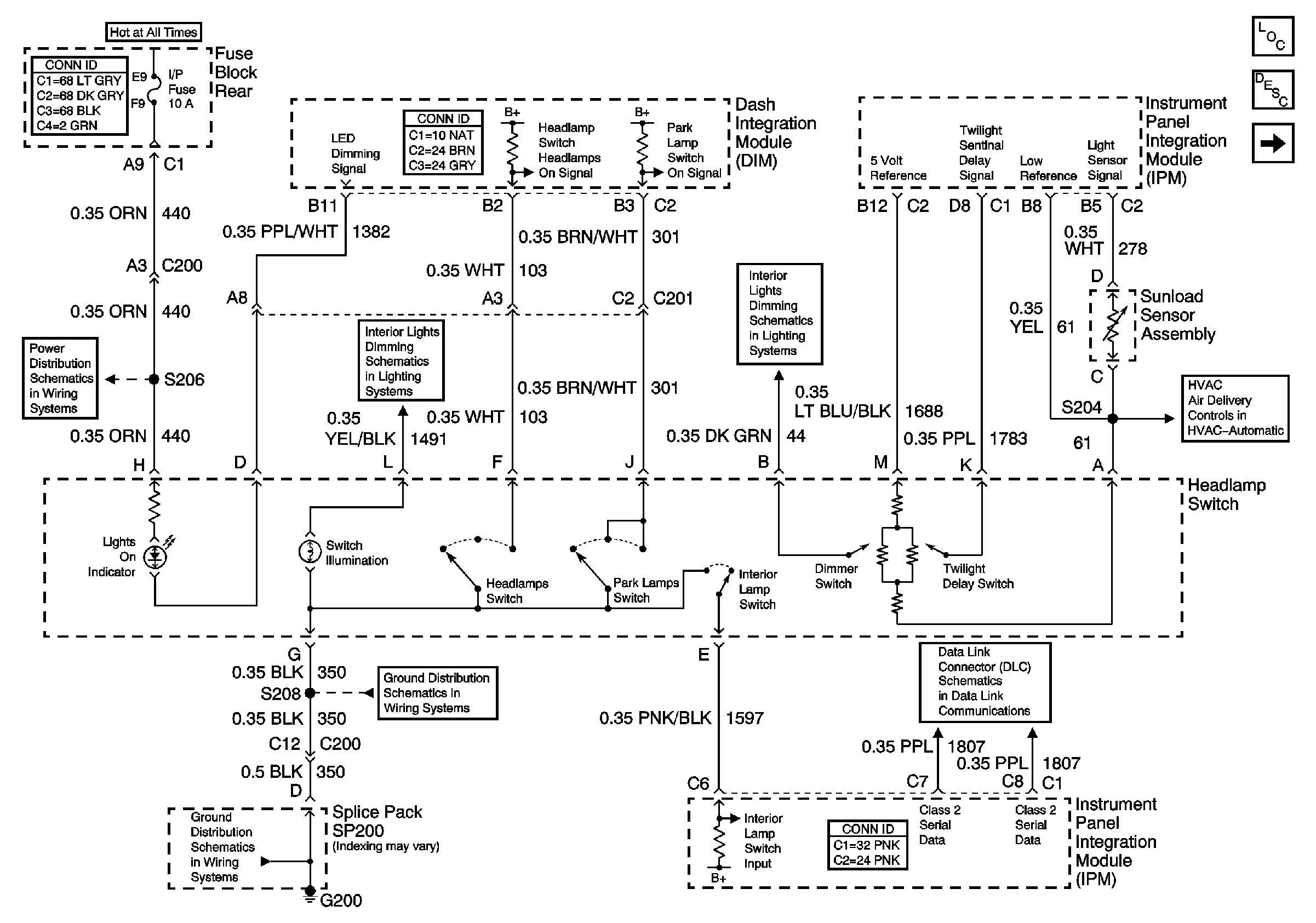
Figure 1:

Headlamp Switch, Ambient Light Sensor (CJ2)


Object Number: 686159  Size: FS
Master Electrical Component List
Exterior Lighting Systems Description and Operation
Headlamp Switch, Ambient Light Switch Sensor (C67)
Temperature Sensors w/CJ2
Serial Data Class 2
G200 (2 of 2)
G200 (2 of 2)
IP, CIGAR, AUX PWR and C/LTR Fuses, and CIGAR Relay
Dimming Control
Dimming Control
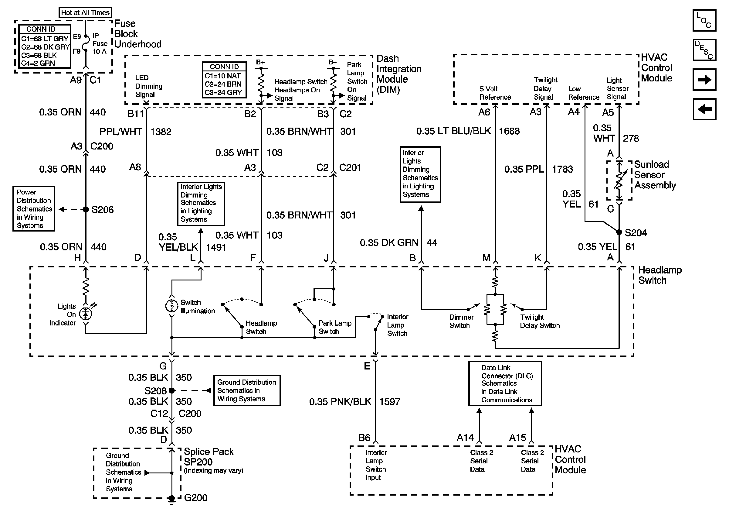
Figure 2:

Headlamp Switch, Ambient Light Switch Sensor (C67)


Object Number: 686164  Size: FS
Master Electrical Component List
Exterior Lighting Systems Description and Operation
DRL, High Beam Headlamps, Dimmer Switch
Headlamp Switch, Ambient Light Sensor (CJ2)
Serial Data Class 2
G200 (2 of 2)
G200 (2 of 2)
IP, CIGAR, AUX PWR and C/LTR Fuses, and CIGAR Relay
Dimming Control
Dimming Control
Figure 3:

DRL, High Beam Headlamps, Dimmer Switch


Object Number: 686168  Size: FS
Master Electrical Component List
Exterior Lighting Systems Description and Operation
Low Beam Headlamps
Headlamp Switch, Ambient Light Switch Sensor (C67)
G200 (1 of 2)
G200 (1 of 2)
G401 (2 of 2)
G401 (2 of 2)
G103
Battery Feed to the Underhood Fuse Block
Battery Feed to the Underhood Fuse Block
G103
High Beam and Low Beam Relays, ABS, PCM Batt, High Beam and Low Beam Fuses (Underhood Fuse Block)
Low Beam Headlamps
Low Beam Headlamps
Figure 4:

Low Beam Headlamps


Object Number: 686173  Size: FS
Master Electrical Component List
Exterior Lighting Systems Description and Operation
DRL, High Beam Headlamps, Dimmer Switch
Wiper Washer Switch and Fuse
Serial Data Class 2
G401 (2 of 2)
G103
DRL, High Beam Headlamps, Dimmer Switch
G401 (2 of 2)
DRL, High Beam Headlamps, Dimmer Switch
High Beam and Low Beam Relays, ABS, PCM Batt, High Beam and Low Beam Fuses (Underhood Fuse Block)