GM Service Manual Online
For 1990-2009 cars only
Makes
🢒
Buick
🢒
2001
🢒
LeSabre
🢒
Body and Accessories
🢒
Wipers/Washer Systems
🢒 Wiper/Washer Schematics
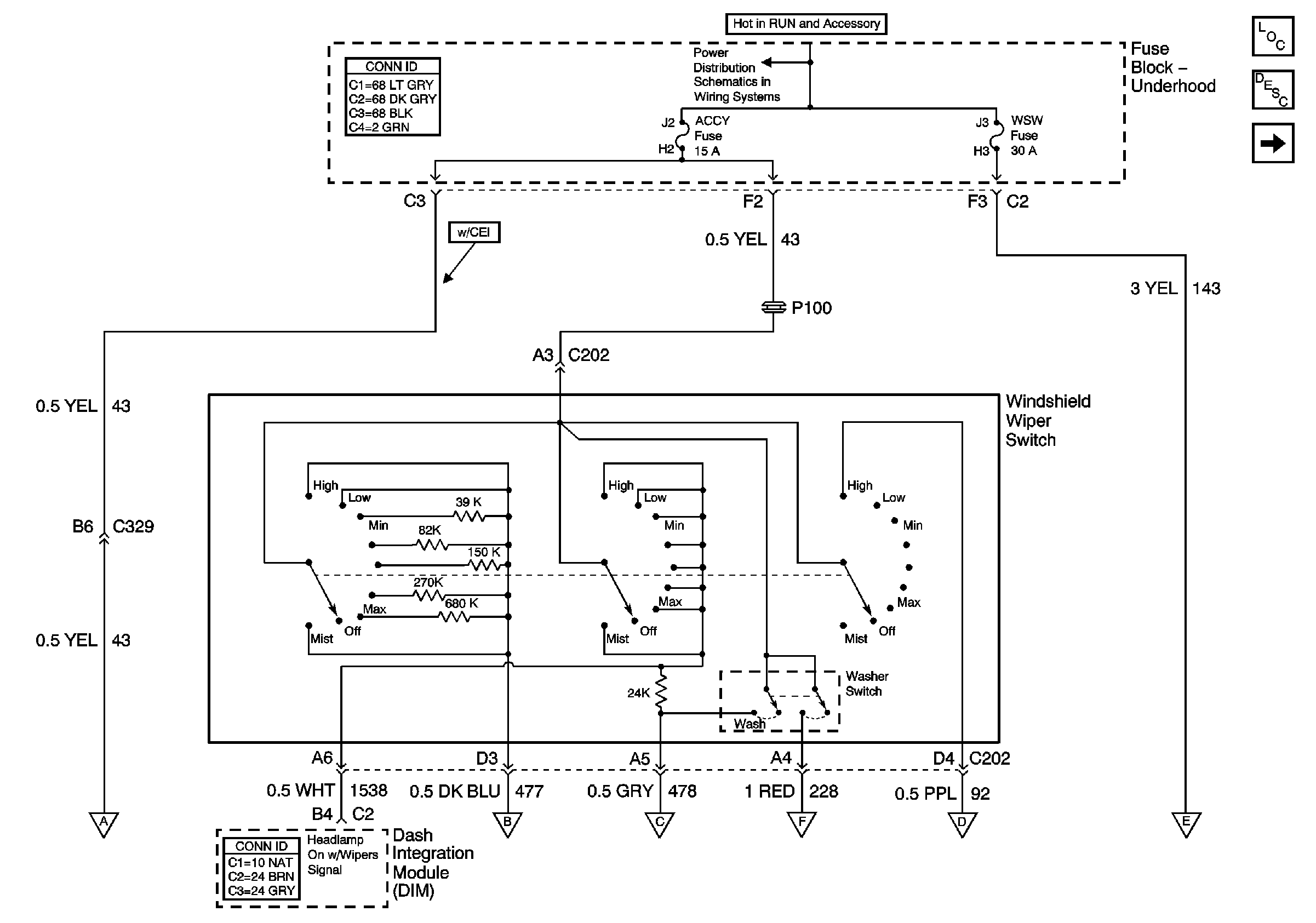
Figure
1:
Wiper Washer Switch and Fuse
Master Electrical Component List
Wiper/Washer System Description and Operation
Wiper Motor, Washer Motor, Outside Moister Sensor Schematics
Wiper Motor, Washer Motor, Outside Moister Sensor Schematics
Wiper Motor, Washer Motor, Outside Moister Sensor Schematics
Wiper Motor, Washer Motor, Outside Moister Sensor Schematics
Wiper Motor, Washer Motor, Outside Moister Sensor Schematics
Wiper Motor, Washer Motor, Outside Moister Sensor Schematics
Wiper Motor, Washer Motor, Outside Moister Sensor Schematics
AIR PUMP and ACCY Relays, AIR, C/LTR, AUX PWR, WSW, and ACCY Fuses
Figure
2:
Wiper Motor, Washer Motor, Outside Moister Sensor Schematics
Master Electrical Component List
Wiper/Washer System Description and Operation
Wiper Washer Switch and Fuse
G103
G106, G107 and G101
G402
Inside Rear View Mirror w/DD7 or w/DD8
Wiper Washer Switch and Fuse
Wiper Washer Switch and Fuse
Wiper Washer Switch and Fuse
Wiper Washer Switch and Fuse
Wiper Washer Switch and Fuse
Wiper Washer Switch and Fuse