GM Service Manual Online
For 1990-2009 cars only
Makes
🢒
Buick
🢒
2001
🢒
LeSabre
🢒
Body and Accessories
🢒
Cruise Control
🢒 Cruise Control Schematics
Figure
1:
Cruise Control Switch, CCM Power and Grounds
Master Electrical Component List
Cruise Control Description and Operation
CCM, PCM Controls and Vehicle Speed Input
SIR Schematic Icons
G106, G107 and G101
G200 (1 of 2)
Transmission Solenoids L36/L67
Start 1 Relay, INJR 2, PCM IGN, CR CONT and INJR 1 Fuses
IGN-1, VENT SOL and SIR Fuses (Rear Fuse Block)
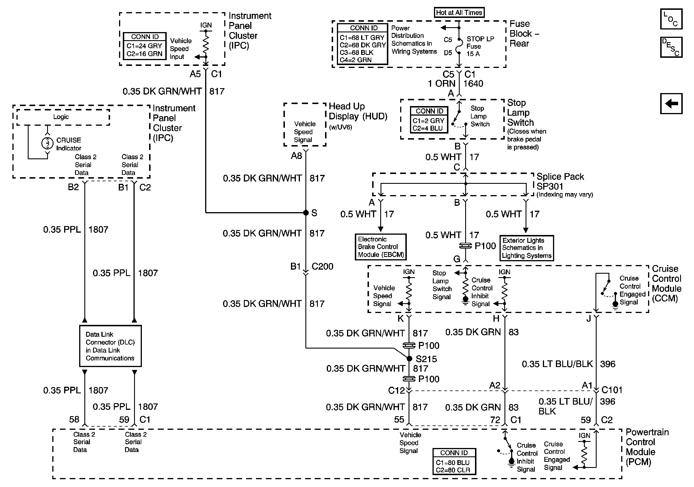
Figure
2:
CCM, PCM Controls and Vehicle Speed Input
Master Electrical Component List
Cruise Control Description and Operation
Cruise Control Switch, CCM Power and Grounds
Turn Signal Switch and Hazard Flasher Module Inputs
PWR, GND, Stoplamp Switch, Solenoid Valves, and Pump Motor
Serial Data Class 2
TSIG/HAZ, STOP LP, AUDIO and CD Fuses (Rear Fuse Block)