GM Service Manual Online
For 1990-2009 cars only
Figure 1:

Power and Ground Class 2


Object Number: 665929  Size: FS
Master Electrical Component List
Instrument Cluster Description and Operation
PCM, IPC Inputs
AIR PUMP and ACCY Relays, AIR, C/LTR, AUX PWR, WSW, and ACCY Fuses
G200 (2 of 2)
G200 (2 of 2)
G200 (1 of 2)
G200 (1 of 2)
Serial Data Class 2
IGN-1, VENT SOL and SIR Fuses (Rear Fuse Block)
IGN-1, VENT SOL and SIR Fuses (Rear Fuse Block)
AIR PUMP and ACCY Relays, AIR, C/LTR, AUX PWR, WSW, and ACCY Fuses
Figure 2:

PCM, IPC Inputs


Object Number: 665934  Size: FS
Master Electrical Component List
Instrument Cluster Description and Operation
Turn Signal and High Beam Inputs
Power and Ground Class 2
Serial Data Class 2
CCM, PCM Controls and Vehicle Speed Input
Head Up Display (HUD) Schematics
Figure 3:

Turn Signal and High Beam Inputs


Object Number: 665938  Size: FS
Master Electrical Component List
Instrument Cluster Description and Operation
Brake and Washer inputs
PCM, IPC Inputs
Serial Data Class 2
Head Up Display (HUD) Schematics
LH Exterior Lamps
RH Exterior Lamps
LH Exterior Lamps
RH Exterior Lamps
DRL, High Beam Headlamps, Dimmer Switch
Figure 4:

Brake and Washer inputs


Object Number: 665943  Size: FS
Master Electrical Component List
Indicator/Warning Message Description and Operation
DIC Switch (w/U2E)
Turn Signal and High Beam Inputs
G106, G107 and G101
G103
Figure 5:

DIC Switch (w/U2E)


Object Number: 665947  Size: FS
Figure 6:

DIC Switch (w/UB7)


Object Number: 665950  Size: FS
Figure 7:

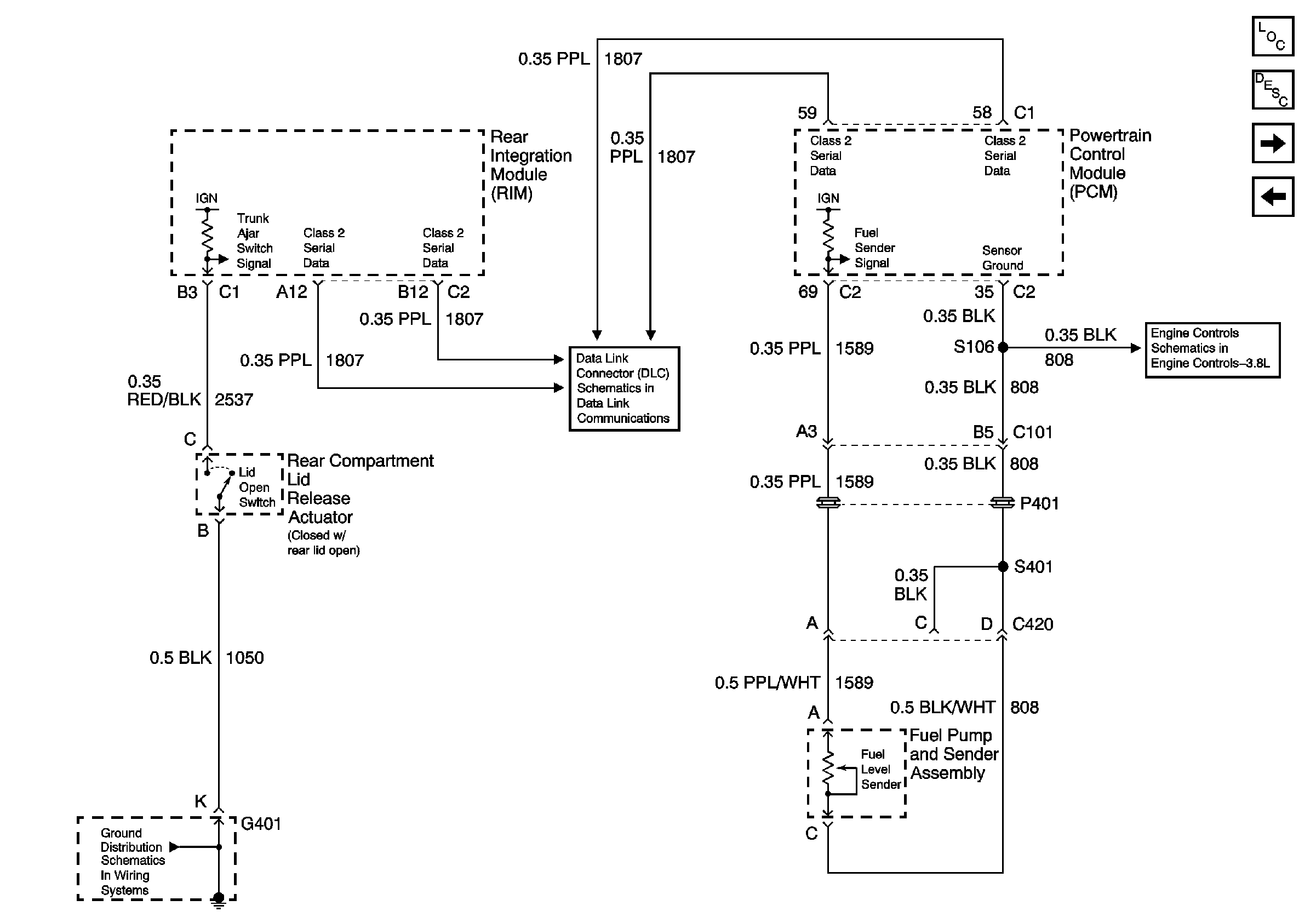
Fuel Sender and Rear Compartment Lid Switch


Object Number: 665953  Size: FS
Master Electrical Component List
Instrument Cluster Description and Operation
Door Jamb Switches
DIC Switch (w/UB7)
Fuel Tank Pressure Sensor, EVAP Canister Vent Solenoid
Serial Data Class 2
G401 (2 of 2)
Figure 8:

Door Jamb Switches


Object Number: 665958  Size: FS
Master Electrical Component List
Instrument Cluster Description and Operation
Fuel Sender and Rear Compartment Lid Switch
Stoplamp Switch