GM Service Manual Online
For 1990-2009 cars only
Makes
🢒
Buick
🢒
2001
🢒
LeSabre
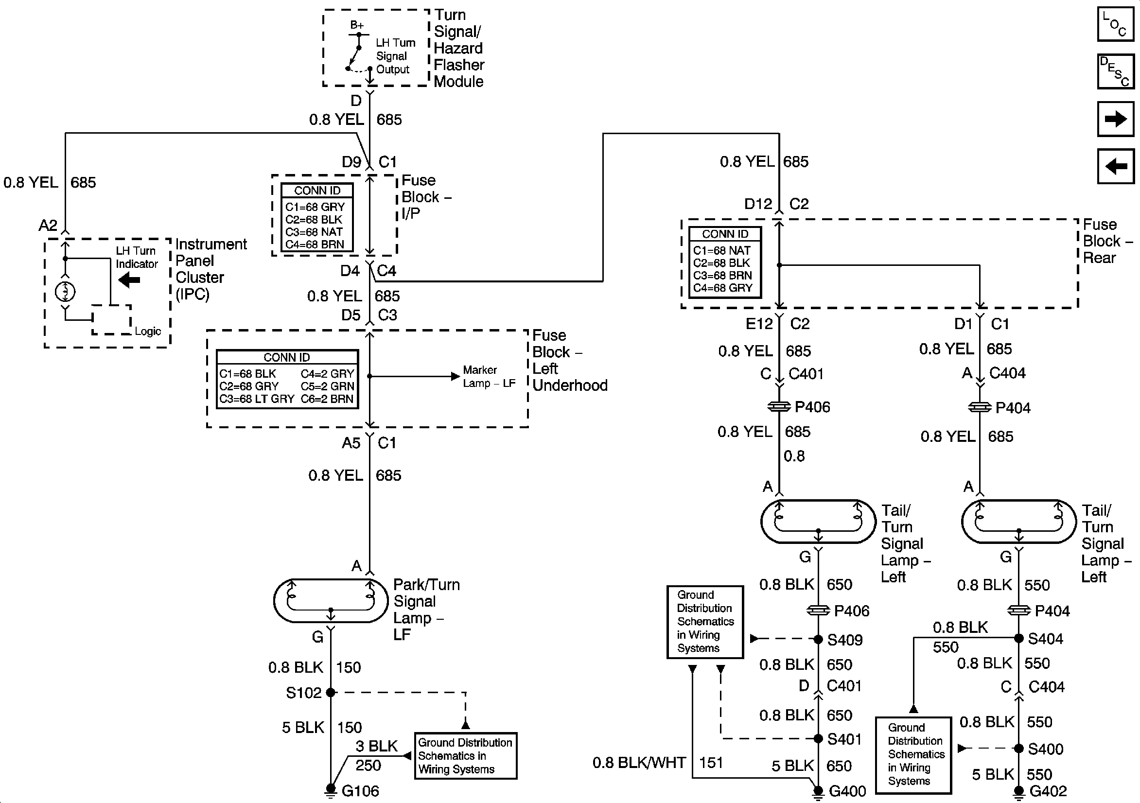
🢒 LH Turn Lamps
LH Turn Lamps
LH Turn Lamps
Master Electrical Component List
Exterior Lighting Systems Description and Operation
RH Turn Lamps
Turn Signal/Hazard Switch and Cornering Lamps
LH Park Lamps
LH Park Lamps
LH Park Lamps
Rear Compartment Lid Park Lamp
G104 and G106
G400 (1 of 2)
G306 and G402