GM Service Manual Online
For 1990-2009 cars only
Figure 1:

Module Power, Ground, Serial Data and MIL


Object Number: 886529  Size: FS
Master Electrical Component List
Engine Data Sensors - 5 Volt and Low Reference
Engine Controls Schematic Icons
Serial Data Class 2
G104 and G105
Start-1 Relay,Injr-2, PCM IGN, CR CONT and INJR-1 Fuses
High and Low Beam Relays, ABS, PCM BATT, High and Low Beam Fuses
Ignition Switch (2 of 2)
Figure 2:

Engine Data Sensors -- Volt and Low Reference


Object Number: 886532  Size: FS
Master Electrical Component List
Engine Data Sensors - Pressure and Temperature
Module Power, Ground, Serial Data and MIL
Engine Controls Schematic Icons
Figure 3:

Engine Data Sensors -- Pressure and Temperature


Object Number: 789171  Size: FS
Master Electrical Component List
Engine Data Sensors - MAF, VSS and Extended Brake Travel Switch
Module Power, Ground, Serial Data and MIL
Engine Controls Schematic Icons
Figure 4:

Engine Data Sensors -- MAF, VSS and Extended Brake Travel Switch


Object Number: 886537  Size: FS
Master Electrical Component List
Engine Data Sensors - (HO2S)
Engine Data Sensors - Pressure and Temperature
Engine Controls Schematic Icons
G200 (1 of 2)
Transmission Inputs L36
Gages
G104 and G105
IGN 1 Relay, Transmission, DIS, OXY SEN, and IGN 1 Fuses (Fuse Block Underhood)
IGN 1 Relay, Transmission, DIS, OXY SEN, and IGN 1 Fuses (Fuse Block Underhood)
Figure 5:

Engine Data Sensors -- (HO2S)


Object Number: 886540  Size: FS
Master Electrical Component List
Ignition Controls - Ignition System
Engine Data Sensors - MAF, VSS and Extended Brake Travel Switch
Engine Controls Schematic Icons
G100, and G102
IGN 1 Relay, Transmission, DIS, OXY SEN, and IGN 1 Fuses (Fuse Block Underhood)
Figure 6:

Ignition Controls -- Ignition System Sensors


Object Number: 886534  Size: FS
Master Electrical Component List
Fuel Controls - Fuel Pump Controls
Engine Data Sensors - (HO2S)
Engine Controls Schematic Icons
Gages
IGN 1 Relay, Transmission, DIS, OXY SEN, and IGN 1 Fuses (Fuse Block Underhood)
Figure 7:

Fuel Controls -- Fuel Pump Controls


Object Number: 886541  Size: FS
Master Electrical Component List
Fuel Controls - Fuel Injectors
Ignition Controls - Ignition System
Engine Controls Schematic Icons
G301 (2 of 2)
G401 (2 of 2)
Fuel Pump and Sender Assembly, Rear Compartment Lid Switch
Battery Feed to Rear Fuse Block
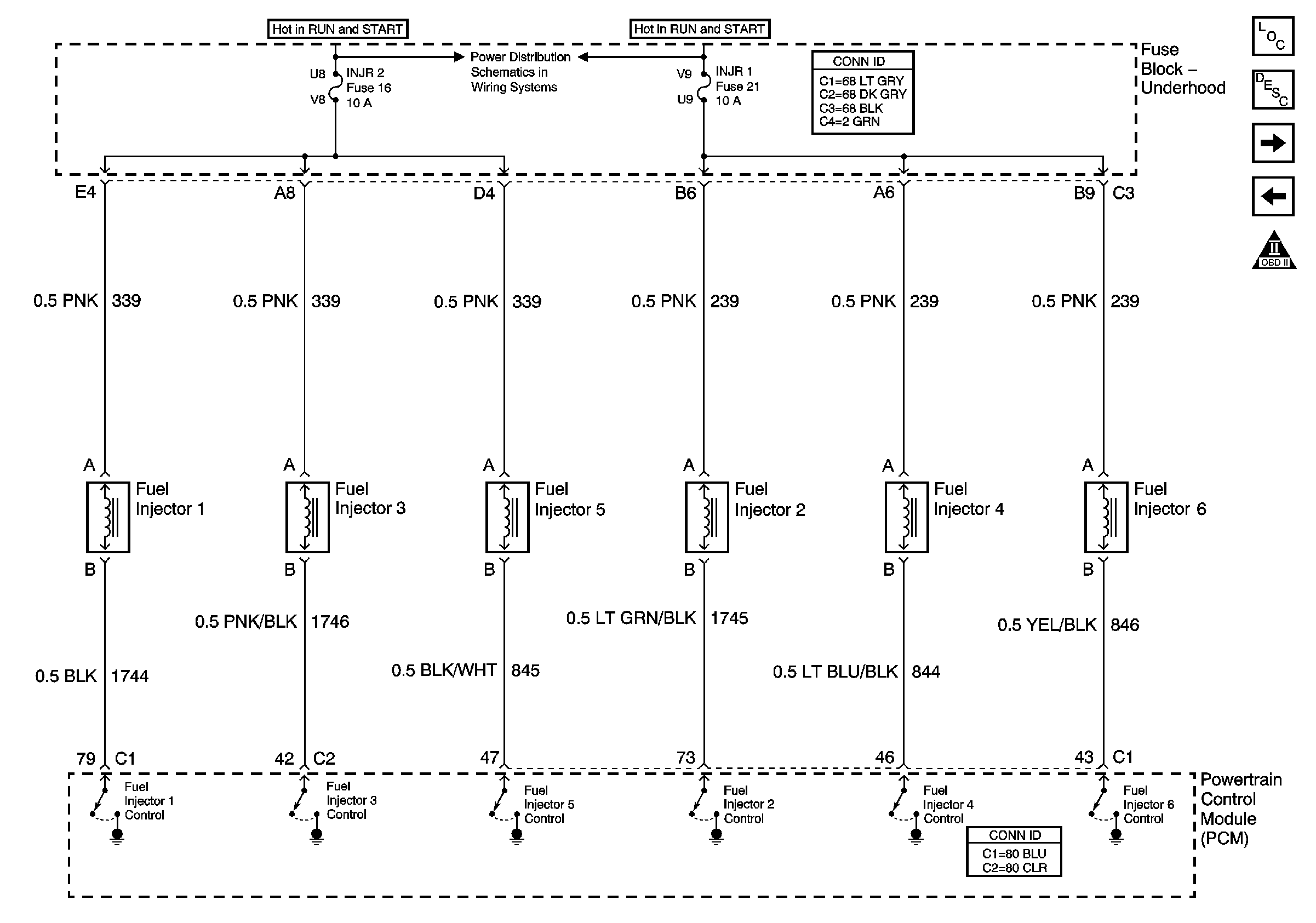
Figure 8:

Fuel Controls -- Fuel Injectors


Object Number: 886542  Size: FS
Master Electrical Component List
Fuel Controls - EVAP Controls
Fuel Controls - Fuel Pump Controls
Engine Controls Schematic Icons
Start-1 Relay,Injr-2, PCM IGN, CR CONT and INJR-1 Fuses
Figure 9:

Fuel Controls -- EVAP Controls


Object Number: 886546  Size: FS
Master Electrical Component List
EGR and IAC Schematics
Fuel Controls - Fuel Injectors
Engine Controls Schematic Icons
IGN-1, VENT SOL, and SIR Fuses (Fuse Block Rear)
IGN-1, VENT SOL, and SIR Fuses (Fuse Block Rear)
Figure 10:

Device Controls-- EGR and IAC


Object Number: 870122  Size: FS
Master Electrical Component List
Controlled/Monitored Subsystem References
Fuel Controls - EVAP Controls
Engine Controls Schematic Icons
Figure 11:

Controlled/Monitored Subsystem References


Object Number: 789191  Size: FS
Master Electrical Component List
Transmission Controls - A/T
EGR and IAC Schematics
Engine Controls Schematic Icons
CCM, PCM Controls and Vehicle Speed Input
Generator Controls and Battery
Starter and Solenoid Controls
Fuel Pump and Sender Assembly, Rear Compartment Lid Switch
A/C Compressor Control (w/CJ2)
Traction Control (w/NW9)
Cooling Fans and Relays
Figure 12:

Transmission Controls -- A/T


Object Number: 789192  Size: FS
Master Electrical Component List
Controlled/Monitored Subsystem References
Engine Controls Schematic Icons