GM Service Manual Online
For 1990-2009 cars only
Makes
🢒
Buick
🢒
2003
🢒
LeSabre
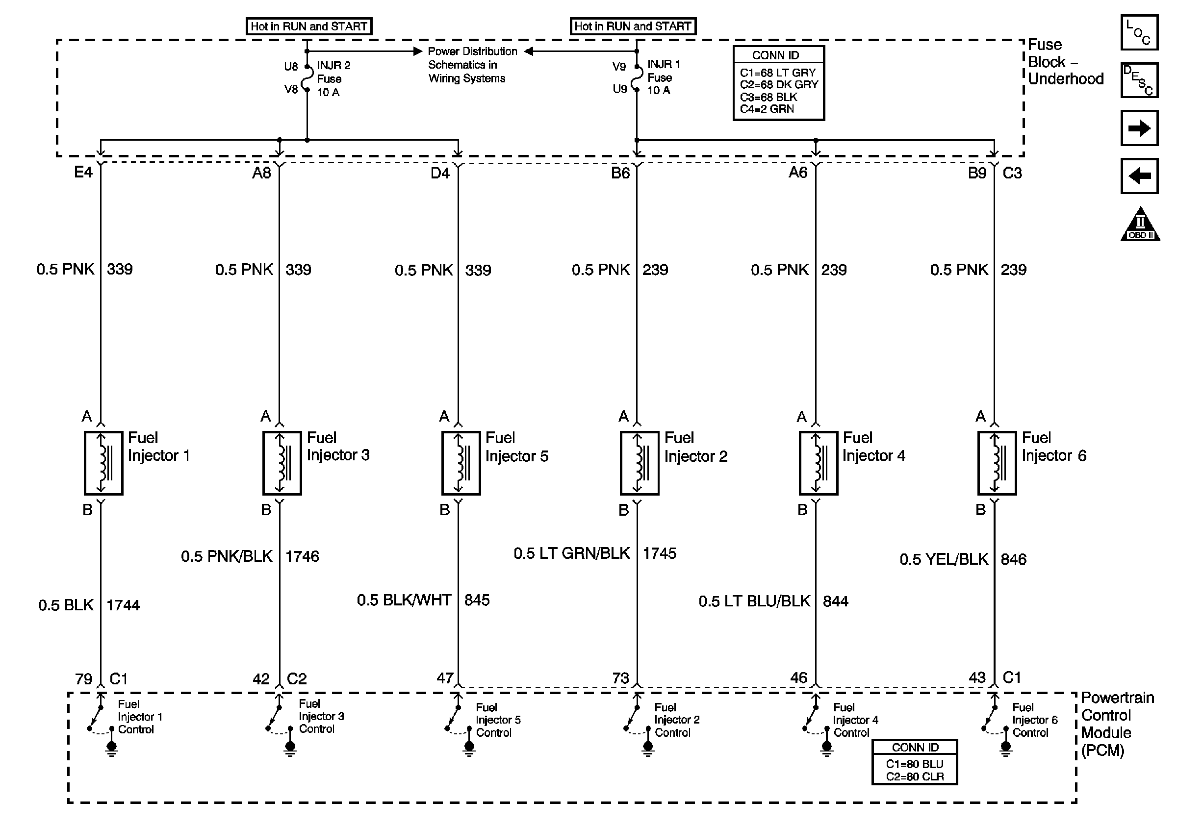
🢒 Fuel Controls - Fuel Injectors
Fuel Controls - Fuel Injectors
Fuel Controls -- Fuel Injectors
Master Electrical Component List
Fuel Controls - EVAP Controls
Fuel Controls - Fuel Pump Controls
Engine Controls Schematic Icons
Start 1 Relay, INJR 2, PCM IGN, CR CONT, and INJR 2 Fuses (Fuse Block - Underhood)