GM Service Manual Online
For 1990-2009 cars only
Figure 1:

Headlamp Switch and Sunload Sensor Assembly (w/CJ2)


Object Number: 887786  Size: FS
Master Electrical Component List
Exterior Lighting Systems Description and Operation
Headlamp Switch and Sunload Sensor Assembly (C67)
Fuse Block Rear - I/P, CIGAR, AUX PWR and C/LTR Fuses and CIGAR Relay
Instrument Panel And Console Dimming
Dimming Control
Temperature Sensors (CJ2)
G200 - 2 of 2
G200 - 2 of 2
Serial Data Class 2
Figure 2:

Headlamp Switch and Sunload Sensor Assembly (w/C67)


Object Number: 887790  Size: FS
Master Electrical Component List
Exterior Lighting Systems Description and Operation
DRL, High Beam Headlamps and Dimmer Switch
Headlamp Switch and Sunload Sensor Assembly (CJ2)
Fuse Block Rear - I/P, CIGAR, AUX PWR and C/LTR Fuses and CIGAR Relay
Instrument Panel And Console Dimming
Dimming Control
G200 - 2 of 2
G200 - 2 of 2
Serial Data Class 2
Figure 3:

DRL, High Beam Headlamps, and Dimmer Switch


Object Number: 887806  Size: FS
Master Electrical Component List
Exterior Lighting Systems Description and Operation
Low Beam Headlamps
Headlamp Switch and Sunload Sensor Assembly (C67)
Battery Feed to Underhood Fuse Block
Battery Feed to Underhood Fuse Block
Battery Feed to Underhood Fuse Block
Low Beam Headlamps
G103
Low Beam Headlamps
G401 - 2 of 2
G200 - 1 of 2
G103
G401 - 2 of 2
G200 - 1 of 2
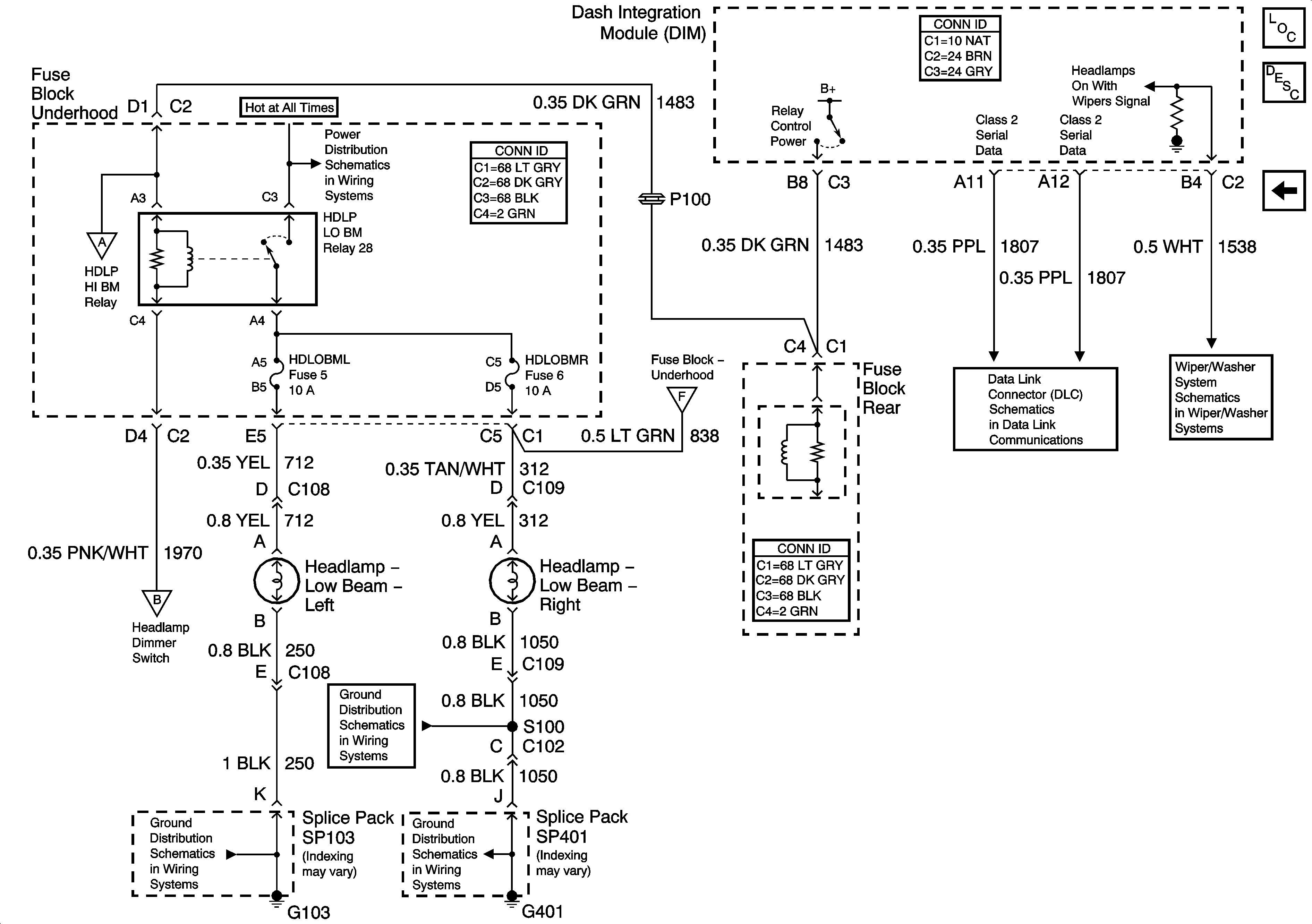
Figure 4:

Low Beam Headlamps


Object Number: 1545418  Size: FS
Master Electrical Component List
Exterior Lighting Systems Description and Operation
DRL, High Beam Headlamps and Dimmer Switch
DRL, High Beam Headlamps and Dimmer Switch
Fuse Block Underhood - HDLP HIBM and HDLP LOBM Relays, ABS, PCM BATT, HDHIBM, HDLOBM Fuses
Serial Data Class 2
Wiper Washer Switch and Fuse
DRL, High Beam Headlamps and Dimmer Switch
G401 - 2 of 2
G103
G401 - 2 of 2