GM Service Manual Online
For 1990-2009 cars only
Makes
🢒
Buick
🢒
2006
🢒
Lucerne
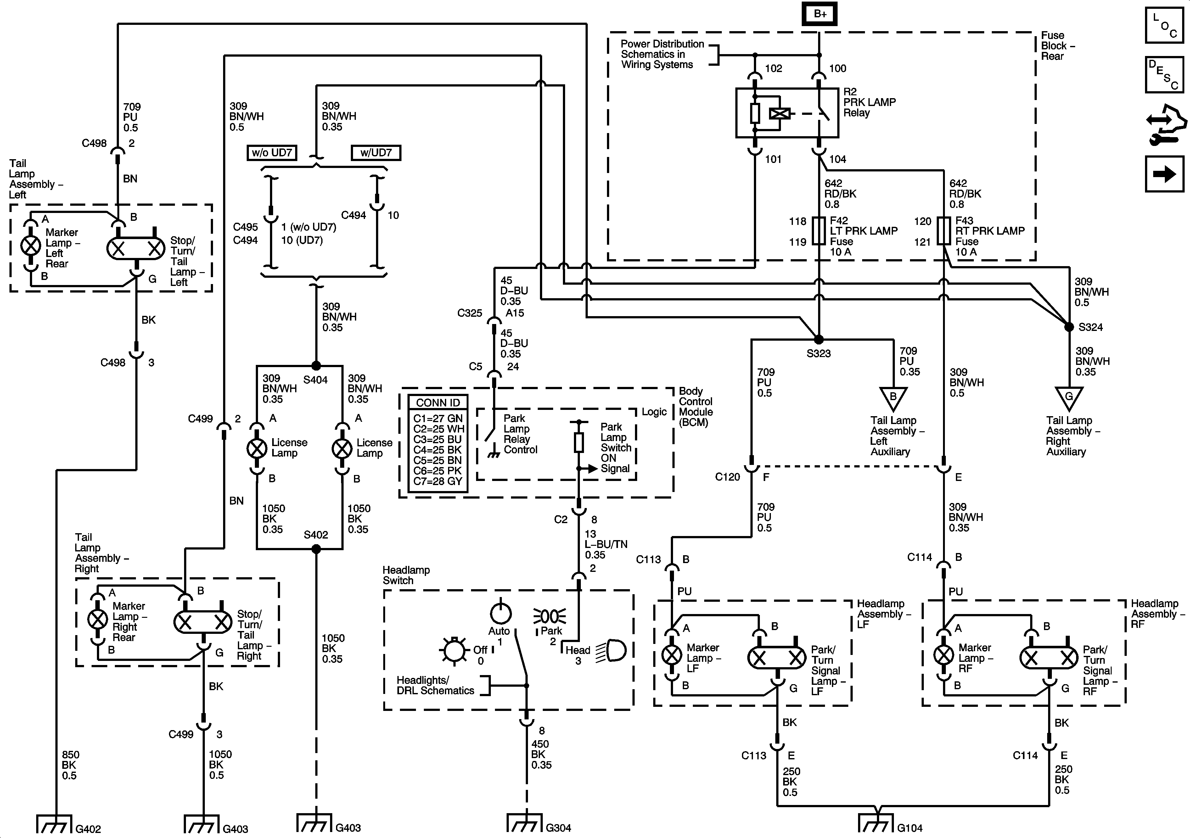
🢒 Front Park, Marker Lamps
Front Park, Marker Lamps
Front Park, Marker Lamps
Master Electrical Component List
Exterior Lighting Systems Description and Operation
Control Module References
Front Turn Signal/Hazard Lamps
Rear Fuse Block B+
Rear Stop/Turn Signal Lamps
Center High Mounted Stop Lamp, Auxiliary Tail Lamps
Center High Mounted Stop Lamp, Auxiliary Tail Lamps
Rear Stop/Turn Signal Lamps
Headlamp Switch
Front Turn Signal/Hazard Lamps
Front Turn Signal/Hazard Lamps
G402
G403
G403
G304
G104