GM Service Manual Online
For 1990-2009 cars only
Makes
🢒
Buick
🢒
2006
🢒
Lucerne
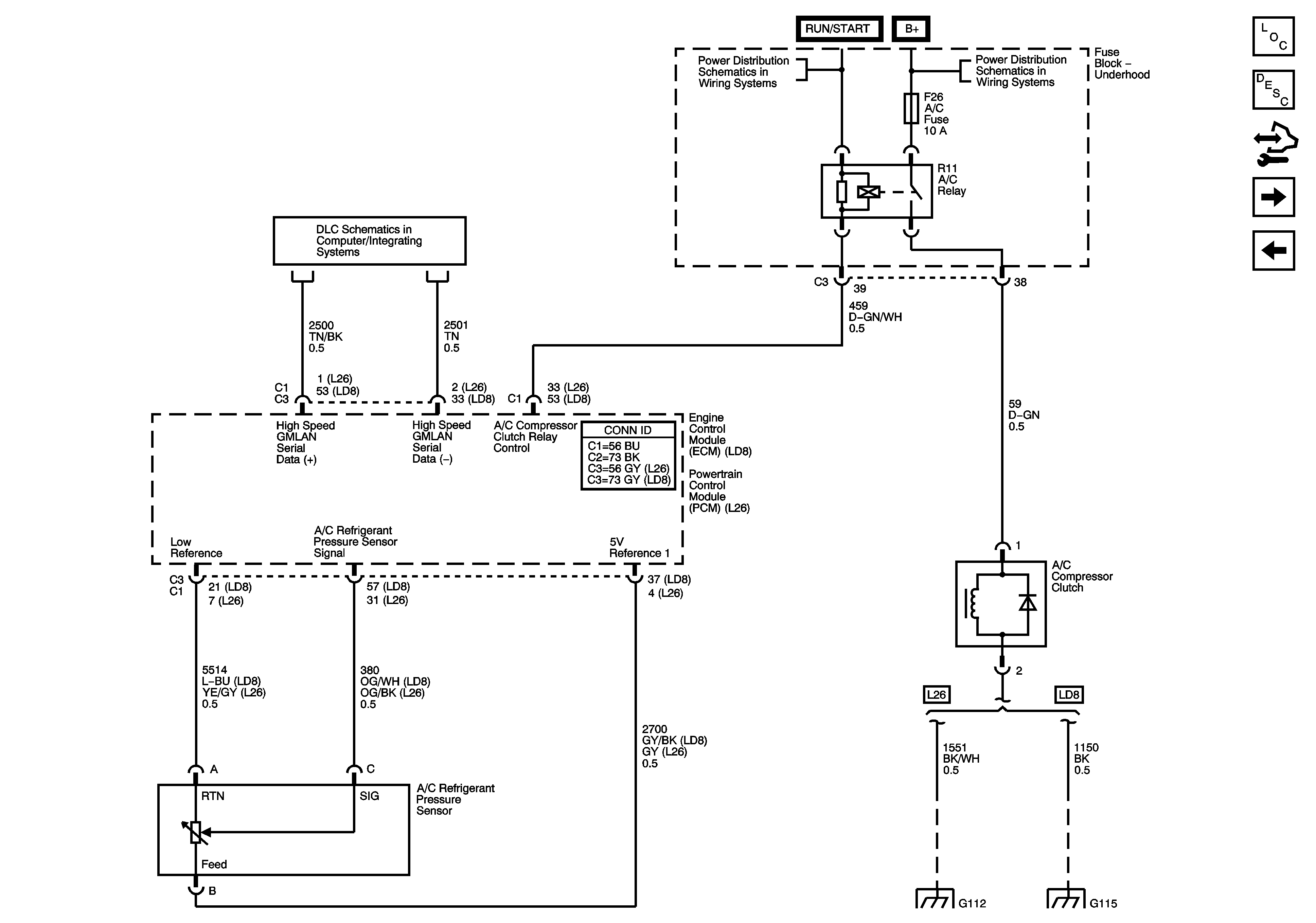
🢒 Compressor Controls
Compressor Controls
Compressor Controls
Master Electrical Component List
Air Delivery Description and Operation
Control Module References
Air Temperature Sensors
Mode and Air Temperature Controls
Underhood Fuse Block B+
Underhood Fuse Block B+
High Speed Serial Data
G112 (L26)
G101, G110, G111, G114, G115, G302, G303, G306, G307