GM Service Manual Online
For 1990-2009 cars only
Makes
🢒
Buick
🢒
2007
🢒
Lucerne
🢒
Diagnostic Navigation
🢒
Vehicle Diagnostic Information
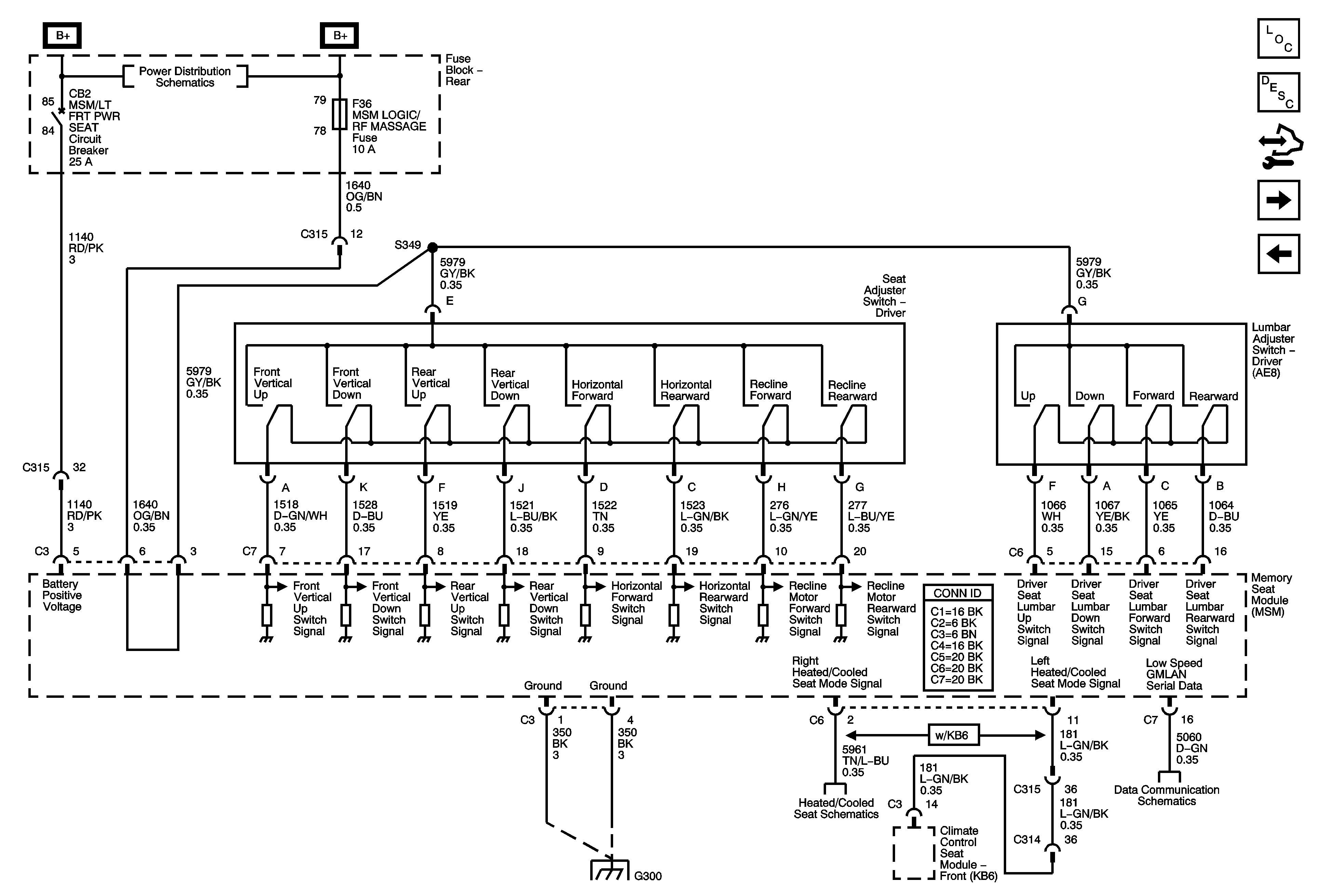
🢒 Driver Seat Schematics
Figure
1:
w/o A45
Master Electrical Component List
Power Seats System Description and Operation
Control Module References
w/ A45
Rear Fuse Block B+
G300
Figure
2:
w/A45
Master Electrical Component List
Power Seats System Description and Operation
Control Module References
Position Sensors
w/o A45
Rear Fuse Block B+
G300
Passenger Heated and Cooled Seat KB6
Power, Ground, and Low Speed GMLAN
Figure
3:
Position Sensors
Master Electrical Component List
Power Seats System Description and Operation
Control Module References
w/ A45