GM Service Manual Online
For 1990-2009 cars only

Removal Procedure


    Object Number: 262699  Size: SH
  1. Remove the cruise control cable from the module assembly. Refer to Cruise Control Cable Replacement .
  2. Disconnect the electrical connector from the module assembly.
  3. Remove the 2 nuts (1) from the mounting studs.
  4. Remove the module assembly (2).

  5. Object Number: 262707  Size: SH
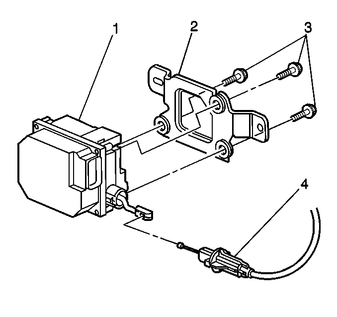
  6. Remove the fasteners (3) retaining the module to the bracket.
  7. Remove the module.

Installation Procedure


    Object Number: 262707  Size: SH
  1. Install the module (1) to the bracket (2).
  2. Notice: Use the correct fastener in the correct location. Replacement fasteners must be the correct part number for that application. Fasteners requiring replacement or fasteners requiring the use of thread locking compound or sealant are identified in the service procedure. Do not use paints, lubricants, or corrosion inhibitors on fasteners or fastener joint surfaces unless specified. These coatings affect fastener torque and joint clamping force and may damage the fastener. Use the correct tightening sequence and specifications when installing fasteners in order to avoid damage to parts and systems.

  3. Install the fasteners (3) to the module (1).
  4. Tighten
    Tighten the fasteners to 6.5 N·m (57 lb in).


    Object Number: 262699  Size: SH
  5. Install the module assembly (2) on the mounting studs.
  6. Install the 2 nuts (1).
  7. Tighten
    Tighten the nuts to 9 N·m (80 lb in).

  8. Connect the electrical connector to the module assembly.
  9. Install the cruise control cable to the module assembly. Refer to Cruise Control Cable Replacement .
  10. Adjust the cable. Refer to Cruise Control Cable Adjustment .