GM Service Manual Online
For 1990-2009 cars only
Figure 1:

Cell 110: Headlamp Switch, Park Lamp Control


Object Number: 324314  Size: FS
Lighting Systems Components
Exterior Lights Circuit Description
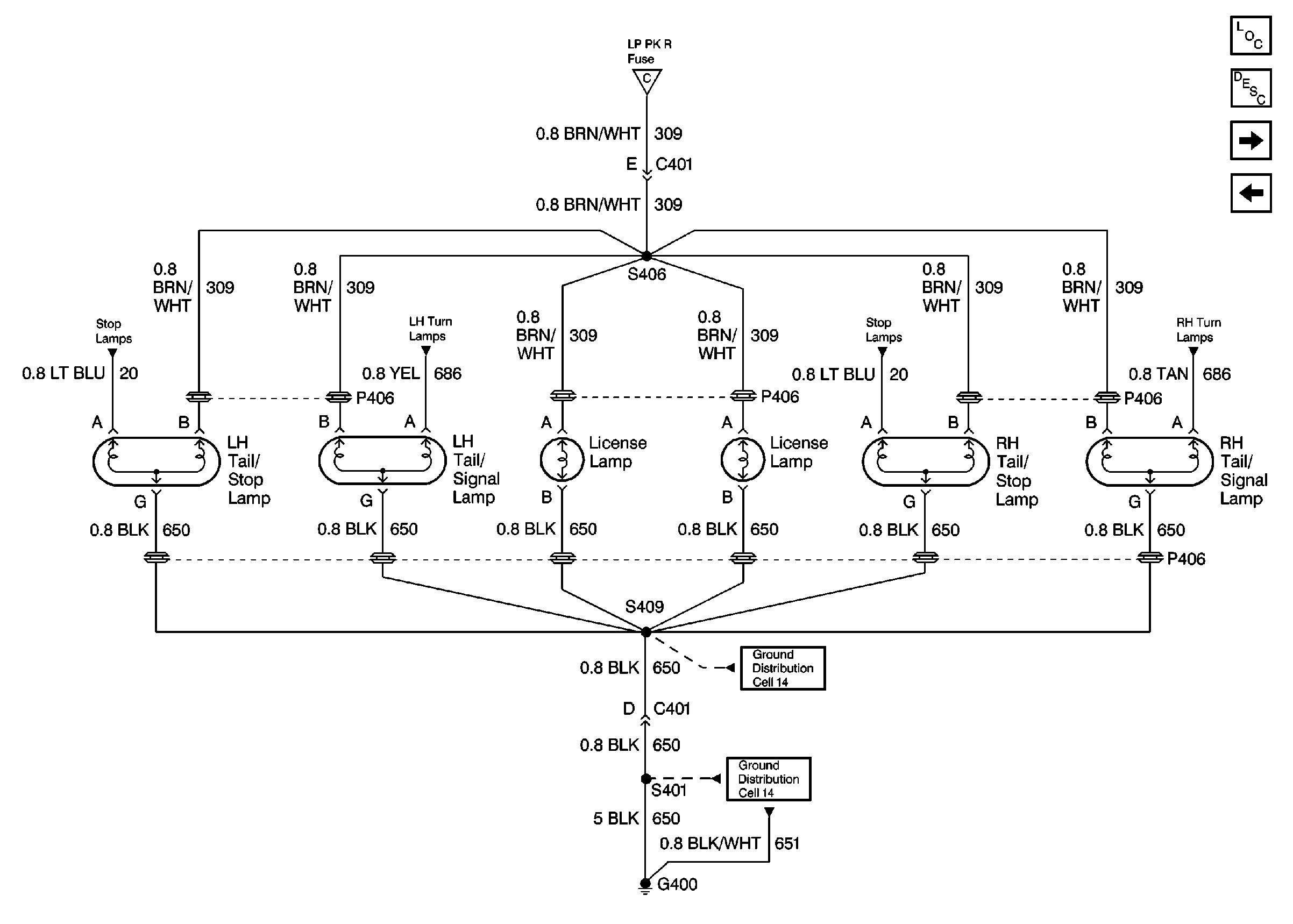
Cell 110: LH Park Lamps
Handling ESD Sensitive Parts Notice
Cell 117: Dimming Control, Passenger Temperature Control, Ashtray, and Heated Seat Switches Backlighting
Ground Distribution Schematics
Ground Distribution Schematics
Cell 110: LH Park Lamps
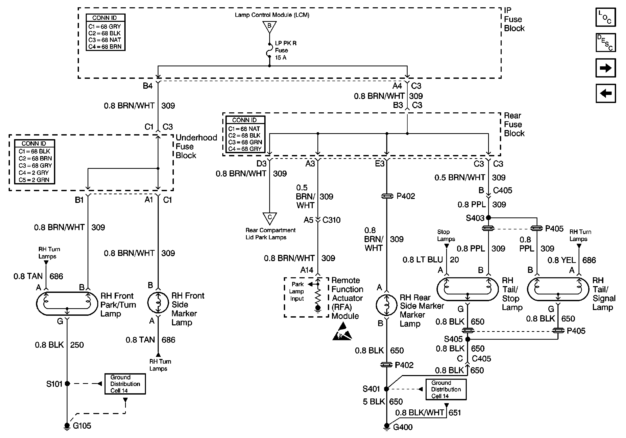
Cell 110: RH Park Lamps
Power Distribution Schematics
Power Distribution Schematics
Power Distribution Schematics
Power Distribution Schematics
Power Distribution Schematics
Lighting Systems Connector End Views
Power and Grounding Connector End Views
Power and Grounding Connector End Views
Figure 2:

Cell 110: LH Park Lamps


Object Number: 324322  Size: FS
Lighting Systems Components
Exterior Lights Circuit Description
Cell 110: RH Park Lamps
Cell 110: Headlamp Switch, Park Lamp Control
Cell 110: Headlamp Switch, Park Lamp Control
Cell 110: Stoplamps
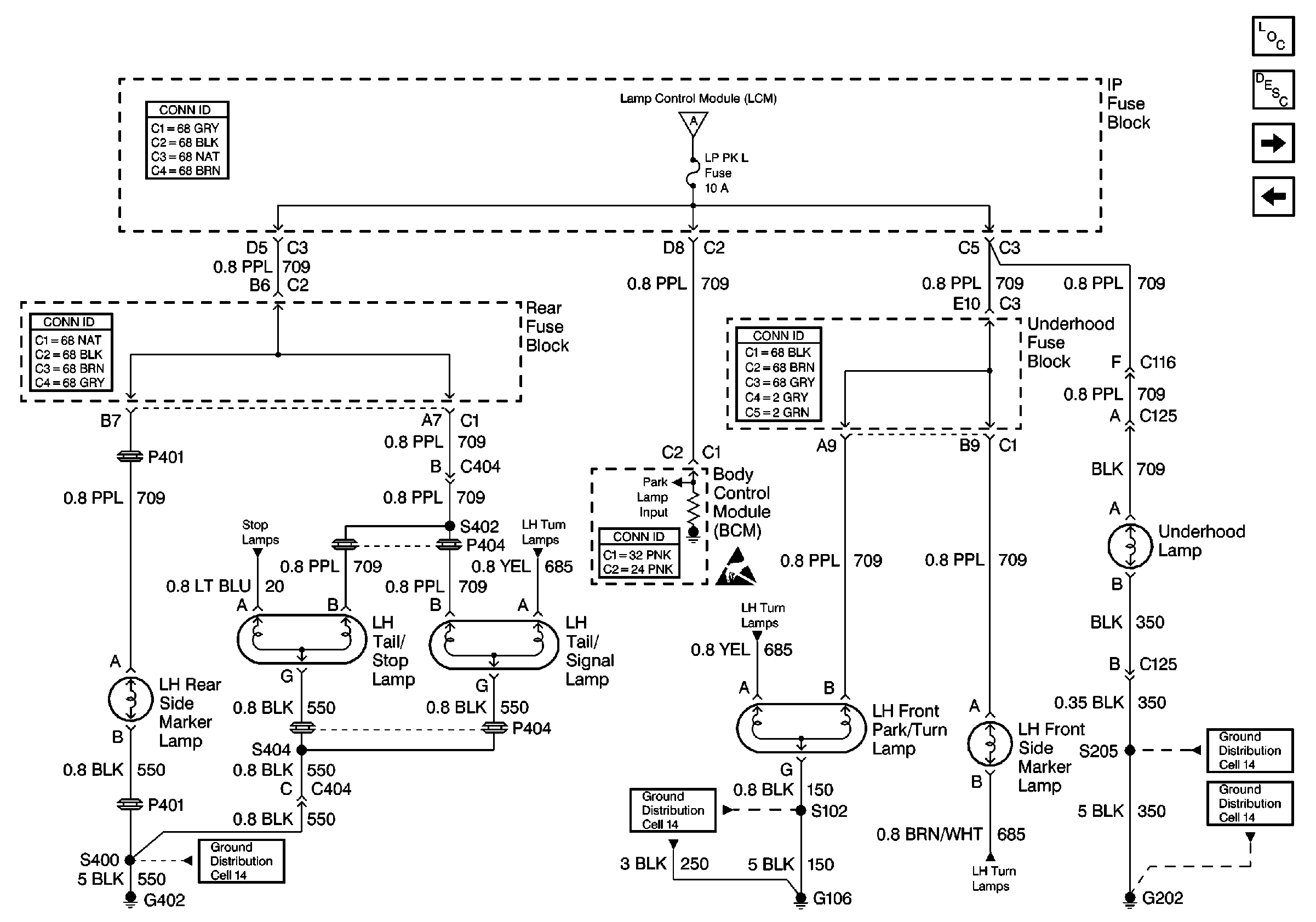
Cell 110: LH Turn Lamps
Cell 110: LH Turn Lamps
Cell 110: LH Turn Lamps
Handling ESD Sensitive Parts Notice
Ground Distribution Schematics
Ground Distribution Schematics
Ground Distribution Schematics
Ground Distribution Schematics
Body Control System Connector End Views
Power and Grounding Connector End Views
Power and Grounding Connector End Views
Power and Grounding Connector End Views
Figure 3:

Cell 110: RH Park Lamps


Object Number: 397110  Size: FS
Lighting Systems Components
Exterior Lights Circuit Description
Cell 110: Rear Compartment Lid Park Lamps
Cell 110: LH Park Lamps
Ground Distribution Schematics
Ground Distribution Schematics
Handling ESD Sensitive Parts Notice
Cell 110: Headlamp Switch, Park Lamp Control
Cell 110: Rear Compartment Lid Park Lamps
Cell 110: Stoplamps
Cell 110: RH Turn Lamps
Cell 110: RH Turn Lamps
Cell 110: RH Turn Lamps
Power and Grounding Connector End Views
Power and Grounding Connector End Views
Power and Grounding Connector End Views
Figure 4:

Cell 110: Rear Compartment Lid Park Lamps


Object Number: 324324  Size: FS
Lighting Systems Components
Exterior Lights Circuit Description
Cell 110: Turn Signal/Hazard Switch, Cornering Lamps
Cell 110: RH Park Lamps
Cell 110: Stoplamps
Cell 110: Stoplamps
Cell 110: RH Turn Lamps
Cell 110: RH Park Lamps
Ground Distribution Schematics
Ground Distribution Schematics
Cell 110: LH Turn Lamps
Figure 5:

Cell 110: Turn Signal/Hazard Switch, Cornering Lamps


Object Number: 324315  Size: FS
Lighting Systems Components
Exterior Lights Circuit Description
Cell 110: LH Turn Lamps
Cell 110: Rear Compartment Lid Park Lamps
Ground Distribution Schematics
Ground Distribution Schematics
Handling ESD Sensitive Parts Notice
Ground Distribution Schematics
Ground Distribution Schematics
Ground Distribution Schematics
Ground Distribution Schematics
Ground Distribution Schematics
Ground Distribution Schematics
Power Distribution Schematics
Power Distribution Schematics
Power and Grounding Connector End Views
Power and Grounding Connector End Views
Figure 6:

Cell 110: LH Turn Lamps


Object Number: 324318  Size: FS
Lighting Systems Components
Exterior Lights Circuit Description
Cell 110: RH Turn Lamps
Cell 110: Turn Signal/Hazard Switch, Cornering Lamps
Handling ESD Sensitive Parts Notice
Handling ESD Sensitive Parts Notice
Cell 110: LH Park Lamps
Cell 110: LH Park Lamps
Cell 110: Rear Compartment Lid Park Lamps
Cell 110: LH Park Lamps
Ground Distribution Schematics
Ground Distribution Schematics
Ground Distribution Schematics
Ground Distribution Schematics
Power and Grounding Connector End Views
Power and Grounding Connector End Views
Power and Grounding Connector End Views
Figure 7:

Cell 110: RH Turn Lamps


Object Number: 397112  Size: FS
Lighting Systems Components
Exterior Lights Circuit Description
Cell 110: Stoplamps
Cell 110: LH Turn Lamps
Ground Distribution Schematics
Ground Distribution Schematics
Ground Distribution Schematics
Handling ESD Sensitive Parts Notice
Handling ESD Sensitive Parts Notice
Cell 110: RH Park Lamps
Cell 110: Rear Compartment Lid Park Lamps
Cell 110: RH Park Lamps
Cell 110: RH Park Lamps
Power and Grounding Connector End Views
Power and Grounding Connector End Views
Power and Grounding Connector End Views
Figure 8:

Cell 110: Stoplamps


Object Number: 324320  Size: FS
Lighting Systems Components
Exterior Lights Circuit Description
Cell 110: RH Turn Lamps
Cell 110: LH Park Lamps
Cell 110: RH Park Lamps
Cell 110: Rear Compartment Lid Park Lamps
Cell 110: Rear Compartment Lid Park Lamps
Ground Distribution Schematics
Ground Distribution Schematics
Ground Distribution Schematics
Ground Distribution Schematics
Power Distribution Schematics
Cell 44: Indicators and Stoplamp/BTSI Switch
Tilt Wheel/Column Connector End Views
Power and Grounding Connector End Views
Power and Grounding Connector End Views