GM Service Manual Online
For 1990-2009 cars only
Makes
🢒
Buick
🢒
1999
🢒
Park Avenue
🢒
Body and Accessories
🢒
Stationary Windows
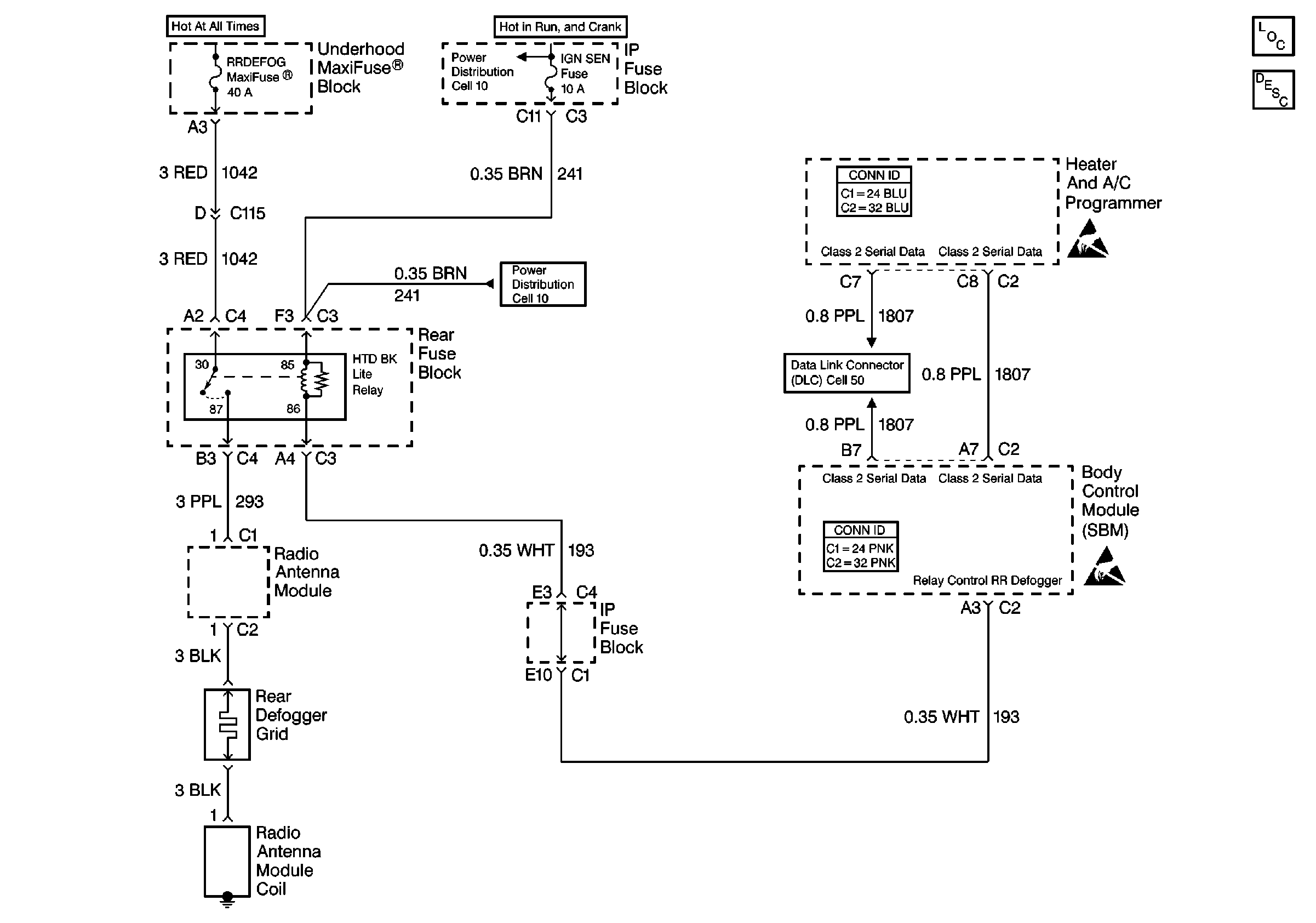
🢒 Defogger Schematics
Cell 61
Handling ESD Sensitive Parts Notice
Handling ESD Sensitive Parts Notice
Cell 10: IGN SEN, ABS, RUN, AUX and AUXOT LT
Cell 10: WSW, WSW/RFA, HUD, ELC, CR CONT, A/C and HVAC Fuses
Body Control System Connector End Views
HVAC Connector End Views
HVAC Component Views
Rear Window Defogger Description
Cell 50: Class 2 Serial Data Line