GM Service Manual Online
For 1990-2009 cars only
Makes
🢒
Buick
🢒
1999
🢒
Park Avenue
🢒
Body and Accessories
🢒
Seats
🢒 Heated Seats Schematics
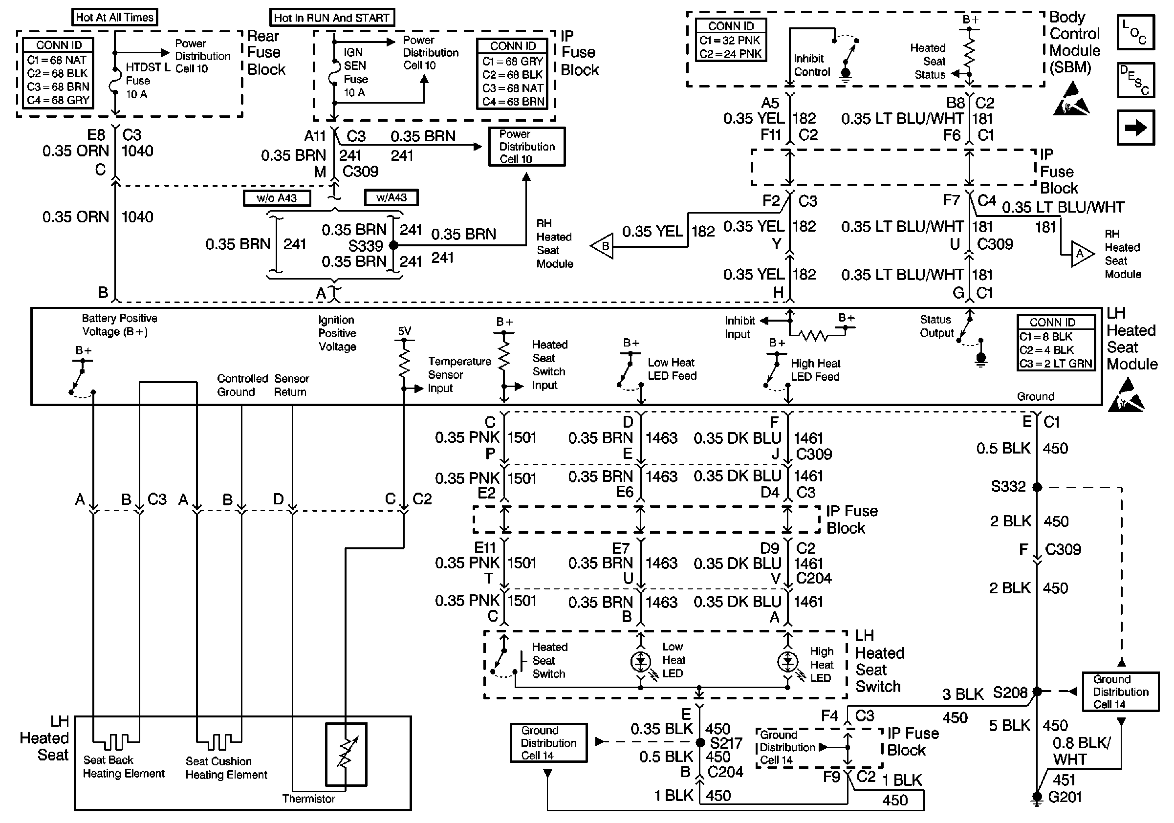
Figure
1:
Cell 143: LH Heated Seat
Power Seat Systems Components
Heated Seats Circuit Description
Cell 143: RH Heated Seat
Power and Grounding Connector End Views
Power and Grounding Connector End Views
Body Control System Connector End Views
Handling ESD Sensitive Parts Notice
Power Distribution Schematics
Power Distribution Schematics
Power Distribution Schematics
Cell 143: RH Heated Seat
Cell 143: RH Heated Seat
Power Seat Connector End Views
Handling ESD Sensitive Parts Notice
Ground Distribution Schematics
Ground Distribution Schematics
Ground Distribution Schematics
Figure
2:
Cell 143: RH Heated Seat
Power Seat Systems Components
Heated Seats Circuit Description
Cell 143: LH Heated Seat
Power and Grounding Connector End Views
Power and Grounding Connector End Views
Cell 143: LH Heated Seat
Cell 143: LH Heated Seat
Handling ESD Sensitive Parts Notice
Power Seat Connector End Views
Ground Distribution Schematics
Ground Distribution Schematics
Power Distribution Schematics
Power Distribution Schematics