GM Service Manual Online
For 1990-2009 cars only
Makes
🢒
Buick
🢒
1999
🢒
Park Avenue
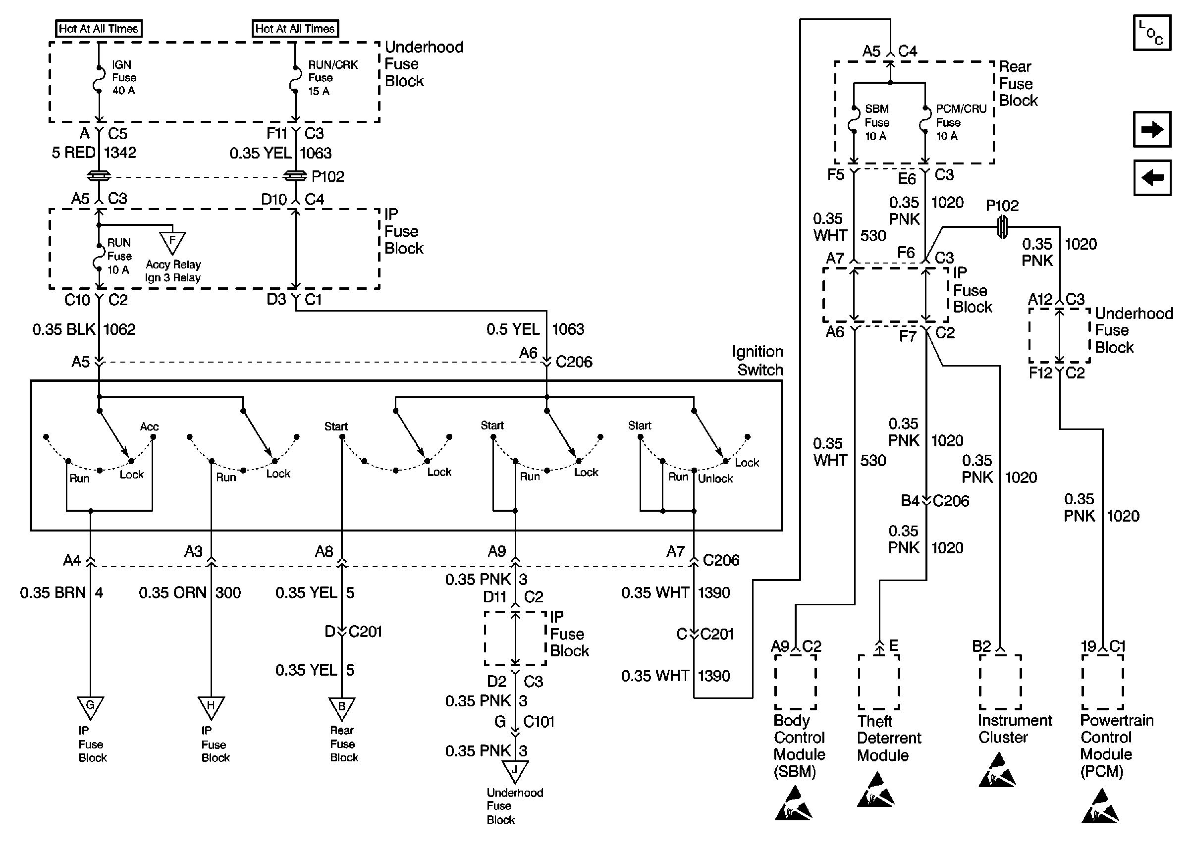
🢒 Cell 10: IGN, RUN/CRK, RUN, SBM, and PDM/CRU Fuses
Cell 10: IGN, RUN/CRK, RUN, SBM, and PDM/CRU Fuses
Cell 10: IGN, RUN/CRK, RUN, SBM, and PDM/CRU Fuses
Power and Grounding Components
Cell 10: CRK and THFT Fuses
Cell 10: LP PK, Horn, HZDT/SG, Stop, PCM, Run/Crank, and R/PMP Fuses
OBD II Symbol Description Notice
Cell 10: WSW, WSW/RFA, HUD, ELC, CR CONT, A/C and HVAC Fuses
Cell 10: WSW, WSW/RFA, HUD, ELC, CR CONT, A/C and HVAC Fuses
Cell 10: WSW, WSW/RFA, HUD, ELC, CR CONT, A/C and HVAC Fuses
Cell 10: CRK and THFT Fuses
Cell 10: F/Pump Fuse
Handling ESD Sensitive Parts Notice
Handling ESD Sensitive Parts Notice
Handling ESD Sensitive Parts Notice
Handling ESD Sensitive Parts Notice