GM Service Manual Online
For 1990-2009 cars only
Makes
🢒
Buick
🢒
1999
🢒
Park Avenue
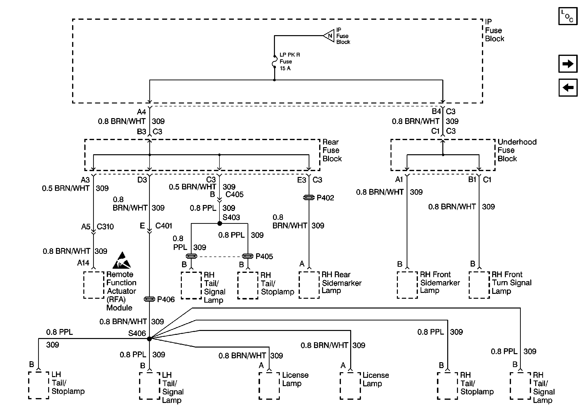
🢒 Cell 10: LP PK R Fuse
Cell 10: LP PK R Fuse
Cell 10: LP PK R Fuse
Power and Grounding Components
Cell 10: Sunroof Fuse
Cell 10: LP PK L Fuse
Cell 10: LP PK, HZDT/SG, Stop, and B/U LP Fuses
Handling ESD Sensitive Parts Notice