GM Service Manual Online
For 1990-2009 cars only

Refer to

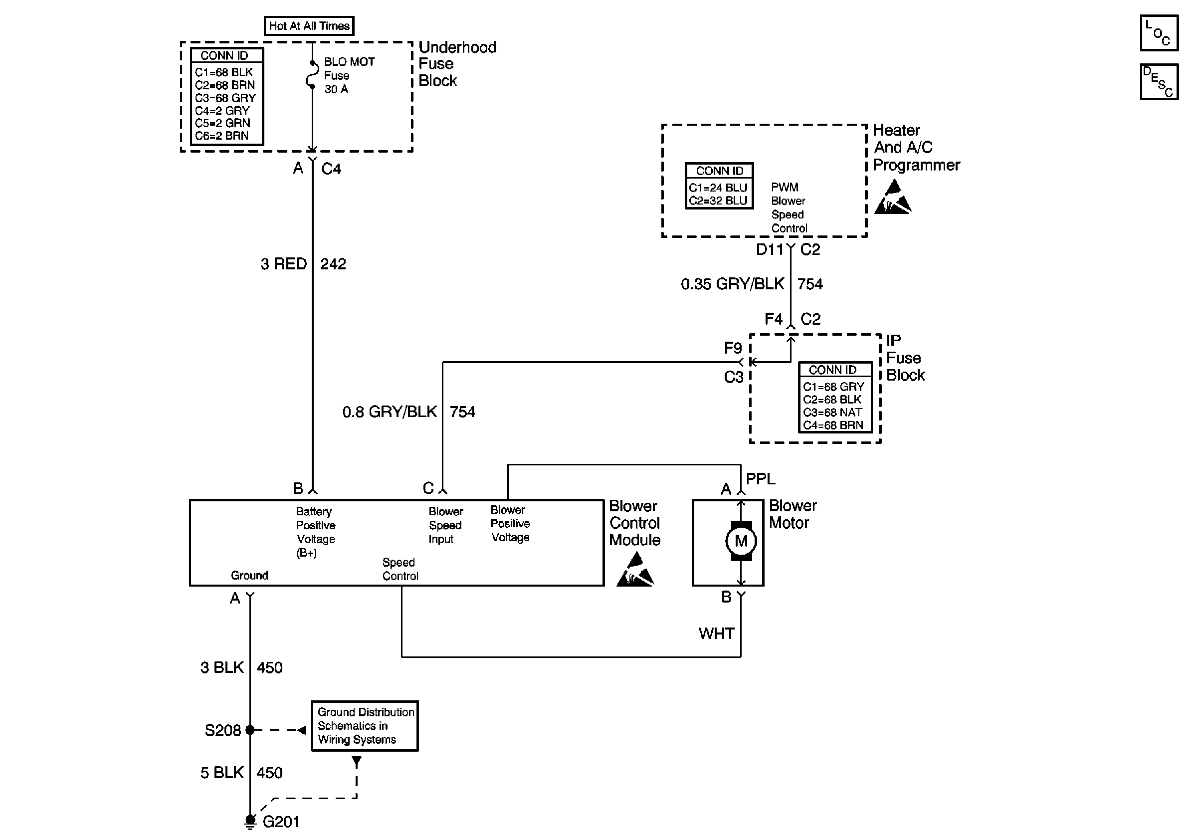
Blower Control


Object Number: 552473  Size: FS
HVAC Components
HVAC Blower Controls Circuit Description
Handling ESD Sensitive Parts Notice
Handling ESD Sensitive Parts Notice
G201, 1 of 2

Step

Action

Value(s)

Yes

No

Schematic Reference: HVAC Blower Control Schematics

Blower Control


Object Number: 552473  Size: FS
HVAC Components
HVAC Blower Controls Circuit Description
Handling ESD Sensitive Parts Notice
Handling ESD Sensitive Parts Notice
G201, 1 of 2

1

Did you perform the HVAC Diagnostic System Check?

--

Go to Step 2

Go to Diagnostic System Check

2

  1. Turn OFF the ignition.
  2. Disconnect the blower control module.
  3. Measure the voltage from the battery positive voltage (B+) circuit of the blower control module to a good ground.

Does the voltage measure near the specified value?

B+

Go to Step 3

Go to Step 9

3

Measure the voltage from the battery positive voltage (B+) circuit of the blower control module to the ground circuit of the blower control module.

Does the voltage measure near the specified value?

B+

Go to Step 4

Go to Step 10

4

  1. Connect the blower control module.
  2. Turn ON the ignition, with the engine OFF.
  3. Backprobe the PWM blower speed control circuit of the heater and A/C programmer with a voltmeter connected to a good ground.
  4. With a scan tool, command the blower motor OFF.

Does the voltage measure near the specified value?

5 V

Go to Step 5

Go to Step 7

5

  1. Backprobe the PWM blower speed control circuit of the heater and A/C programmer with a voltmeter connected to a good ground.
  2. With a scan tool, command the blower motor ON.

Does the voltage measure within the specified value?

0.25 V to 1.25 V

Go to Step 6

Go to Step 7

6

  1. Turn OFF the ignition.
  2. Disconnect the blower motor.
  3. Connect the J 35616-200 12 V Unpowered Test Light between the blower positive voltage circuit and the speed control circuit of the blower motor.
  4. Turn ON the ignition, with the engine OFF.
  5. Measure the voltage from the blower positive voltage circuit of the blower motor to the speed control circuit of the blower motor.
  6. Adjust the blower speed at the heater and A/C control from minimum to maximum.

Does the voltage measure within the specified values with a smooth transition between min and max?

0 V when OFF, 4 to 6 V at min and B+ at max

Go to Step 11

Go to Step 13

7

  1. Turn OFF the ignition.
  2. Disconnect the blower control module.
  3. Disconnect the heater and A/C programmer.
  4. Test the blower speed input circuit of the blower control module for a short to voltage, short to ground or an open. Refer to Circuit Testing and Wiring Repairs in Wiring Systems.

Did you find and correct the condition?

--

Go to Step 18

Go to Step 8

8

  1. Connect the blower control module.
  2. Measure the voltage from the PWM blower speed control circuit of the heater and A/C programmer to a good ground.

Does the voltage measure near the specified value?

5 V

Go to Step 14

Go to Step 13

9

Test the battery positive voltage circuit of the blower control module for an open. Refer to Circuit Testing and Wiring Repairs in Wiring Systems.

Did you find and correct the condition?

--

Go to Step 18

--

10

Test the ground circuit of the blower control module for an open. Refer to Circuit Testing and Wiring Repairs in Wiring Systems.

Did you find and correct the condition?

--

Go to Step 18

--

11

Inspect blower motor for blockage or obstructions preventing free rotation of the blower motor wheel.

Did you find and correct the condition?

--

Go to Step 18

Go to Step 12

12

Inspect for poor connections at the harness connector of the blower motor. Refer to Testing for Intermittent Conditions and Poor Connections and Connector Repairs Connector Repairs in Wiring Systems.

Did you find and correct the condition?

--

Go to Step 18

Go to Step 15

13

Inspect for poor connections at the harness connector of the blower control module. Refer to Testing for Intermittent Conditions and Poor Connections and Connector Repairs Connector Repairs in Wiring Systems.

Did you find and correct the condition?

--

Go to Step 18

Go to Step 16

14

Inspect for poor connections at the harness connector of the heater and A/C programmer. Refer to Testing for Intermittent Conditions and Poor Connections and Connector Repairs Connector Repairs in Wiring Systems.

Did you find and correct the condition?

--

Go to Step 18

Go to Step 17

15

Replace the blower motor. Refer to Blower Motor and Fan Replacement Blower Motor and Fan Replacement.

Did you complete the replacement?

--

Go to Step 18

--

16

Replace the blower control module. Refer to Blower Motor Control Module Replacement Blower Control Module Replacement.

Did you complete the replacement?

--

Go to Step 18

--

17

Replace the heater and A/C programmer. Refer to Programmer Replacement .

Did you complete the replacement?

--

Go to Step 18

--

18

Operate the system in order to verify the repair.

Did you correct the condition?

--

System OK

Go to Step 2