GM Service Manual Online
For 1990-2009 cars only

Circuit Description

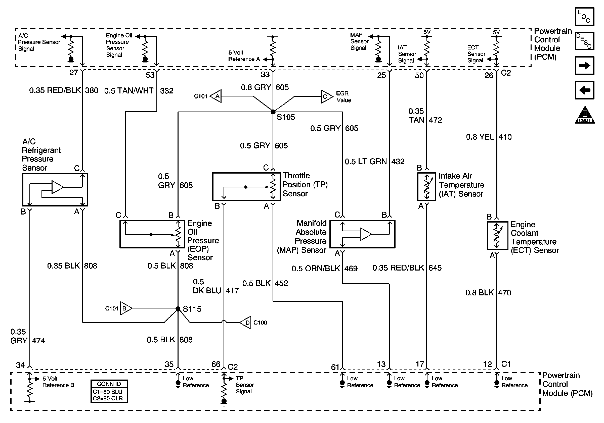
The manifold absolute pressure (MAP) sensor responds to pressure changes in the intake manifold which gives an indication of the engine load. The MAP sensor has the following circuits:

    • A 5-volt reference circuit
    • A low reference circuit
    • A signal circuit

The powertrain control module (PCM) supplies 5 volts to the MAP sensor on the 5-volt reference circuit and provides a ground on the low reference circuit. The MAP sensor provides a signal to the PCM on the signal circuit which is relative to the pressure changes in the manifold. With low MAP such as during idle or deceleration, the PCM should detect a low signal voltage. With high manifold absolute pressure such as ignition ON, with the engine OFF or wide-open throttle (WOT), the PCM should detect a high signal voltage. Certain vehicle models will also use the MAP sensor in order to calculate the barometric pressure (BARO) when the ignition switch is turned ON, with the engine OFF. The BARO reading may also be updated whenever the engine is operated at WOT. The PCM monitors the MAP sensor signal for voltage outside of the normal range. If the PCM detects a MAP sensor signal voltage that is excessively high, DTC P0108 will set. If the PCM detects a MAP sensor signal voltage that is excessively low, DTC P0107 will set.

Diagnostic Aids

Inspect for the following:

    • Restrictions in the MAP sensor vacuum source
    • MAP sensor seal missing or damaged
    • Vacuum hoses disconnected, damaged, or incorrectly routed
    • Intake manifold vacuum leaks
    • Vacuum leaks at the throttle body
    • Vacuum leaks at the exhaust gas recirculation (EGR) valve flange and pipes

Test Description

The number below refers to the step number on the diagnostic table.

  1. This step tests the MAP sensors ability to correctly indicate BARO. BARO varies with altitude and atmospheric conditions. 103 kPa is the approximate BARO displayed by the MAP sensor at or near sea level.

Step

Action

Values

Yes

No

Schematic Reference:

Sensors


Object Number: 659442  Size: FS
Master Electrical Component List
Powertrain Control Module Description
Fuel Tank Pressure Sensor and EVAP Vent Valve
Transaxle Solenoids and ABS/TCC Switch
OBD II Symbol Description Notice
Fuel Tank Pressure Sensor and EVAP Vent Valve
EGR and EVAP Purge Valve
Fuel Tank Pressure Sensor and EVAP Vent Valve
Transaxle Sensors

1

Did you perform the Diagnostic System Check-Engine Controls?

--

Go to Step 2

Go to Diagnostic System Check - Engine Controls

2

  1. Install a scan tool.
  2. Turn ON the ignition, with the engine OFF.
  3. With the scan tool, observe the MAP sensor pressure.
  4. Compare this value to a value observed in a known good vehicle.

Is the difference between the vehicles less than the specified value?

3 kPa

Go to Step 3

Go to Step 7

3

  1. Observe the MAP sensor pressure on the scan tool.
  2. Start the engine.

Does the MAP sensor value change?

--

Go to Step 4

Go to Step 7

4

  1. Turn OFF the ignition.
  2. Remove the MAP sensor from the engine vacuum source. Leave the MAP sensor connected to the engine harness.
  3. Connect a J 23738-A Hand Vacuum Pump to the MAP sensor port.
  4. Turn ON the ignition, with the engine OFF.
  5. Observe the MAP sensor pressure as you SLOWLY apply vacuum 1 inch Hg at a time. Each one inch of vacuum should result in a 3 to 4 kPa drop in the MAP sensor pressure.

Does the scan tool indicate that the MAP sensor is operating normally?

--

Go to Step 5

Go to Step 13

5

Observe the MAP sensor pressure on the scan tool with 20 inches Hg of vacuum applied to the sensor.

Is the MAP sensor pressure less than the value specified?

34 kPa

Go to Step 6

Go to Step 7

6

Disconnect the MAP sensor from the hand held vacuum pump.

Does the MAP sensor pressure return to the value observed in Step 2?

--

System OK

Go to Step 13

7

  1. Turn OFF the ignition.
  2. Disconnect the MAP sensor from the engine harness.
  3. Turn ON the ignition, with the engine OFF.
  4. Observe the MAP sensor VOLTAGE display on the scan tool.

Is the voltage more than the value specified?

0 V

Go to Step 10

Go to Step 8

8

  1. Jumper the MAP sensor 5-volt reference circuit to the MAP sensor signal circuit using a fused jumper wire.
  2. Observe the MAP sensor VOLTAGE display on the scan tool.

Is the voltage near the value specified?

5 V

Go to Step 9

Go to Step 11

9

  1. Remove the jumper.
  2. Probe the MAP sensor low reference circuit with a test lamp connected to battery positive voltage. Refer to Troubleshooting with a Test Lamp and Testing for Continuity in Wiring Systems.

Does the test lamp illuminate?

--

Go to Step 13

Go to Step 12

10

Test the signal circuit for a short to voltage. This short will have resistance as a complete short would have set a DTC. Refer to Circuit Testing and Wiring Repairs in Wiring Systems.

Did you find and correct the condition?

--

Go to Step 17

Go to Step 15

11

Test the 5-volt reference and the signal circuit for high resistance or an open. Refer to Testing for Continuity , Measuring Voltage Drop and Wiring Repairs in Wiring Systems.

Did you find and correct the condition?

--

Go to Step 17

Go to Step 15

12

Test the MAP sensor low reference circuit for high resistance or an open. Refer to Circuit Testing and Wiring Repairs in Wiring Systems.

Did you find and correct the condition?

--

Go to Step 17

Go to Step 15

13

Inspect the MAP sensor connector for poor connection or terminal contact. Refer to Testing for Intermittent Conditions and Poor Connections and Connector Repairs in Wiring Systems.

Did you find and correct the condition?

--

Go to Step 17

Go to Step 14

14

Replace the MAP sensor. Refer to Manifold Absolute Pressure Sensor Replacement .

Did you complete the replacement?

--

Go to Step 17

--

15

Inspect the PCM for poor connection or terminal contact. Refer to Testing for Intermittent Conditions and Poor Connections and Connector Repairs in Wiring Systems.

Did you find and correct the condition?

--

Go to Step 17

Go to Step 16

16

Replace the PCM. Refer to Powertrain Control Module Replacement .

Did you complete the replacement?

--

Go to Step 17

--

17

  1. Use the scan tool in order to clear the DTCs that may have set.
  2. Turn OFF the ignition for 30 seconds.
  3. Start the engine.

Did you correct the condition?

--

System OK

Go to Step 2