GM Service Manual Online
For 1990-2009 cars only
Makes
🢒
Buick
🢒
2001
🢒
Park Avenue
🢒
Steering
🢒
Power Steering System
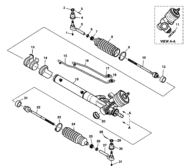
🢒 Power Steering Gear Disassembled View
Power Steering Gear Disassembled View Quiet Valve
Power Rack and Pinion - End Take Off
(1)
Lubrication Fitting
(2)
Hexagon Slotted Nut
(3)
Cotter Pin
(4)
Tie Rod Seal
(5)
Outer Tie Rod Assembly
(6)
Hexagon Jam Nut
(7)
Tie Rod End Clamp
(8)
Rack and Pinion Boot
(9)
Boot Clamp
(10)
Inner Tie Rod Assembly
(11)
Adjuster Plug Lock Nut
(12)
Shock Dampener Ring
(13)
Mounting Bracket Assembly
(14)
Mounting Grommet
(15)
Cylinder Line (Left Hand) Assembly
(16)
Cylinder Line (Right Hand) Assembly
(17)
O-Ring Seal
(18)
O-Ring Seal
(19)
Seal Adapter
(20)
Retaining Ring
(21)
Stub Shaft Seal
(22)
Annulus Bearing Assembly
(23)
Hexagon Lock Nut
(24)
Dust Cover
(25)
Rack and Pinion (Partial) Gear Assembly
(26)
Shock Dampener Ring
(27)
Inner Tie Rod Assembly
(28)
Boot Clamp
(29)
Rack and Pinion Boot
(30)
Tie Rod End Clamp
(31)
Hexagon Jam Nut
(32)
Outer Tie Rod Assembly
(33)
Cotter Pin
(34)
Hexagon Slotted Nut
(35)
Tie Rod Seal
(36)
Lubrication Fitting
Power Steering Gear Disassembled View Magnasteer
Power Rack and Pinion - End Take Off
(1)
Lubrication Fitting
(2)
Hexagon Slotted Nut
(3)
Cotter Pin
(4)
Tie Rod Seal
(5)
Outer Tie Rod Assembly
(6)
Hexagon Jam Nut
(7)
Tie Rod End Clamp
(8)
Rack and Pinion Boot
(9)
Boot Clamp
(10)
Inner Tie Rod Assembly
(11)
Adjuster Plug Lock Nut
(12)
Shack Dampener Ring
(13)
Mounting Bracket Assembly
(14)
Mounting Grommet
(15)
Cylinder Line (Left Hand) Assembly
(16)
Cylinder Line (Right Hand) Assembly
(17)
O-Ring Seal
(18)
O-Ring Seal
(19)
Rack and Pinion (Partial) Gear Assembly
(20)
Dust Cover
(21)
Shock Dampener Ring
(22)
Inner Tie Rod Assembly
(23)
Boot Clamp
(24)
Rack and Pinion Boot
(25)
Tie Rod End Clamp
(26)
Hexagon Jam Nut
(27)
Outer Tie Rod Assembly
(28)
Cotter Pin
(29)
Hexagon Slotted Nut
(30)
Tie Rod Seal
(31)
Lubrication Fitting