GM Service Manual Online
For 1990-2009 cars only
Makes
🢒
Buick
🢒
2001
🢒
Park Avenue
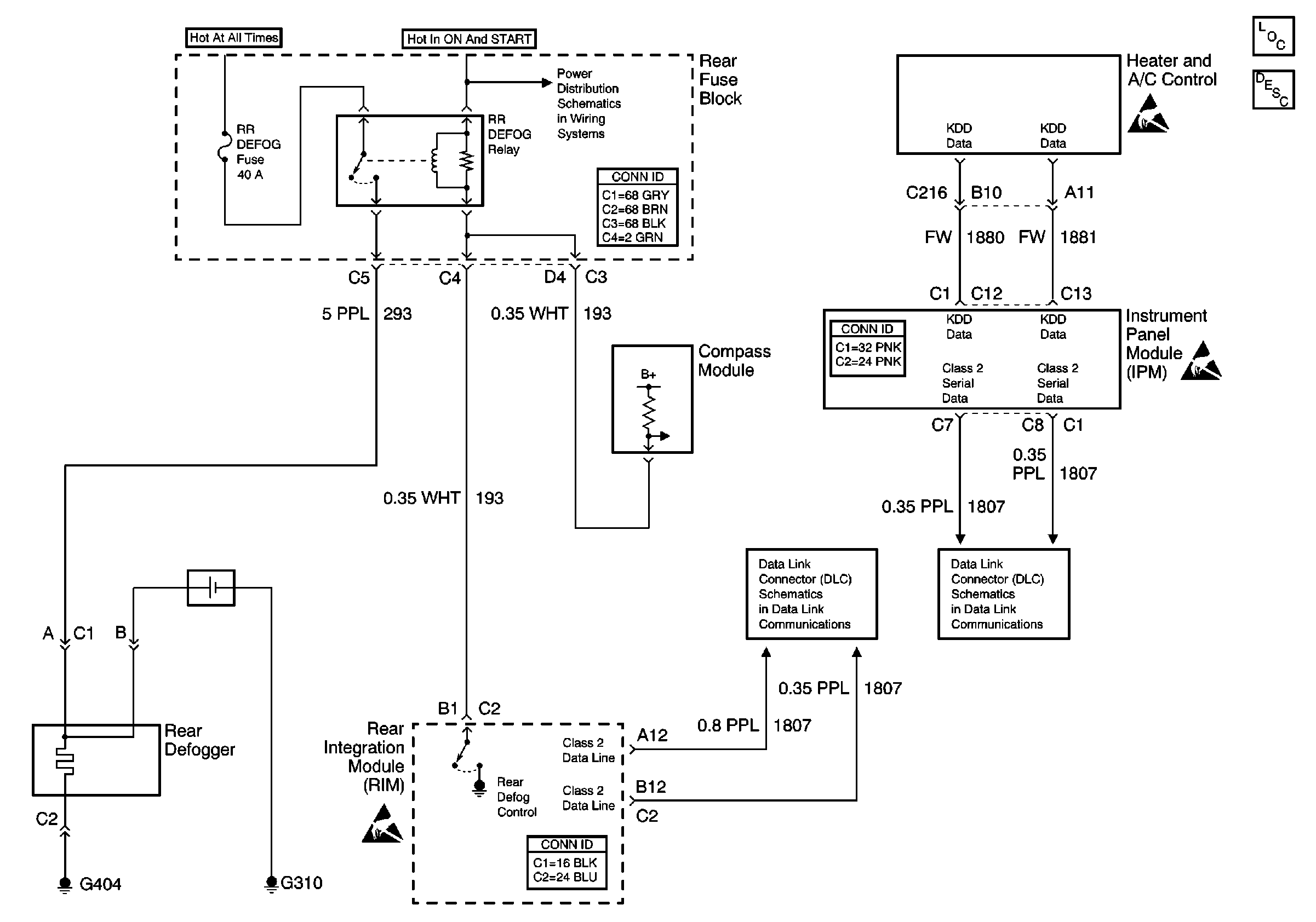
🢒 Rear Window Defogger
Rear Window Defogger
Rear Window Defogger
Stationary Windows Components
Rear Window Defogger Description
Battery Voltage to the Rear Fuse Block
160/220/310 CELL 14 G404, G310
Handling ESD Sensitive Parts Notice
Serial Data Class 2