GM Service Manual Online
For 1990-2009 cars only
Makes
🢒
Buick
🢒
2001
🢒
Park Avenue
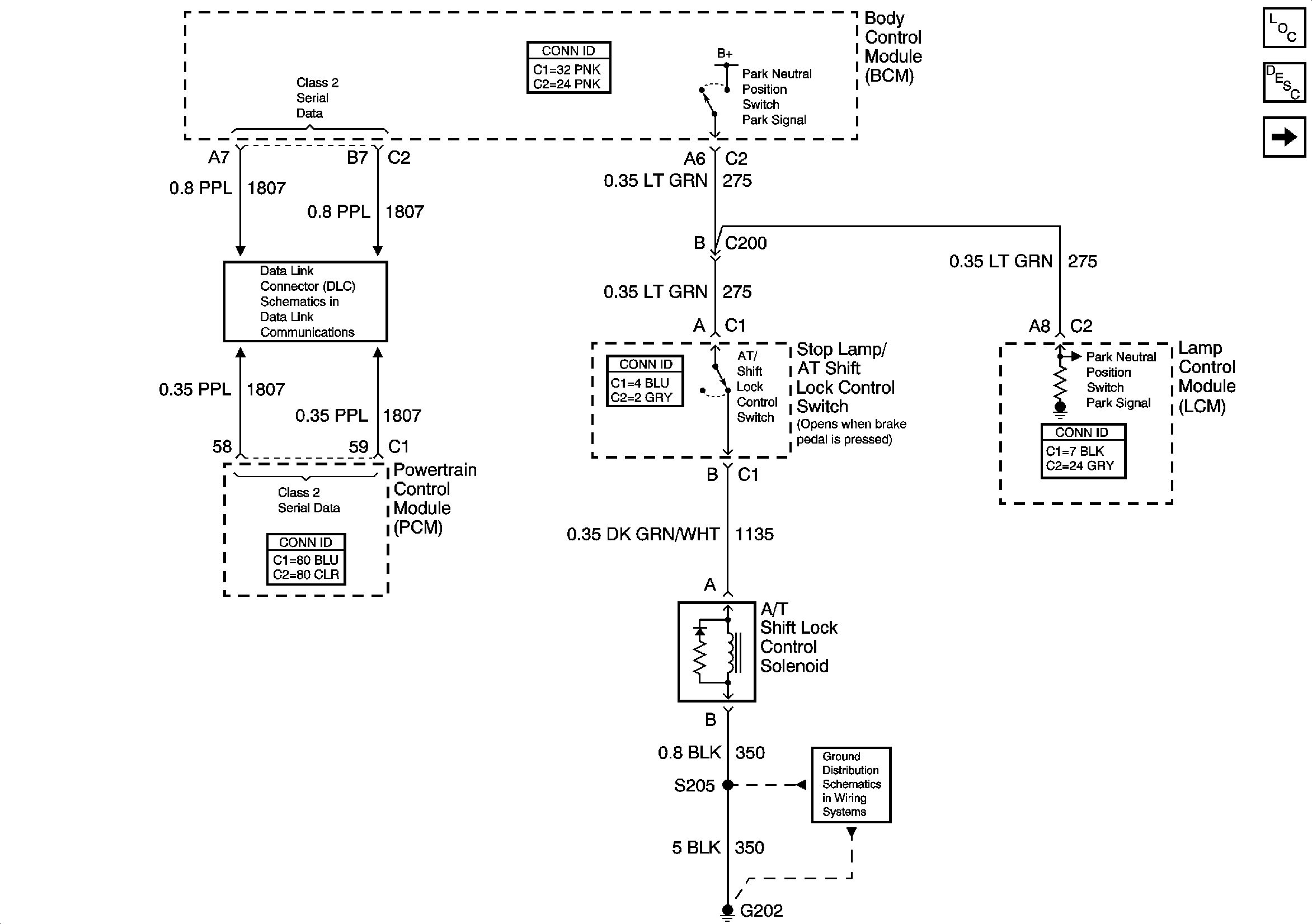
🢒 Auto Trans Shift Lock Control
Auto Trans Shift Lock Control
Auto Trans Shift Lock Control
Master Electrical Component List
Automatic Transmission Shift Lock Control Description and Operation
Automatic Transaxle Internal Mode Switch
Class 2 Serial Data Line
G202 (4 of 4)