GM Service Manual Online
For 1990-2009 cars only

Object Number: 414264  Size: MH

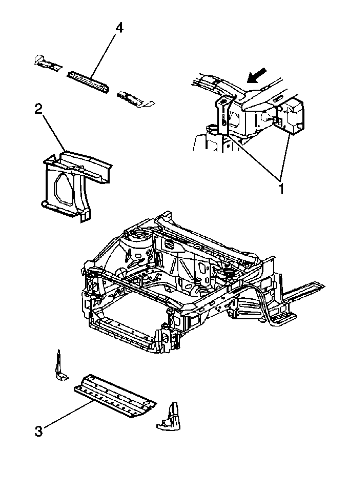
The radiator support assembly consists of 12 major components: 9 upper panels and 3 lower panels. In addition, there are 4 headlight mounting brackets (1).

Upper Radiator Support Components

There are 2 service assemblies (2), each made up from 3 of the 9 upper panels. There are no factory welds along the rear edge of these assemblies. The rear edge of these assemblies sandwich the front edge of the wheelhouse apron. After positioning the rest of the radiator support components, check the fit, use 3-dimensional measuring equipment. Plug weld all the panels accordingly, including the rear edge of the assemblies to the wheelhouse apron.

Lower Radiator Support Components

The lower 3 panels, also called the lower tie-bar, are welded to the lower rails. The 3 lower panels are available and serviced separately (3).

Headlight Mounting Components

There are 2 mounting brackets for each headlight assembly (1). One mounts to the side of the wheelhouse apron and upper rail assembly. The other bracket mounts to the front upper radiator support (4) and the top of the headlight mounting holes are pre-drilled and will need to be located and shimmed accordingly. Use three-dimensional measuring equipment.