GM Service Manual Online
For 1990-2009 cars only
Figure 1:

Cell 21: Power, Ground, MIL and DLC


Object Number: 349347  Size: FS
Cell 21: Ignition System and Knock Sensors
OBDII Symbol Description Notice
Handling Electrostatic Discharge Sensitive Parts Notice
Handling Electrostatic Discharge Sensitive Parts Notice
Cell 10: EBCM/EBTCM
Cell 10: Ignition Switch
Cell 10: Ignition Switch
Cell 10: Battery, and Generator
Cell 11: HEATED MIRROR, CRANK SIGNAL BCM CLUSTER, IGN 0: CLUSTER PCM & BCM, and PARK LOCK Fuses
Cell 81: PCM, Engine Coolant Level Indicator Module, Windshield Washer Solvent Level Switch
Cell 11: RADIO-HVAC RFA CLUSTER CEL TEL, BCM PWR, INADV POWER BUS,and CIGAR LTR DATA LINK Fuses
Cell 11: TURN SIGNALS CORN LPS, AIR BAG, CLUSTER, DRL and PCM-BCM U/H RELAY Fuses
Cell 11: HEATED MIRROR, CRANK SIGNAL BCM CLUSTER, IGN 0: CLUSTER PCM & BCM, and PARK LOCK Fuses
Data Link Connector Schematic (Cell 50: PCM, EBCM/EBTCM, SIR/BCM Module)
Cell 14: G200 (1 of 2)
Cell 14: G203 (1 of 2)
Figure 2:

Cell 21: Ignition System and Knock Sensors


Object Number: 349353  Size: FS
Cell 21: Fuel Controls - VIN K
OBDII Symbol Description Notice
Cell 21: Power, Ground, MIL and DLC
Cell 10: Underhood Accessory Wiring Junction Block
Figure 3:

Cell 21: Fuel Controls - VIN K


Object Number: 349355  Size: FS
Cell 21: Fuel Controls - VIN 1 (1 of 2)
OBDII Symbol Description Notice
Cell 21: Ignition System and Knock Sensors
Cell 10: Underhood Accessory Wiring Junction Block
Cell 14: G100, G111, G113, and G117
Cell 14: G402 (2 of 2)
Cell 21: Engine Data Sensors-A/C Refrig Press, ECT, IAT, MAP and TP
Handling Electrostatic Discharge Sensitive Parts Notice
Handling Electrostatic Discharge Sensitive Parts Notice
Handling Electrostatic Discharge Sensitive Parts Notice
Figure 4:

Cell 21: Fuel Controls - VIN 1 (1 of 2)


Object Number: 349358  Size: FS
Cell 21: Fuel Controls - VIN 1 (2 of 2)
OBDII Symbol Description Notice
Cell 21: Fuel Controls - VIN K
Cell 21: Engine Data Sensors-A/C Refrig Press, ECT, IAT, MAP and TP
Handling Electrostatic Discharge Sensitive Parts Notice
Handling Electrostatic Discharge Sensitive Parts Notice
Figure 5:

Cell 21: Fuel Controls - VIN 1 (2 of 2)


Object Number: 349362  Size: FS
Cell 21: Fuel Injectors
OBDII Symbol Description Notice
Cell 21: Fuel Controls - VIN 1 (1 of 2)
Cell 10: Underhood Accessory Wiring Junction Block
Cell 11: ENG EMIS Fuse
Cell 14: G100, G111, G113, and G117
Cell 14: G100, G111, G113, and G117
Handling Electrostatic Discharge Sensitive Parts Notice
Handling Electrostatic Discharge Sensitive Parts Notice
Figure 6:

Cell 21: Fuel Injectors


Object Number: 349364  Size: FS
Cell 21: Engine Data Sensors-A/C Refrig Press, ECT, IAT, MAP and TP
OBDII Symbol Description Notice
Cell 21: Fuel Controls - VIN 1 (2 of 2)
Cell 10: Underhood Accessory Wiring Junction Block
Handling Electrostatic Discharge Sensitive Parts Notice
Figure 7:

Cell 21: Engine Data Sensors-A/C Refrig Press, ECT, IAT, MAP and TP


Object Number: 349367  Size: FS
Cell 21: Engine Data Sensors-HO2S 1 and HO2S 2
OBDII Symbol Description Notice
Cell 21: Fuel Injectors
Cell 21: Fuel Controls - VIN 1 (1 of 2)
Cell 21: Fuel Controls - VIN K
Handling Electrostatic Discharge Sensitive Parts Notice
Handling Electrostatic Discharge Sensitive Parts Notice
Figure 8:

Cell 21: Engine Data Sensors-HO2S 1 and HO2S 2


Object Number: 349370  Size: FS
Cell 21: Engine Data Sensors-EGR, EVAP Purge, EVAP Vent and MAF
OBDII Symbol Description Notice
Cell 21: Engine Data Sensors-A/C Refrig Press, ECT, IAT, MAP and TP
Cell 10: Underhood Accessory Wiring Junction Block
Cell 14: G100, G111, G113, and G117
Handling Electrostatic Discharge Sensitive Parts Notice
Figure 9:

Cell 21: Engine Data Sensors-EGR, EVAP Purge, EVAP Vent and MAF


Object Number: 349373  Size: FS
Cell 21: Engine Oil Level, Engine Oil Pressure and IAC
OBDII Symbol Description Notice
Cell 21: Engine Data Sensors-HO2S 1 and HO2S 2
Cell 11: ENG EMIS Fuse
Cell 10: Underhood Accessory Wiring Junction Block
Cell 14: G100, G111, G113, and G117
Handling Electrostatic Discharge Sensitive Parts Notice
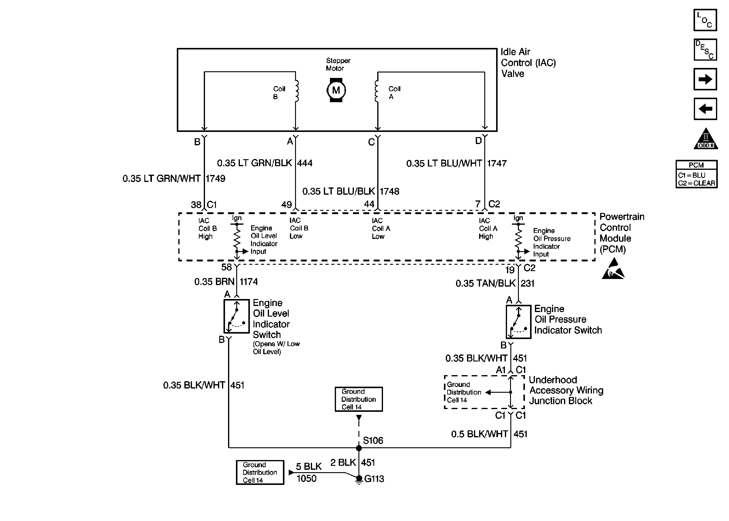
Figure 10:

Cell 21: Engine Oil Level, Engine Oil Pressure and IAC


Object Number: 349375  Size: FS
Cell 21: Cruise, VSS
OBDII Symbol Description Notice
Cell 21: Engine Data Sensors-EGR, EVAP Purge, EVAP Vent and MAF
Cell 14: G100, G111, G113, and G117
Cell 14: G100, G111, G113, and G117
Handling Electrostatic Discharge Sensitive Parts Notice
Figure 11:

Cell 21: Cruise, VSS


Object Number: 349378  Size: FS
Cell 21: Indicator Lamps
OBDII Symbol Description Notice
Cell 21: Engine Oil Level, Engine Oil Pressure and IAC
Handling Electrostatic Discharge Sensitive Parts Notice
Handling Electrostatic Discharge Sensitive Parts Notice
Figure 12:

Cell 21: Indicator Lamps


Object Number: 349385  Size: FS
Cell 21: Transaxle Range Switch
OBDII Symbol Description Notice
Cell 21: Cruise, VSS
Cell 10: Ignition Switch
Cell 14: G203 (1 of 2)
Handling Electrostatic Discharge Sensitive Parts Notice
Handling Electrostatic Discharge Sensitive Parts Notice
Cell 81: Brake Fluid Level Switch
Figure 13:

Cell 21: Transaxle Range Switch


Object Number: 349388  Size: FS
Cell 21: Automatic Transmission and TCC Switch (1 of 2)
OBDII Symbol Description Notice
Cell 21: Indicator Lamps
Cell 10: Ignition Switch
Cell 11: TURN SIGNALS CORN LPS, AIR BAG, CLUSTER, DRL and PCM-BCM U/H RELAY Fuses
Cell 138: Btsi, Transaxle Range Switch, UAWJB 2 of 2
Cell 14: G100, G111, G113, and G117
Handling Electrostatic Discharge Sensitive Parts Notice
Handling Electrostatic Discharge Sensitive Parts Notice
Figure 14:

Cell 21: Automatic Transmission and TCC Switch (1 of 2)


Object Number: 349393  Size: FS
Cell 21: Automatic Transmission and TCC Switch (2 of 2)
OBDII Symbol Description Notice
Cell 21: Transaxle Range Switch
Cell 11: ENG EMIS Fuse
Cell 10: Underhood Accessory Wiring Junction Block
Handling Electrostatic Discharge Sensitive Parts Notice
Figure 15:

Cell 21: Automatic Transmission and TCC Switch (2 of 2)


Object Number: 349395  Size: FS
Cell 21: A/C Compressor Controls
OBDII Symbol Description Notice
Cell 21: Automatic Transmission and TCC Switch (1 of 2)
Handling Electrostatic Discharge Sensitive Parts Notice
Handling Electrostatic Discharge Sensitive Parts Notice
Figure 16:

Cell 21: A/C Compressor Controls


Object Number: 349422  Size: FS
Cell 21: Coolant Fans
OBDII Symbol Description Notice
Cell 21: Automatic Transmission and TCC Switch (2 of 2)
Cell 10: Accessory Time Delay Relay, and Ignition Switch
Cell 10: Ignition Switch
Cell 11: LOW BLOWER, CRUISE and HVAC Fuses
Cell 11: TURN SIGNALS CORN LPS, AIR BAG, CLUSTER, DRL and PCM-BCM U/H RELAY Fuses
Cell 10: Underhood Accessory Wiring Junction Block
Cell 10: Underhood Accessory Wiring Junction Block
Cell 14: G100, G111, G113, and G117
Cell 14: G113, and G117
Cell 14: G100, G111, G113, and G117
Cell 14: G100, G111, G113, and G117
Handling Electrostatic Discharge Sensitive Parts Notice
Figure 17:

Cell 21: Coolant Fans


Object Number: 349424  Size: FS
OBDII Symbol Description Notice
Cell 21: A/C Compressor Controls
Cell 10: Underhood Accessory Wiring Junction Block
Cell 14: G113, and G117
Cell 14: G100, G111, G113, and G117
Handling Electrostatic Discharge Sensitive Parts Notice