GM Service Manual Online
For 1990-2009 cars only
Figure 1:

Cell 14: G101


Object Number: 349213  Size: FS
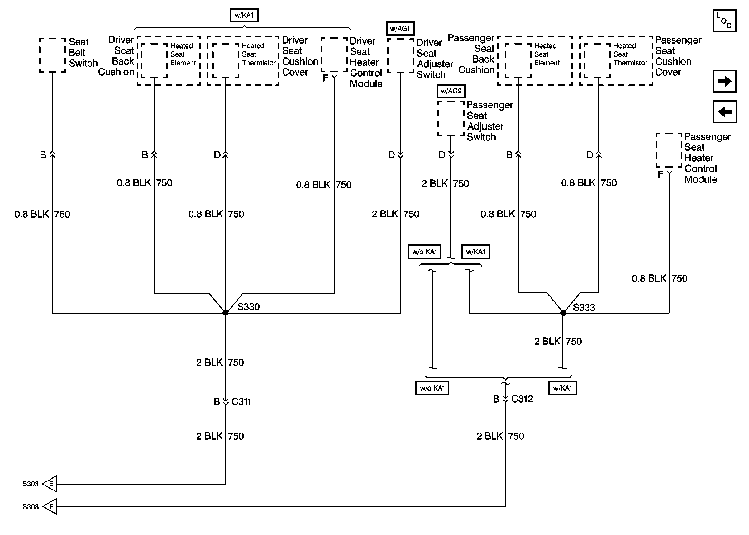
Power and Grounding Components
Cell 14: G100, G111, G113, and G117
Figure 2:

Cell 14: G100, G111, G113, and G117


Object Number: 349218  Size: FS
Power and Grounding Components
Cell 14: G113, and G117
Cell 14: G101
Power and Grounding Components
Cell 14: G113, and G117
Figure 3:

Cell 14: G113, and G117


Object Number: 349221  Size: FS
Power and Grounding Components
Cell 14: G200 (1 of 2)
Cell 14: G100, G111, G113, and G117
Cell 14: G100, G111, G113, and G117
Figure 4:

Cell 14: G200 (1 of 2)


Object Number: 349223  Size: FS
Power and Grounding Components
Cell 14: G200 (2 of 2)
Cell 14: G113, and G117
Figure 5:

Cell 14: G200 (2 of 2)


Object Number: 349227  Size: FS
Power and Grounding Components
Cell 14: G201
Cell 14: G200 (1 of 2)
Cell 14: G200 (1 of 2)
Cell 14: G200 (1 of 2)
Cell 14: G200 (1 of 2)
Figure 6:

Cell 14: G201


Object Number: 349236  Size: FS
Power and Grounding Components
Cell 14: G203 (1 of 2)
Cell 14: G200 (2 of 2)
Figure 7:

Cell 14: G203 (1 of 2)


Object Number: 349239  Size: FS
Power and Grounding Components
Cell 14: G203 (2 of 2)
Cell 14: G201
Cell 14: G203 (2 of 2)
Figure 8:

Cell 14: G203 (2 of 2)


Object Number: 349241  Size: FS
Power and Grounding Components
Cell 14: G301 (1 of 2)
Cell 14: G203 (1 of 2)
Cell 14: G203 (1 of 2)
Figure 9:

Cell 14: G301 (1 of 2)


Object Number: 349244  Size: FS
Power and Grounding Components
Cell 14: G301 (2 of 2)
Cell 14: G203 (2 of 2)
Cell 14: G301 (2 of 2)
Cell 14: G301 (2 of 2)
Figure 10:

Cell 14: G301 (2 of 2)


Object Number: 349247  Size: FS
Power and Grounding Components
Cell 14: G401
Cell 14: G301 (1 of 2)
Cell 14: G301 (1 of 2)
Cell 14: G301 (1 of 2)
Figure 11:

Cell 14: G401


Object Number: 349251  Size: FS
Power and Grounding Components
Cell 14: G402 (1 of 2)
Cell 14: G301 (2 of 2)
Figure 12:

Cell 14: G402 (1 of 2)


Object Number: 349256  Size: FS
Power and Grounding Components
Cell 14: G402 (2 of 2)
Cell 14: G401
Cell 14: G402 (2 of 2)
Figure 13:

Cell 14: G402 (2 of 2)


Object Number: 349262  Size: FS
Power and Grounding Components
Cell 14: G402 (1 of 2)
Cell 14: G402 (1 of 2)